GM Service Manual Online
For 1990-2009 cars only
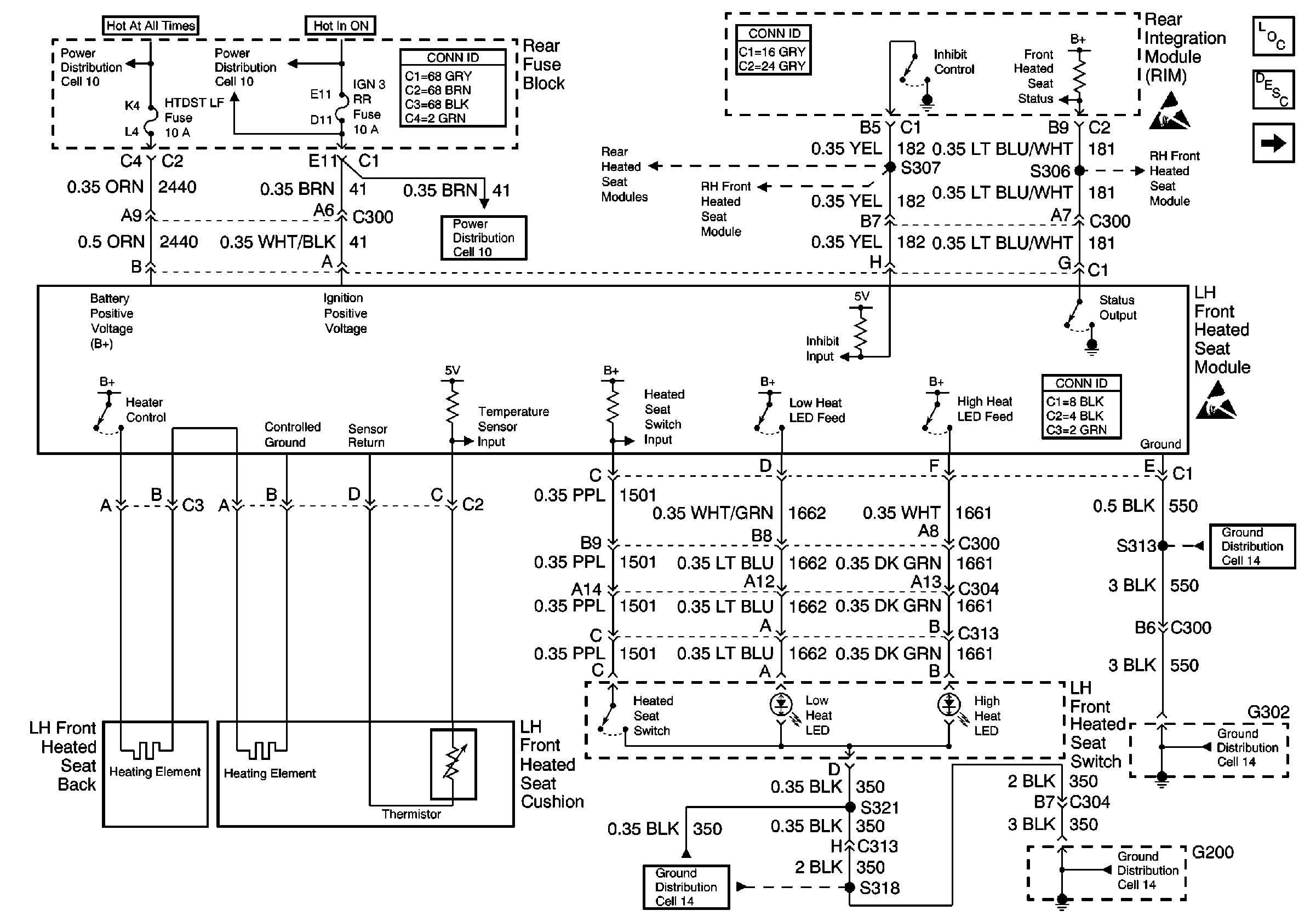
Figure 1:

Cell 143: LH Front Heated Seat


Object Number: 389953  Size: FS
Power Seat Systems Components
Heated Seats Circuit Description
Cell 143: RH Front Heated Seat
Cell 10: IGN, SW, HTDST LR, HTDST RR, and HTDST RF Fuses
Cell 10: IGN 3 RR Fuses
Cell 10: IGN 3 RR Fuses
Cell 14: G302
Cell 14: G302
Cell 14: G202 and G200 (2 of 2)
Cell 14: G202 and G200 (2 of 2)
Power and Grounding Connector End Views
Body Control System Connector End Views
Power Seat Connector End Views
Cell 143: Rear Heated Seat Modules
Cell 143: RH Front Heated Seat
Cell 143: RH Front Heated Seat
Handling ESD Sensitive Parts Notice
Handling ESD Sensitive Parts Notice
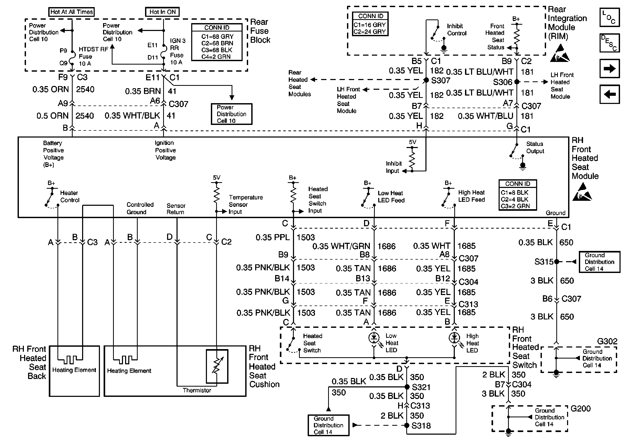
Figure 2:

Cell 143: RH Front Heated Seat


Object Number: 389956  Size: FS
Power Seat Systems Components
Heated Seats Circuit Description
Cell 143: Rear Heated Seat Modules
Cell 143: LH Front Heated Seat
Cell 10: IGN, SW, HTDST LR, HTDST RR, and HTDST RF Fuses
Cell 10: IGN 3 RR Fuses
Cell 10: IGN 3 RR Fuses
Cell 14: G302
Cell 14: G302
Cell 14: G202 and G200 (2 of 2)
Cell 14: G202 and G200 (2 of 2)
Power and Grounding Connector End Views
Body Control System Connector End Views
Power Seat Connector End Views
Cell 143: Rear Heated Seat Modules
Cell 143: LH Front Heated Seat
Cell 143: LH Front Heated Seat
Handling ESD Sensitive Parts Notice
Handling ESD Sensitive Parts Notice
Figure 3:

Cell 143: Rear Heated Seat Modules


Object Number: 389957  Size: FS
Power Seat Systems Components
Heated Seats Circuit Description
Cell 143: Rear Heated Seat Switches
Cell 143: RH Front Heated Seat
Handling ESD Sensitive Parts Notice
Handling ESD Sensitive Parts Notice
Handling ESD Sensitive Parts Notice
Handling ESD Sensitive Parts Notice
Handling ESD Sensitive Parts Notice
Cell 10: IGN 3 RR Fuses
Cell 10: IGN, SW, HTDST LR, HTDST RR, and HTDST RF Fuses
Cell 10: IGN, SW, HTDST LR, HTDST RR, and HTDST RF Fuses
Cell 14: G301
Cell 14: G301
Cell 143: LH Front Heated Seat
Cell 143: RH Front Heated Seat
Power and Grounding Connector End Views
Body Control System Connector End Views
Power Seat Connector End Views
Power Seat Connector End Views
Figure 4:

Cell 143: Rear Heated Seat Switches


Object Number: 389959  Size: FS
Power Seat Systems Components
Heated Seats Circuit Description
Cell 143: Rear Heated Seat Modules
Handling ESD Sensitive Parts Notice
Handling ESD Sensitive Parts Notice
Cell 55: SBI
Cell 55: SBI
Cell 55: LRDM Power, Ground, Inputs, and Outputs
Cell 55: RRDM Power, Ground, Inputs, and Outputs
Power Door Systems Connector End Views
Power Door Systems Connector End Views