GM Service Manual Online
For 1990-2009 cars only
Makes
🢒
Cadillac
🢒
1999
🢒
Seville
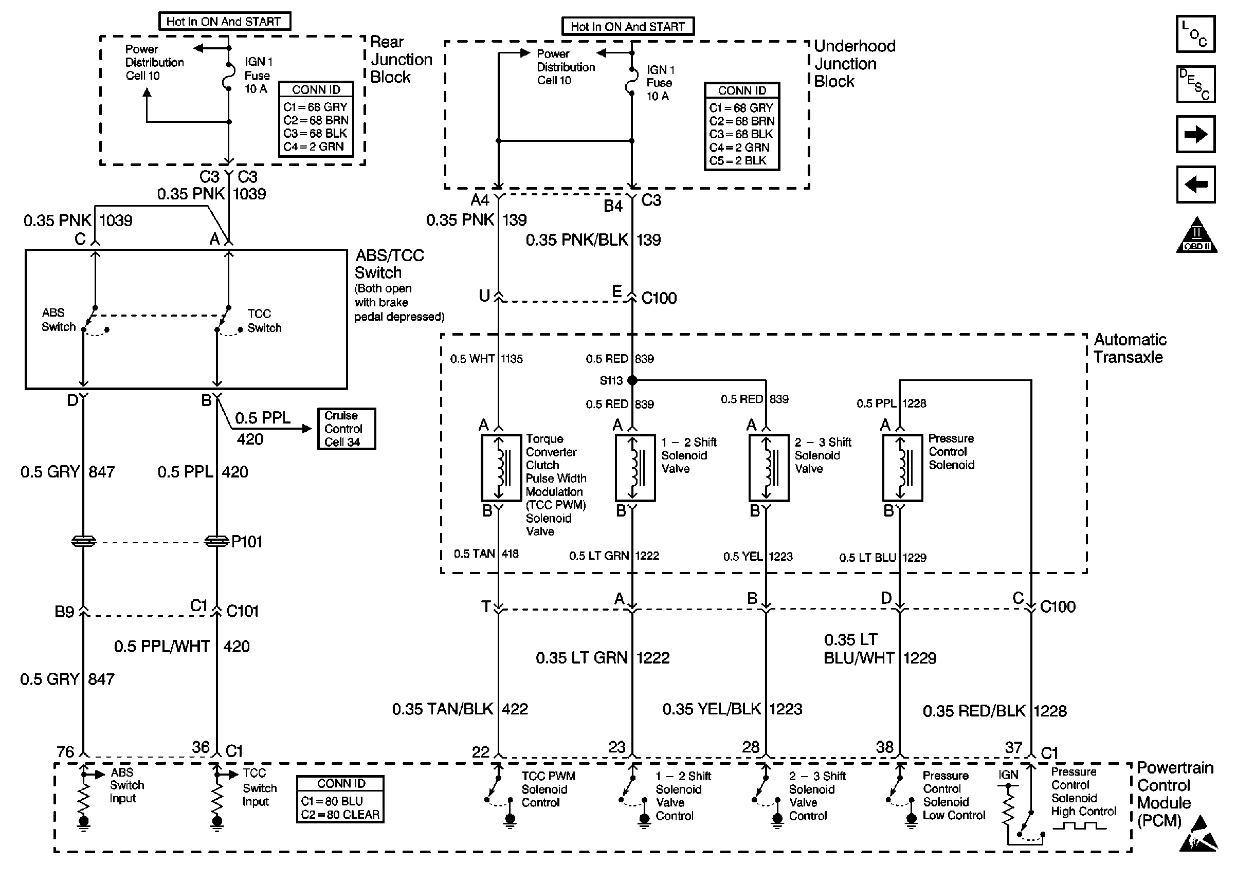
🢒 Cell 20: ABS/TCC Switch and Transaxle Solenoids
Cell 20: ABS/TCC Switch and Transaxle Solenoids
Cell 20: ABS/TCC Switch and Transaxle Solenoids
Engine Controls Components
Information Sensors/Switches Description
Cell 20: Transaxle Sensors and TR Switch
Cell 20: Generator, Power Steering Press Switch and Oil Level Switch
OBD II Symbol Description Notice
Engine Controls Schematic References
Engine Controls Schematic References
Engine Controls Schematic References
Powertrain Control Module Connector End Views
Handling ESD Sensitive Parts Notice