GM Service Manual Online
For 1990-2009 cars only
Makes
🢒
Cadillac
🢒
1999
🢒
Seville
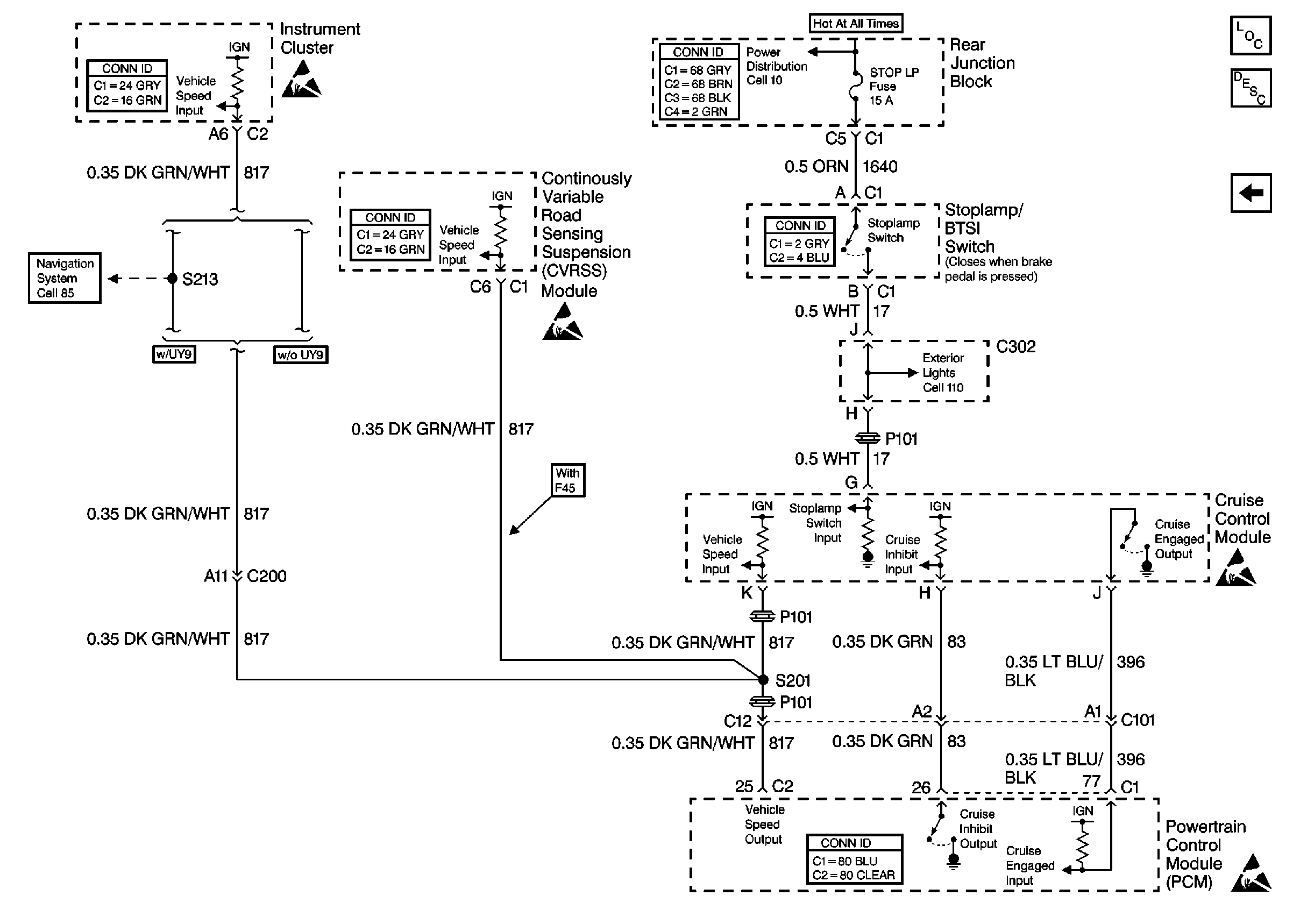
🢒 Cell 34: Cruise Control Module PCM Controls and Vehicle Speed Input
Cell 34: Cruise Control Module PCM Controls and Vehicle Speed Input
Cell 34: Cruise Control Module PCM Controls and Vehicle Speed Input
Cruise Control Components
Cruise Control System Circuit Description
Cell 34: Multifunction Lever and Cruise Control Module Power and Ground
Handling ESD Sensitive Parts Notice
Handling ESD Sensitive Parts Notice
Handling ESD Sensitive Parts Notice
Handling ESD Sensitive Parts Notice
Cell 10: AUX PWR, C/LTR, STOP LP, CIGAR, and HVAC BLO Fuses
Cell 85: Gateway Communication and Video Jacks
Cell 110: Stop Lamps
Instrument Panel, Gages, and Console Connector End Views
Suspension Controls Connector End Views
Power and Grounding Connector End Views
Cruise Control Connector End Views
Powertrain Control Module Connector End Views