GM Service Manual Online
For 1990-2009 cars only
Makes
🢒
Cadillac
🢒
1999
🢒
Seville
🢒 Cell 43: Sensors and Actuators
Cell 43: Sensors and Actuators
Cell 43: Sensors and Actuators
Suspension Controls Components
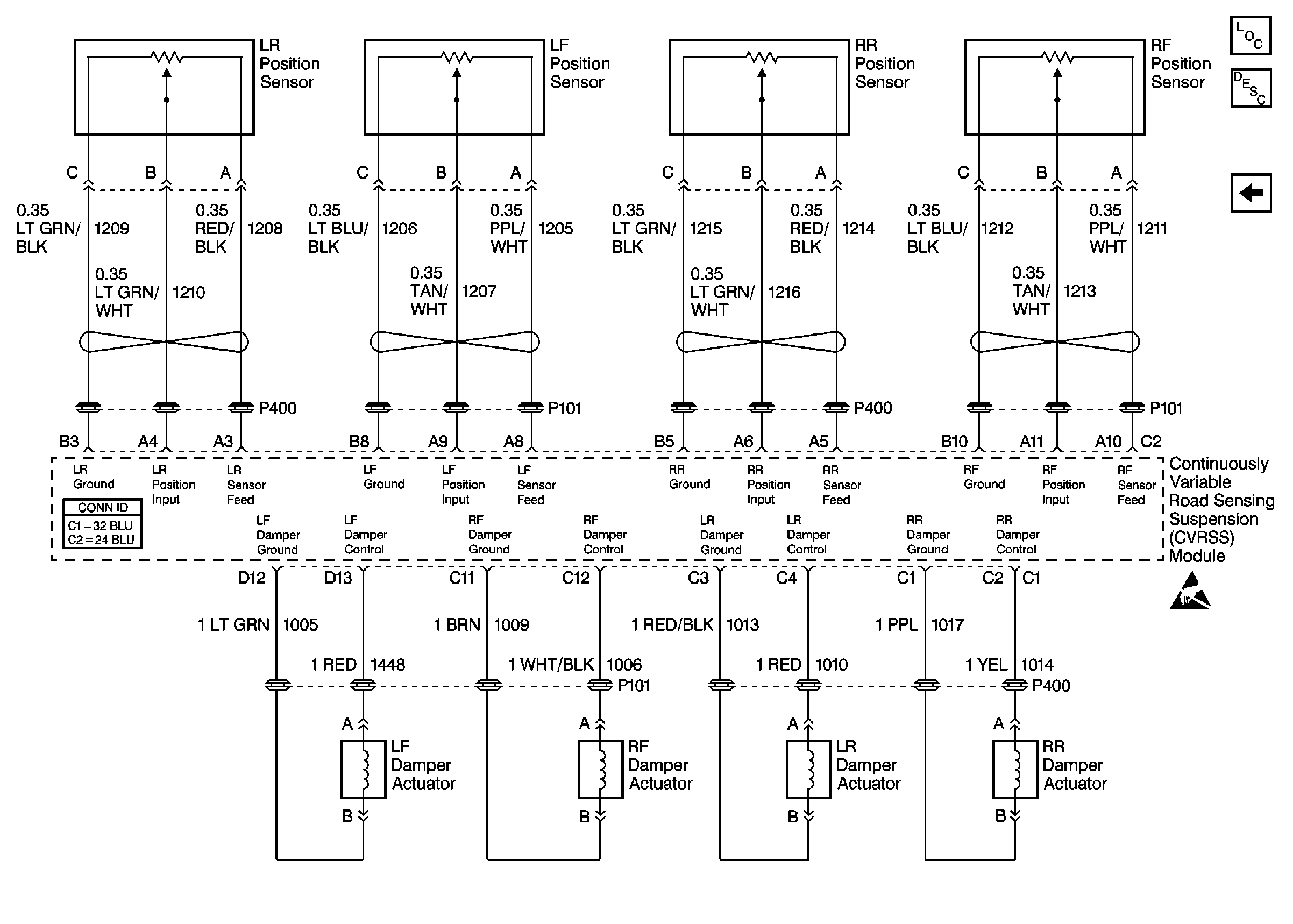
Road Sensing Suspension (RSS) Dampers with Integral Actuators Description
Cell 43: Power and Ground
Suspension Controls Schematic Icons