GM Service Manual Online
For 1990-2009 cars only
Makes
🢒
Cadillac
🢒
1999
🢒
Seville
🢒 Cell 43: Power and Ground
Cell 43: Power and Ground
Cell 43: Power and Ground
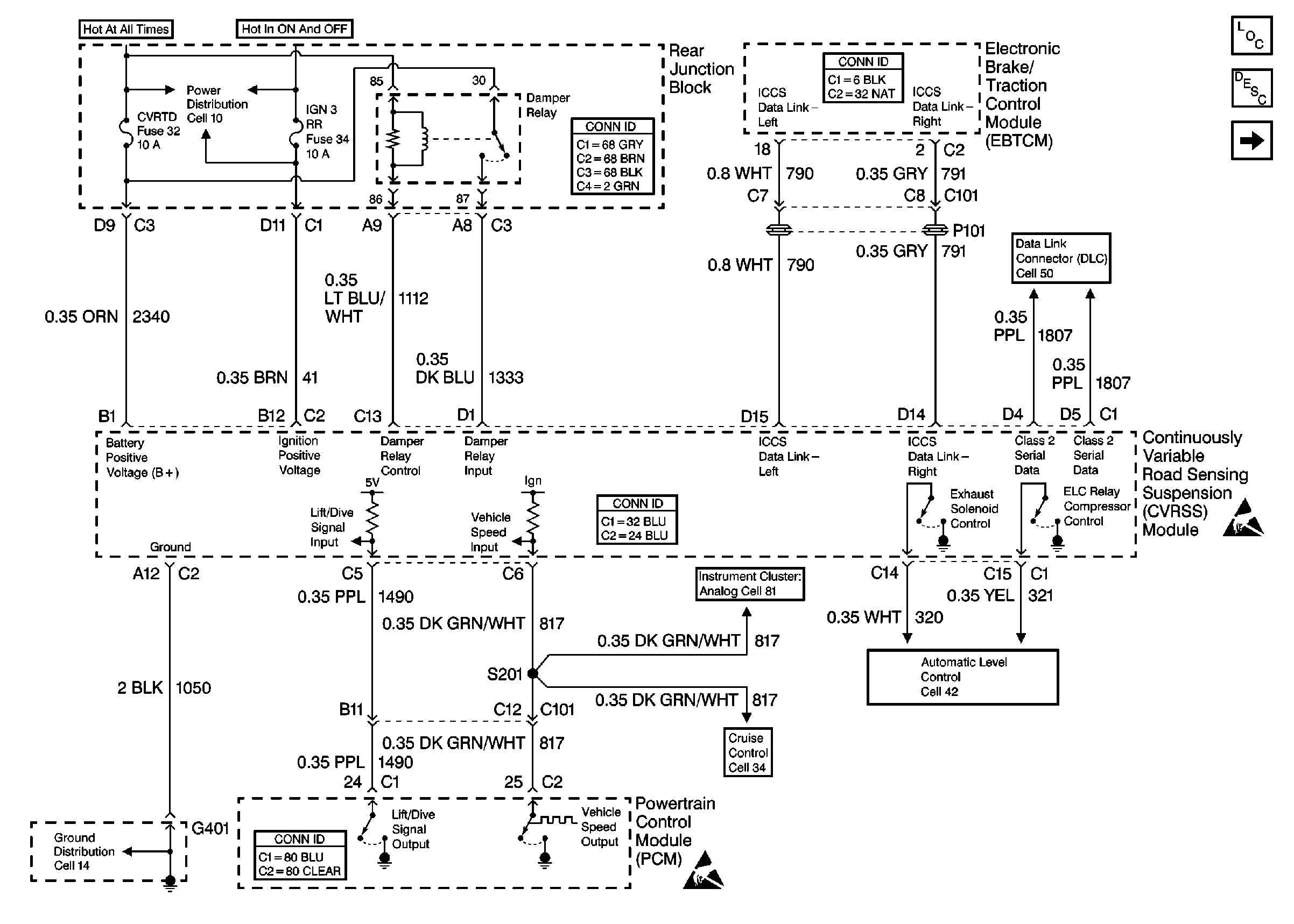
Suspension Controls Components
Road Sensing Suspension General Description
Cell 43: Sensors and Actuators
Cell 10: NSBU, F/PMP, CVRTD, and BODY Fuses
Cell 10: IGN 3 RR Fuse
Cell 10: NSBU, F/PMP, CVRTD, and BODY Fuses
Cell 14: G401 (1 of 3)
Cell 50: Class Serial Data Line (1 of 2)
Cell 34: Cruise Control Module PCM Controls and Vehicle Speed Input
Cell 81: Coolant, Brake Fluid, Park Brake and Washer Fluid Inputs
Suspension Controls Schematic Icons
Suspension Controls Schematic Icons