GM Service Manual Online
For 1990-2009 cars only
Figure 1:

PASS-Key LHD


Object Number: 575983  Size: FS
IGN SW, HTDST LR, HTDST RR, and HTDST RF Fuses
Ignition Switch
Ignition Switch
Ignition Switch
Starter Solenoid Control
Class 2 Serial Data Line (LH Drive)
Pass-Key RHD
Theft Deterrent System Components
Vehicle Theft Deterrent (VTD)Circuit Description
Start Circuit Breaker and ACC, WSW Fuses
Start Circuit Breaker and ACC, WSW Fuses
Start Circuit Breaker and ACC, WSW Fuses
G201 (Partial)
Figure 2:

Pass-Key RHD


Object Number: 594066  Size: FS
IGN SW, HTDST LR, HTDST RR, and HTDST RF Fuses
Ignition Switch
Ignition Switch
Starter Solenoid Control
Theft Deterrent System Components
Vehicle Theft Deterrent (VTD)Circuit Description
PASS-Key LHD
Class 2 Serial Data Line (LH Drive)
PCM BATT, EXPORT BRK, IP, ABS Sol, and ABS MOT Fuses
Start Circuit Breaker and ACC, WSW Fuses
Start Circuit Breaker and ACC, WSW Fuses
G201 (Partial)
G201 (Partial)
Figure 3:

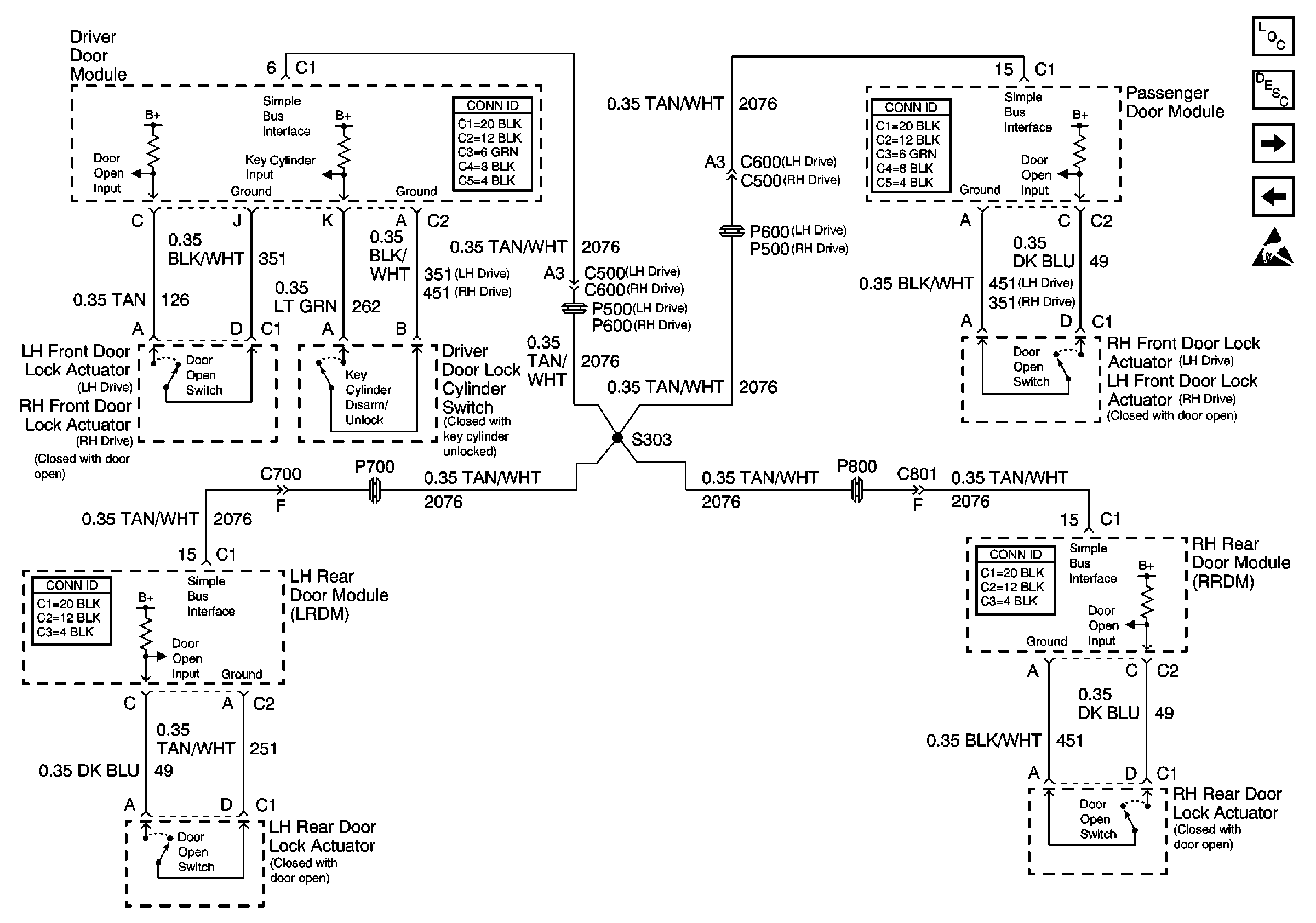
CTD Door Switch Inputs


Object Number: 575990  Size: FS
Theft Deterrent System Components
Vehicle Theft Deterrent (VTD)Circuit Description
CTD Outputs, Tamper Switches, and Class 2
Pass-Key RHD
Handling ESD Sensitive Parts Notice
Figure 4:

CTD Outputs, Tamper Switches, and Class 2


Object Number: 575997  Size: FS
Theft Deterrent System Components
Vehicle Theft Deterrent (VTD)Circuit Description
CTD Door Switch Inputs
Handling ESD Sensitive Parts Notice
Handling ESD Sensitive Parts Notice
Handling ESD Sensitive Parts Notice
Handling ESD Sensitive Parts Notice
Class 2 Serial Data Line (LH Drive)
Horns Schematic
G402 1 of 2
G104