GM Service Manual Online
For 1990-2009 cars only
Makes
🢒
Cadillac
🢒
2000
🢒
Seville
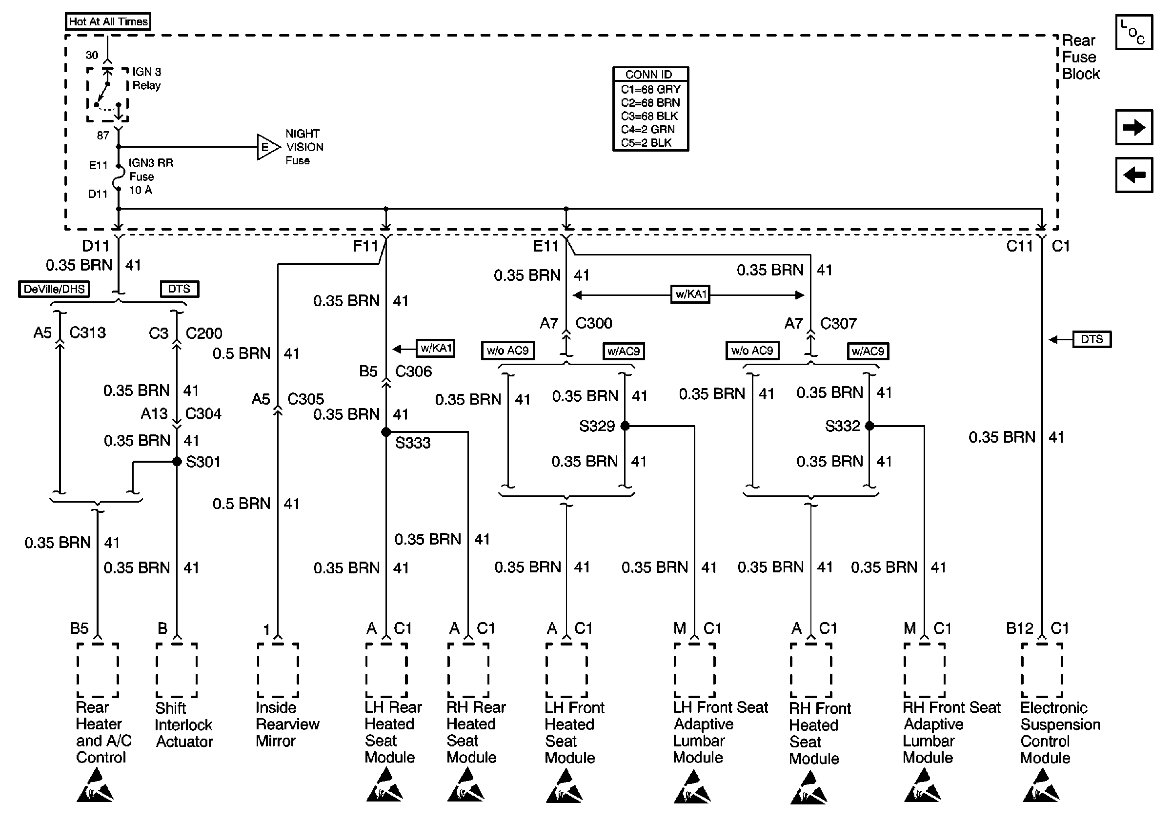
🢒 IGN 3 Fuse
IGN 3 Fuse
IGN 3 Fuse
Power and Grounding Components
ELC, NIGHT VISION, HVAC, and ABS Fuses
PRK/REV, PRK BRK, and RR DEFOG Fuses
ELC, NIGHT VISION, HVAC, and ABS Fuses
Power and Grounding Connector End Views Fuse Blocks and Ignition Switch
Handling ESD Sensitive Parts Notice
Handling ESD Sensitive Parts Notice
Handling ESD Sensitive Parts Notice
Handling ESD Sensitive Parts Notice
Handling ESD Sensitive Parts Notice
Handling ESD Sensitive Parts Notice
Handling ESD Sensitive Parts Notice
Handling ESD Sensitive Parts Notice