GM Service Manual Online
For 1990-2009 cars only
Makes
🢒
Cadillac
🢒
2000
🢒
Seville
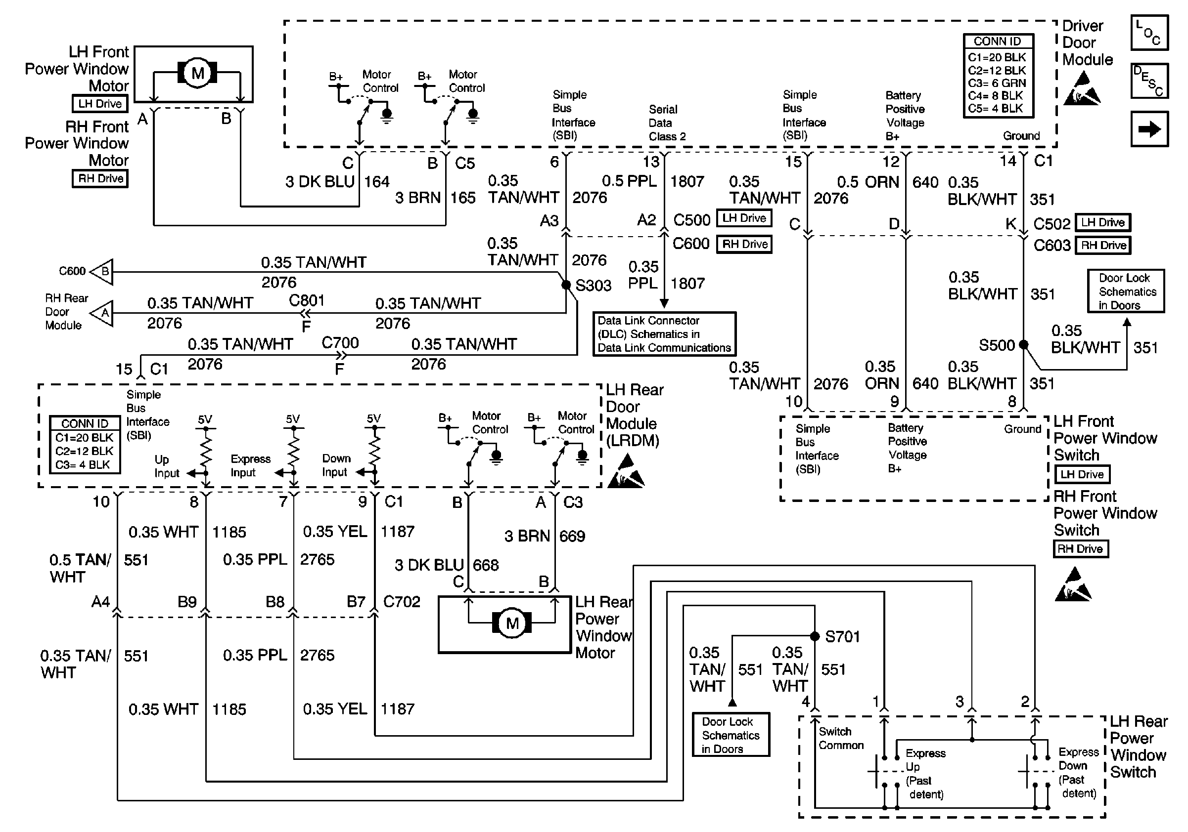
🢒 LH Power Windows
LH Power Windows
LH Power Windows
RH Power Window
Handling ESD Sensitive Parts Notice
Handling ESD Sensitive Parts Notice
DDM, LH Actuator, LR Switch and LR Actuator
Class 2 Serial Data Line (LH Drive)
DDM, LH Actuator, LR Switch and LR Actuator
Power Windows Circuit Description
Power Door Systems Components
Power Windows Circuit Description
RH Power Window