GM Service Manual Online
For 1990-2009 cars only
Makes
🢒
Cadillac
🢒
2000
🢒
Seville
🢒 With Memory (A45)
With Memory (A45)
With Memory (A45)
Power Seat Systems Components
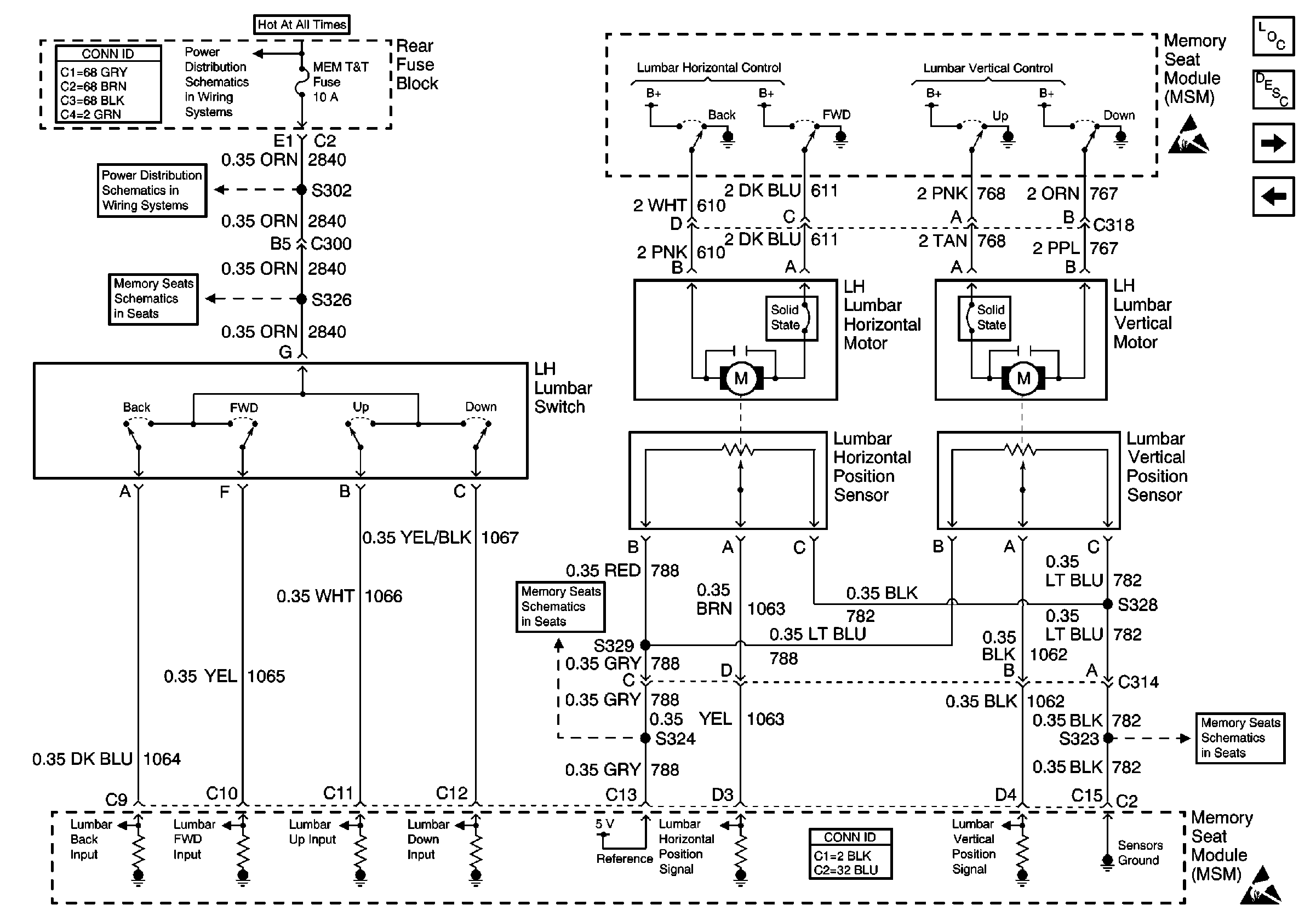
Power Lumbar Circuit Description AL2
Handling ESD Sensitive Parts Notice
MEM T/T, PWR T/T and TSIG/HAZ Fuse
MEM T/T, PWR T/T and TSIG/HAZ Fuse
PWR, GND, LH Seat Switch, and MSM
Front Height, Rear Height, Forward/Back Motors and Position Sensors
Front Height, Rear Height, Forward/Back Motors and Position Sensors
Handling ESD Sensitive Parts Notice
Right Adaptive Seat
Power and Ground