GM Service Manual Online
For 1990-2009 cars only
Makes
🢒
Cadillac
🢒
2000
🢒
Seville
🢒 Right Adaptive Seat
Right Adaptive Seat
Right Adaptive Seat
Power Seat Systems Components
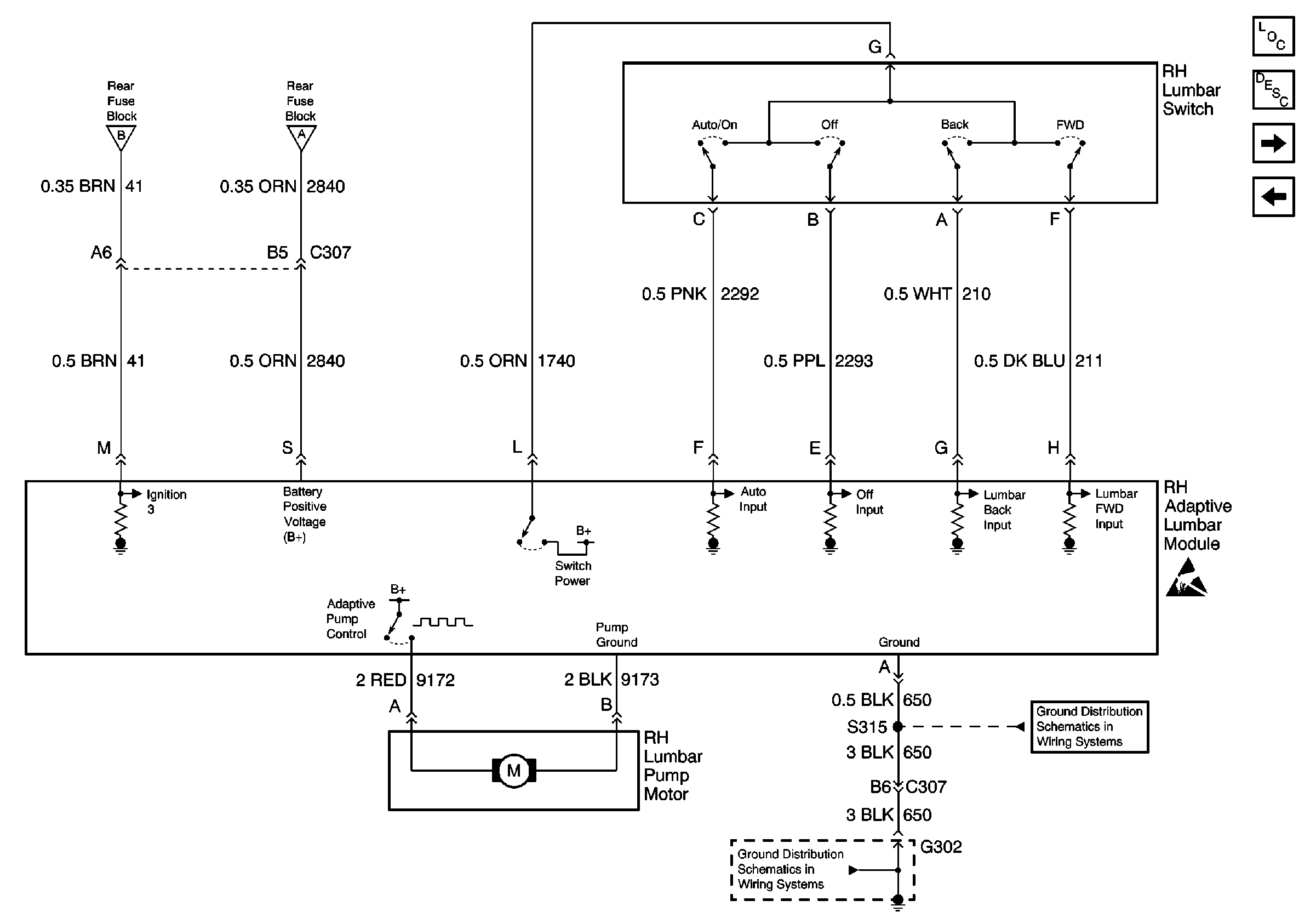
Power Lumbar Circuit Description AL2
Left Adaptive Seat
Handling ESD Sensitive Parts Notice
Left Adaptive Seat
G302 2 of 2
G302 2 of 2
With Memory (A45)