GM Service Manual Online
For 1990-2009 cars only
Makes
🢒
Cadillac
🢒
2001
🢒
Seville
🢒
Restraints
🢒
Seat Belts
🢒 Seat Belt Schematics
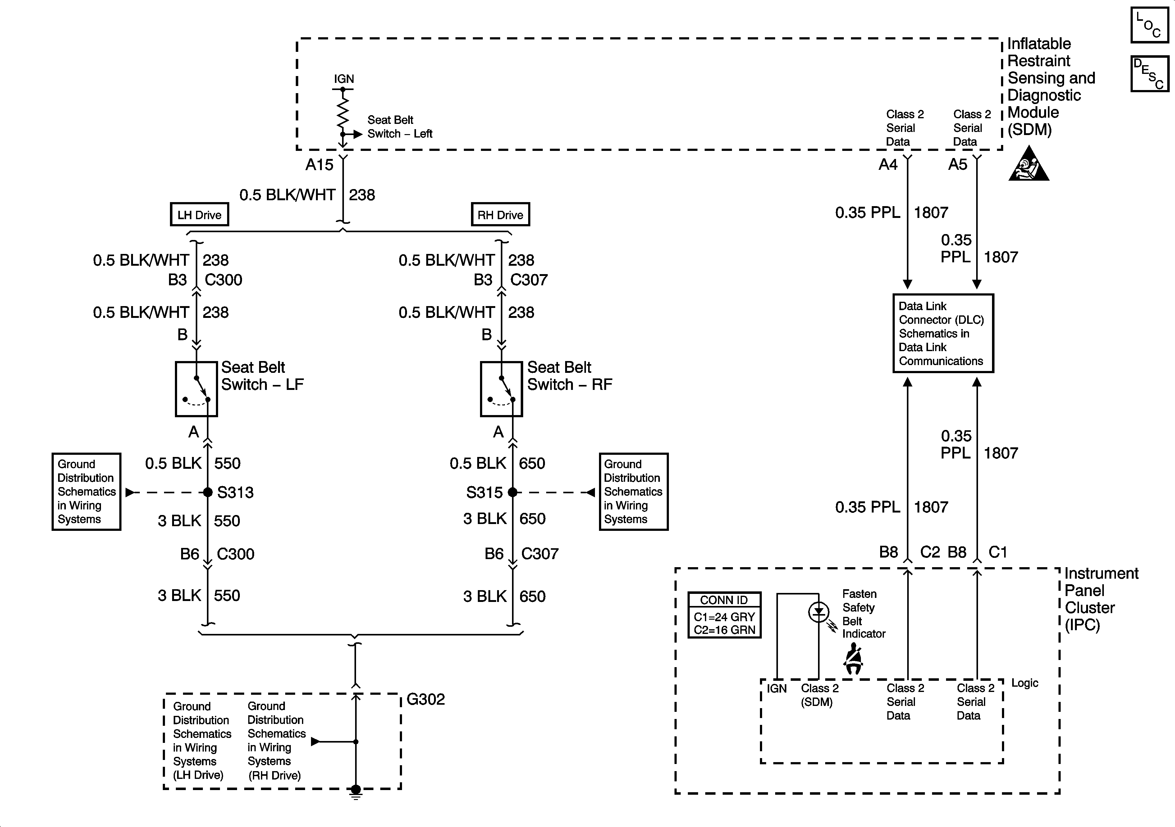
Fasten Seat Belt Indicator and Switch
Seat Belt Component Views
Seat Belt System Description and Operation
SIR Caution
Class 2 Serial Data Line (LH Drive) (2 of 2)
G302 (LH Drive)
G302 (RH Drive)