GM Service Manual Online
For 1990-2009 cars only
Figure 1:

Class 2 Signals


Object Number: 642284  Size: FS
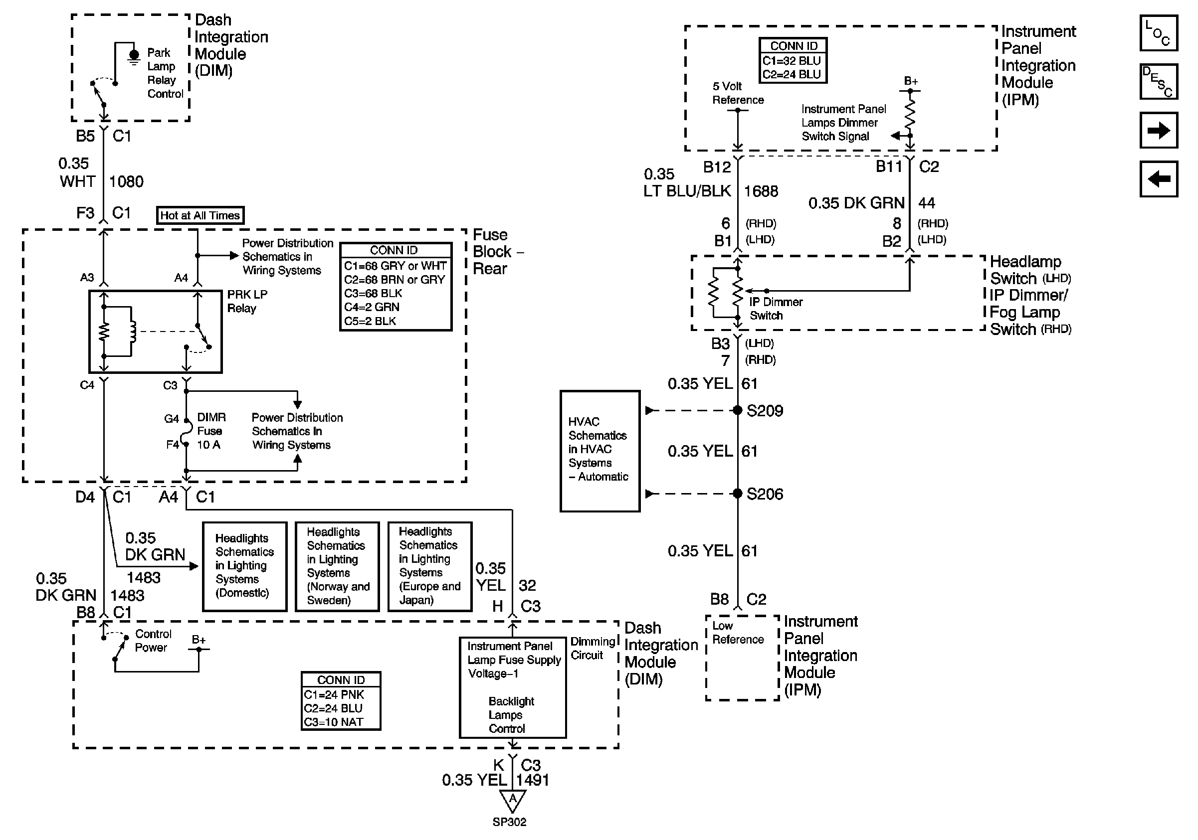
Dimming Control
Lighting Systems Component Views
Interior Lighting Systems Description and Operation
Class 2 Serial Data Line (LH Drive) (1 of 2)
Figure 2:

Dimming Control


Object Number: 642286  Size: FS
Class 2 Signals
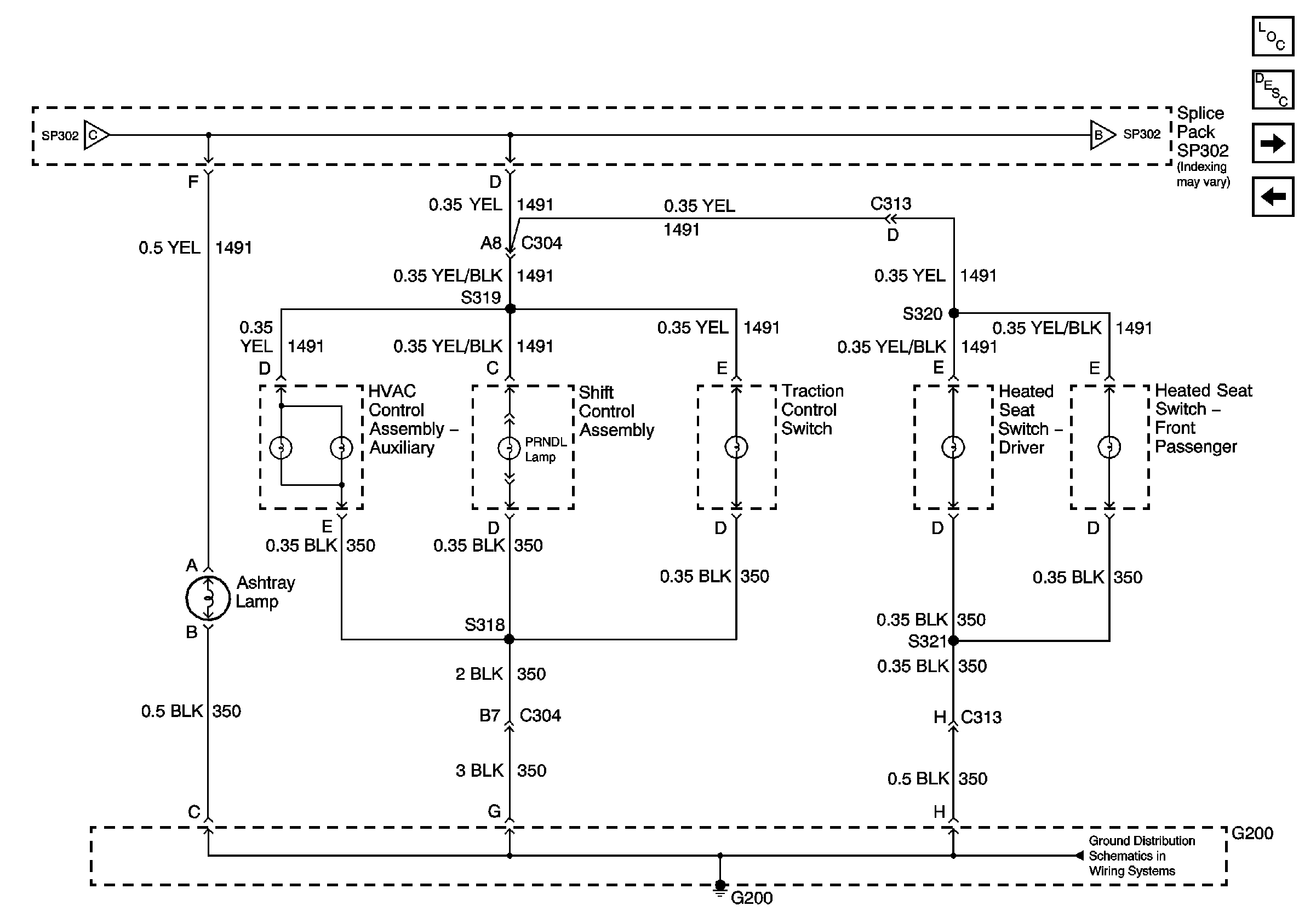
Ashtray Lamp and Steering Wheel Controls
Lighting Systems Component Views
Interior Lighting Systems Description and Operation
Battery Feeds
Battery Feeds
Low Beam Headlamps
Low Beam Headlamps
Low Beam Headlamps
DIC and Headlamp Switch
Figure 3:

Ashtray Lamp and Steering Wheel Controls


Object Number: 642287  Size: FS
Dimming Control
DIC and Headlamp Switch
Lighting Systems Component Views
Interior Lighting Systems Description and Operation
Steering Wheel Controls
DIC and Headlamp Switch
Figure 4:

DIC and Headlamp Switch


Object Number: 642289  Size: FS
Ashtray Lamp and Steering Wheel Controls
Front Door Dimming
Lighting Systems Component Views
Interior Lighting Systems Description and Operation
Ashtray Lamp and Steering Wheel Controls
Dimming Control
G401 (2 of 3)
G201 (2 of 3)
G201 (2 of 3)
Figure 5:

Steering Wheel Controls


Object Number: 757655  Size: FS
Ashtray Lamp and Steering Wheel Controls
G200
G200
Figure 6:

Front Door Dimming


Object Number: 642291  Size: FS
DIC and Headlamp Switch
Rear Door Dimming
Lighting Systems Component Views
Interior Lighting Systems Description and Operation
Power Door Serial Data
Figure 7:

Rear Door Dimming


Object Number: 642292  Size: FS
Front Door Dimming
Lighting Systems Component Views
Interior Lighting Systems Description and Operation
Power Door Serial Data