GM Service Manual Online
For 1990-2009 cars only
Makes
🢒
Cadillac
🢒
2001
🢒
Seville
🢒 Left Adaptive Seat
Left Adaptive Seat
Left Adaptive Seat
Power, Ground, and Components
Right Adaptive Seat
Power Seat Component Views
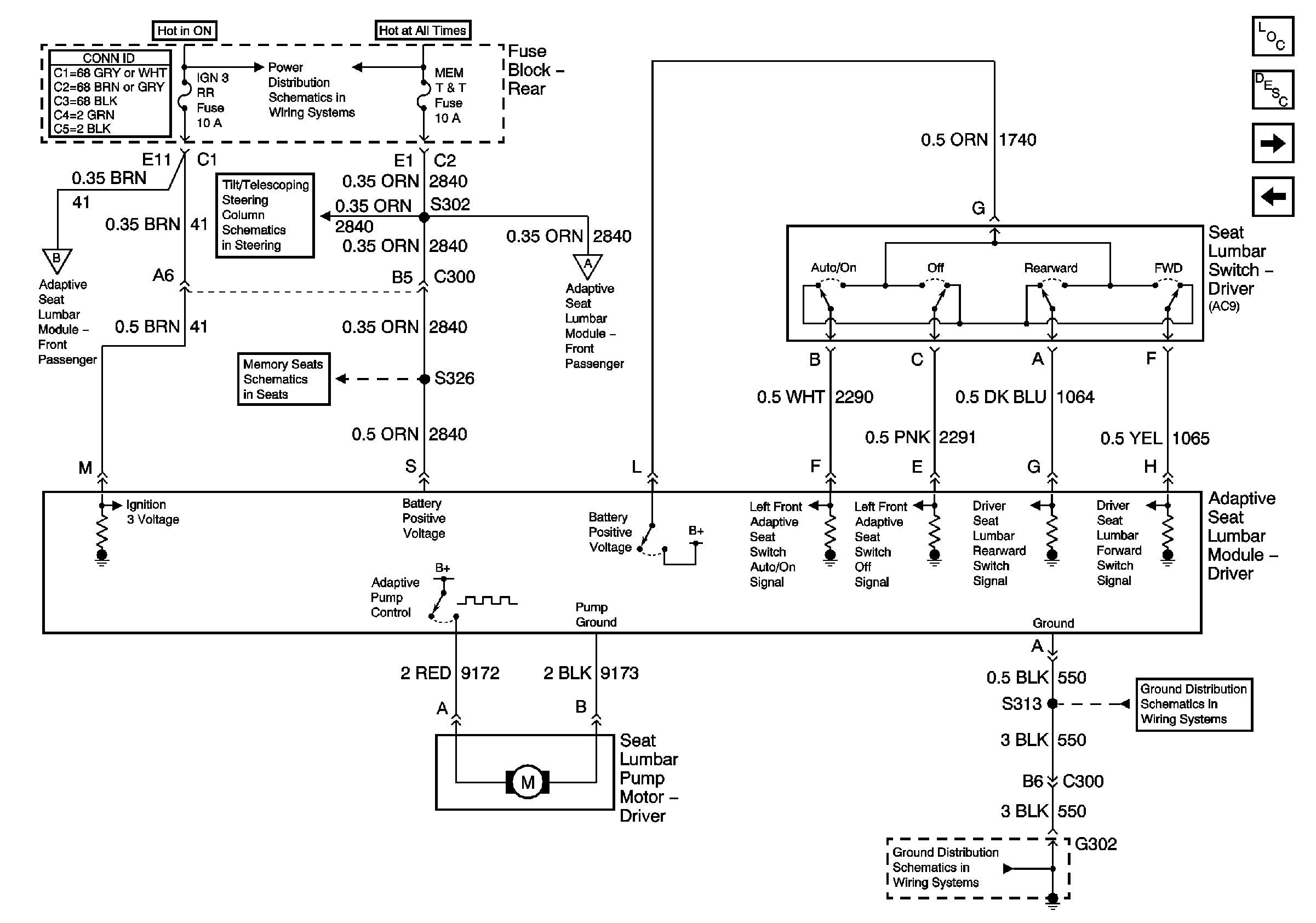
Lumbar Support Description and Operation with AC9
Battery Feeds
Right Adaptive Seat
Power and Ground
Power, Ground, LH Seat Switch, and Memory Seat Module
Right Adaptive Seat
G302 (RH Drive)
G302 (RH Drive)