GM Service Manual Online
For 1990-2009 cars only
Figure 1:

Memory/Personalization Function Switch


Object Number: 792069  Size: FS
Master Electrical Component List
Memory Seats Description and Operation
Power and Ground
Class 2 Serial Data Line (LH Drive) (2 of 2)
Front Door Dimming
Figure 2:

Power and Ground


Object Number: 792070  Size: FS
Master Electrical Component List
Memory Seats Description and Operation
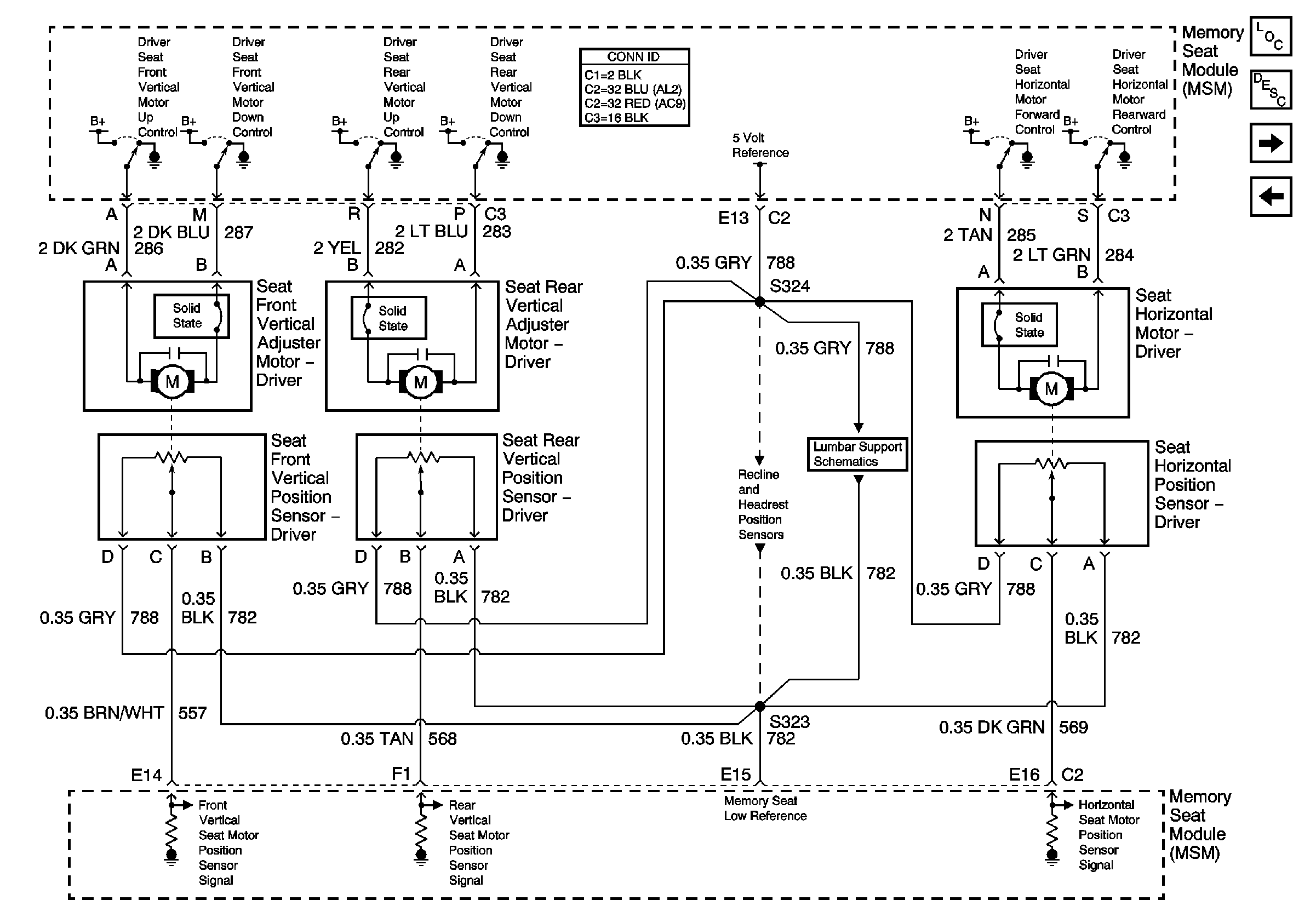
Vertical and Horizontal Motors and Position Sensors
Memory/Personalization Function Switch
G201 3 of 5 (LH Drive)
G201 3 of 5 (LH Drive)
PWR SEAT Circuit Breaker and CVRTD Fuses
Battery Feed to Fuse Block - Rear
Battery Feed to Fuse Block - Rear
MEM T&T, PWR T&T, and TSIG/HAZ Fuses
MEM T&T, PWR T&T, and TSIG/HAZ Fuses
Figure 3:

Vertical and Horizontal Motors and Position Sensors


Object Number: 792071  Size: FS
Master Electrical Component List
Memory Seats Description and Operation
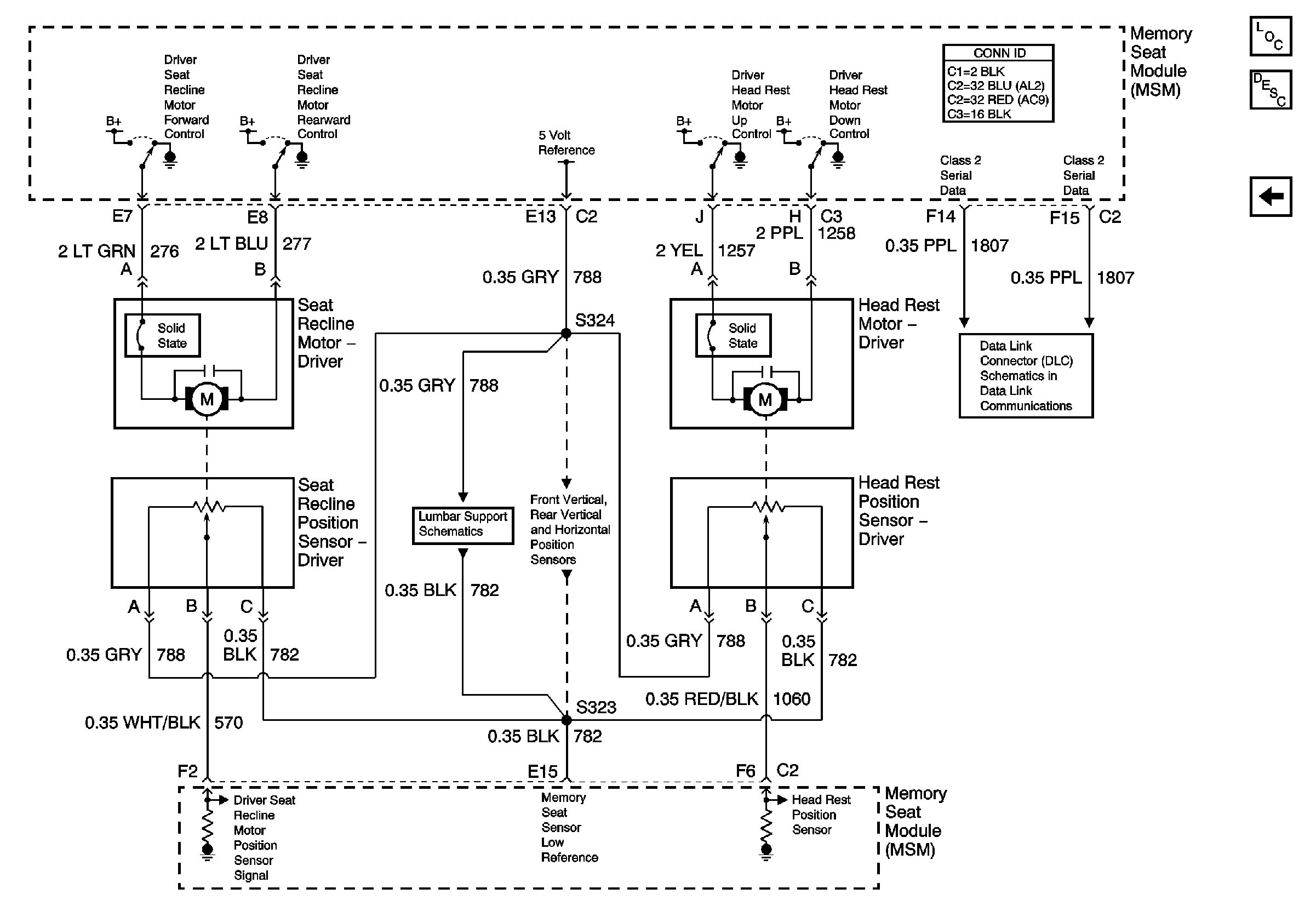
Seat Recline and Headrest Motors and Position Sensors
Power and Ground
Seat Lumbar Switch - Driver and Memory Seat Module
Figure 4:

Seat Recline and Headrest Motors and Position Sensors


Object Number: 792093  Size: FS
Master Electrical Component List
Memory Seats Description and Operation
Vertical and Horizontal Motors and Position Sensors
Class 2 Serial Data Line (LH Drive) (2 of 2)
Seat Lumbar Switch - Driver and Memory Seat Module