GM Service Manual Online
For 1990-2009 cars only
Makes
🢒
Cadillac
🢒
2002
🢒
Seville
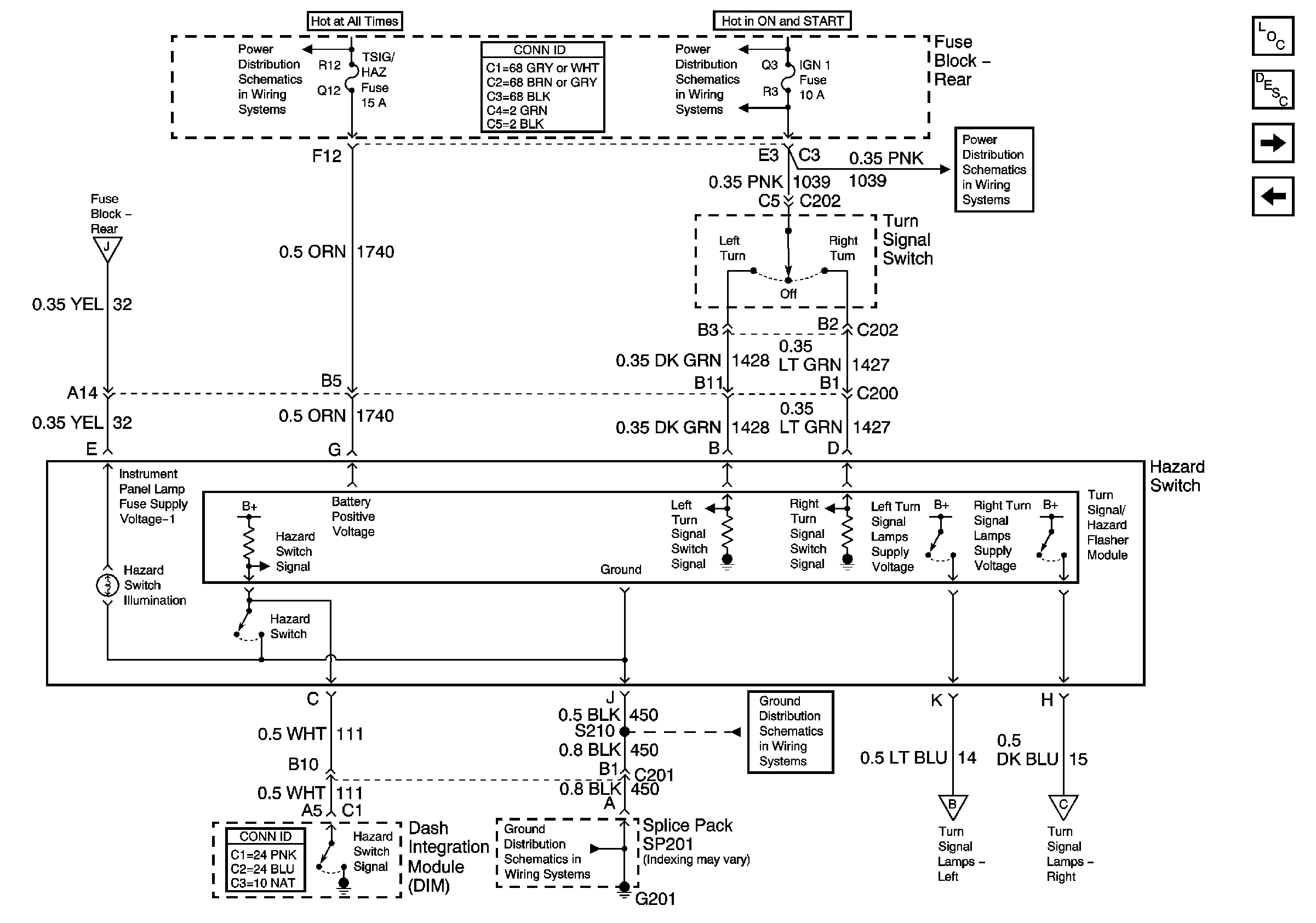
🢒 Hazard Switch
Hazard Switch
Hazard Switch
Master Electrical Component List
Exterior Lighting Systems Description and Operation
Stop Lamp Switch
Park Lamp and Class 2 (RH Drive)
Right Exterior Lights
Left Exterior Lights
G201 2 of 3
G201 2 of 3
License, Underhood, and Cornering Lamps
Battery Feed to Fuse Block - Rear
Battery Feed to Fuse Block - Rear