GM Service Manual Online
For 1990-2009 cars only
Makes
🢒
Cadillac
🢒
2002
🢒
Seville
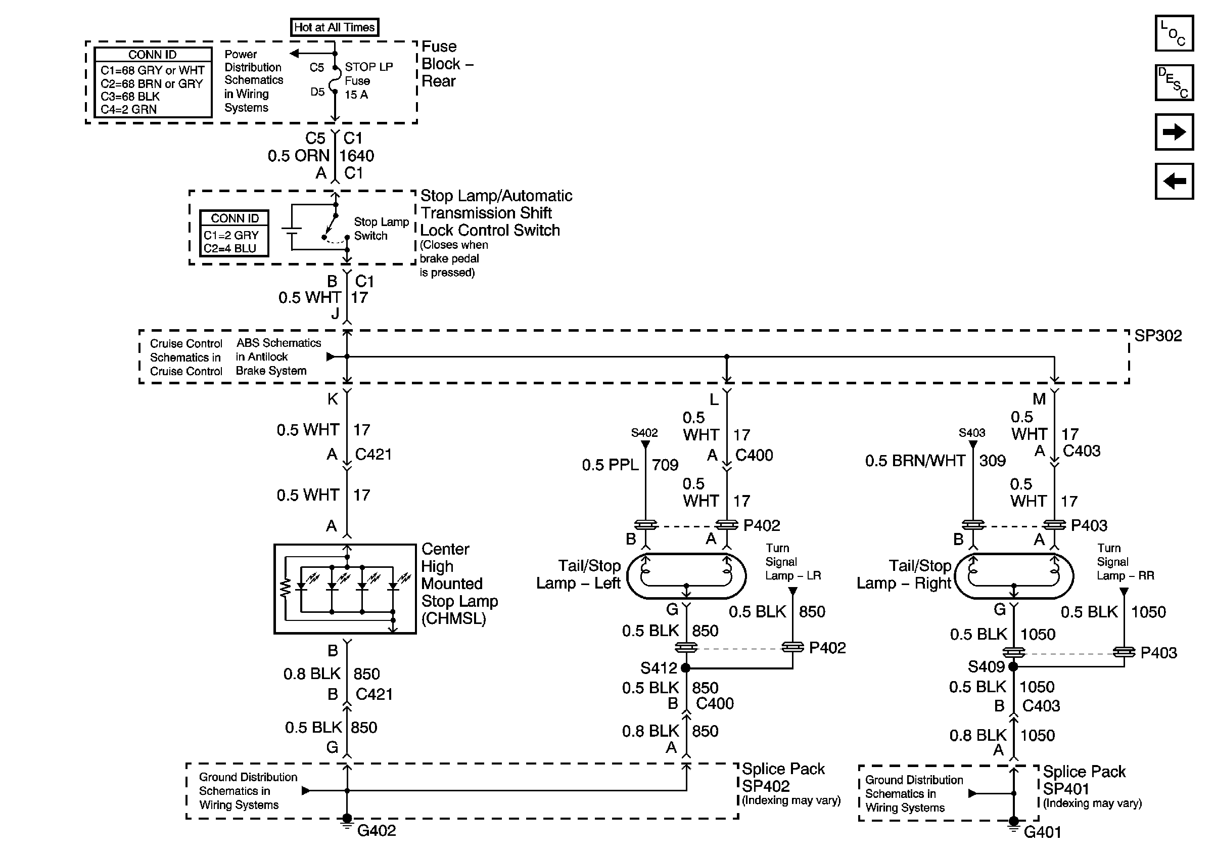
🢒 Stop Lamp Switch
Stop Lamp Switch
Stop Lamp Switch
Master Electrical Component List
Exterior Lighting Systems Description and Operation
Right Exterior Lights
Hazard Switch
G401 1 of 3
G402 1 of 2
PCM Controls and Class 2
Power, Ground, Stop Lamp Switch, Solenoid Valves, and Pump Motor
Battery Feed to Fuse Block - Rear