GM Service Manual Online
For 1990-2009 cars only
Makes
🢒
Cadillac
🢒
2002
🢒
Seville
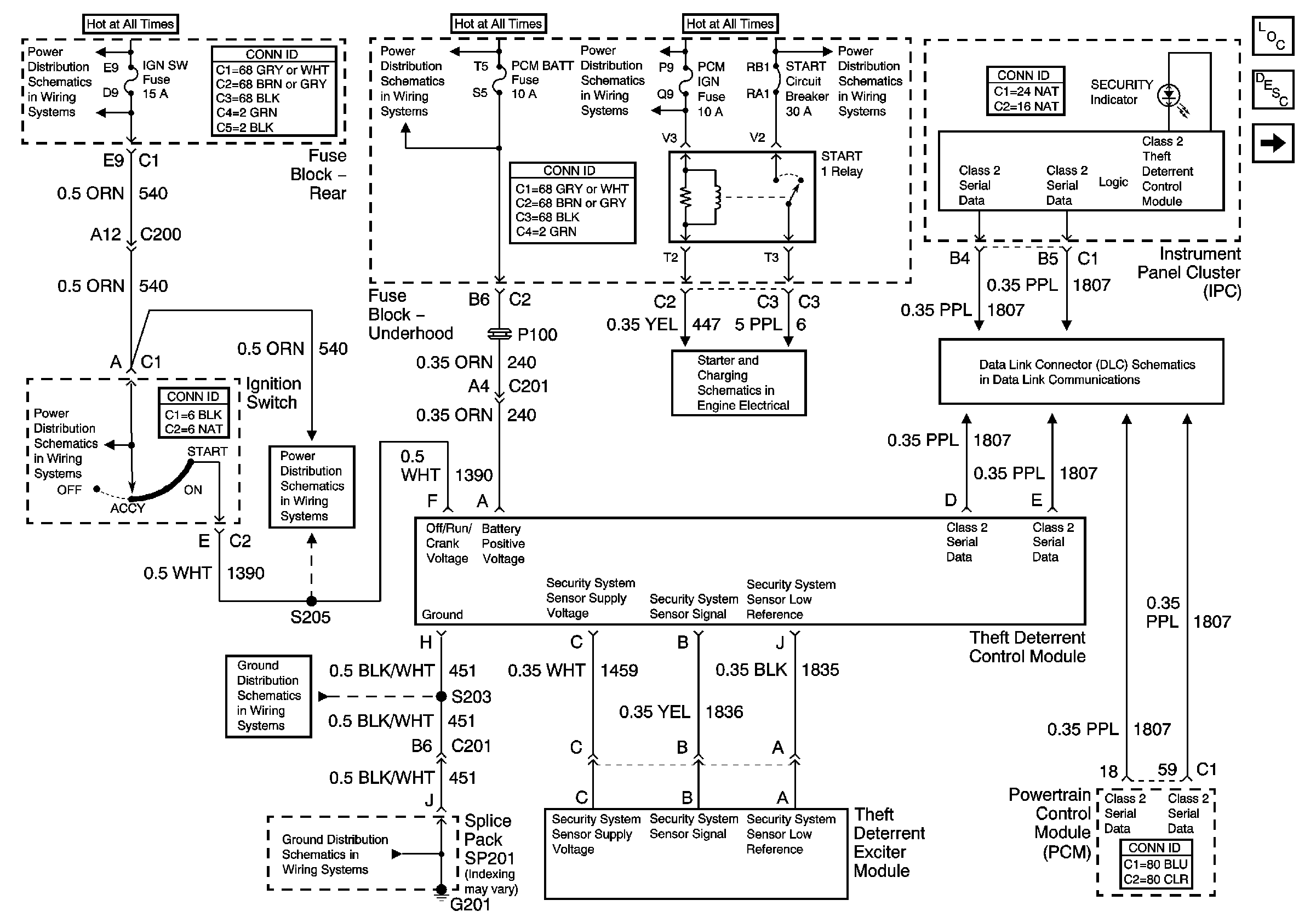
🢒 Vehicle Theft Deterrent (VTD) System (LH Drive)
Vehicle Theft Deterrent (VTD) System (LH Drive)
Vehicle Theft Deterrent (VTD) System (LH Drive)
Master Electrical Component List
Theft Systems Description and Operation
Vehicle Theft Deterrent (VTD) System (RH Drive)
G202 1 of 3
G202 1 of 3
Ignition Switch Supply
Ignition Switch Supply
Battery Feed to Fuse Block - Rear
Battery Feed to Fuse Block - Underhood
Battery Feed to Fuse Block - Underhood
Battery Feed to Fuse Block - Underhood
Class 2 Serial Data Line (LH Drive) (1 of 2)
Starting Controls