GM Service Manual Online
For 1990-2009 cars only
Makes
🢒
Cadillac
🢒
2002
🢒
Seville
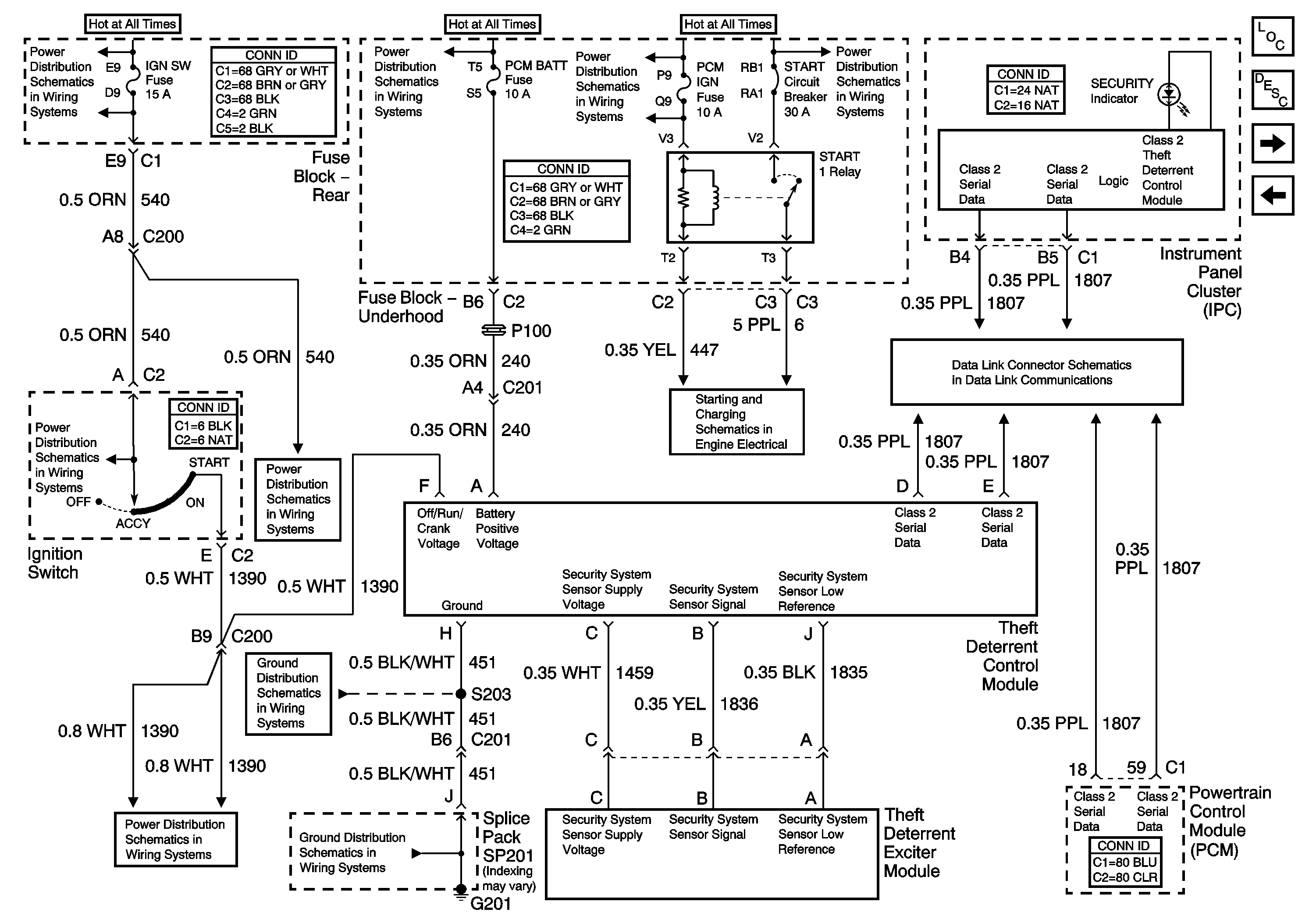
🢒 Vehicle Theft Deterrent (VTD) System (RH Drive)
Vehicle Theft Deterrent (VTD) System (RH Drive)
Vehicle Theft Deterrent (VTD) System (RH Drive)
Master Electrical Component List
Theft Systems Description and Operation
Content Theft Deterrent (CTD) System
Vehicle Theft Deterrent (VTD) System (LH Drive)
Class 2 Serial Data Line (RH Drive) (2 of 2)
Starting Controls
G202 1 of 3
G202 1 of 3
Ignition Switch Supply
Ignition Switch Supply
Ignition Switch Supply
Battery Feed to Fuse Block - Rear
Battery Feed to Fuse Block - Underhood
Battery Feed to Fuse Block - Underhood
Battery Feed to Fuse Block - Underhood