GM Service Manual Online
For 1990-2009 cars only
Makes
🢒
Cadillac
🢒
2002
🢒
Seville
🢒 Class 2 and Tamper Switches
Class 2 and Tamper Switches
Class 2 and Tamper Switches
Master Electrical Component List
Theft Systems Description and Operation
Content Theft Deterrent (CTD) System
G104
G402 1 of 2
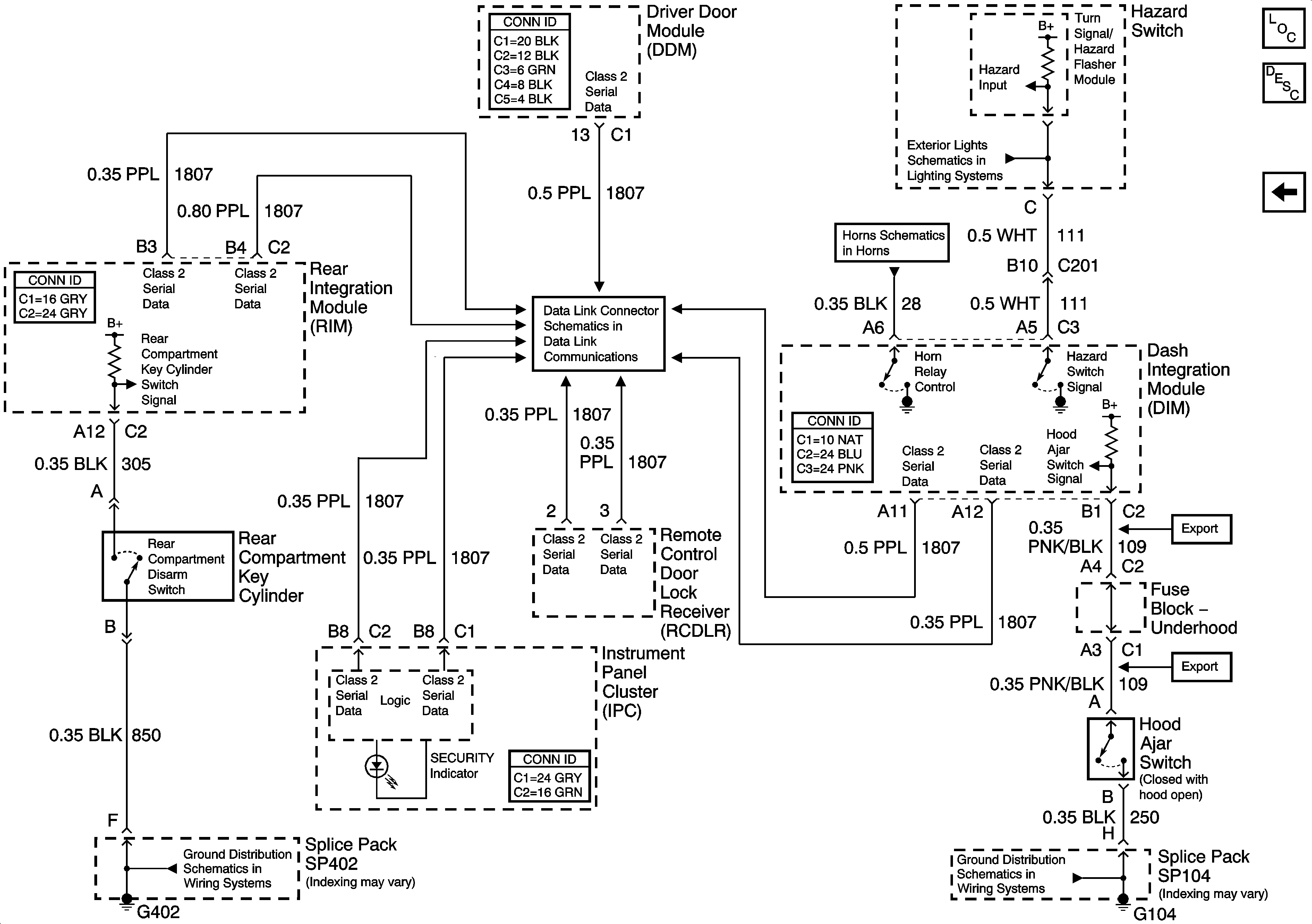
Class 2 Serial Data Line (LH Drive) (1 of 2)
Power and Ground