GM Service Manual Online
For 1990-2009 cars only
Makes
🢒
Cadillac
🢒
2003
🢒
Seville
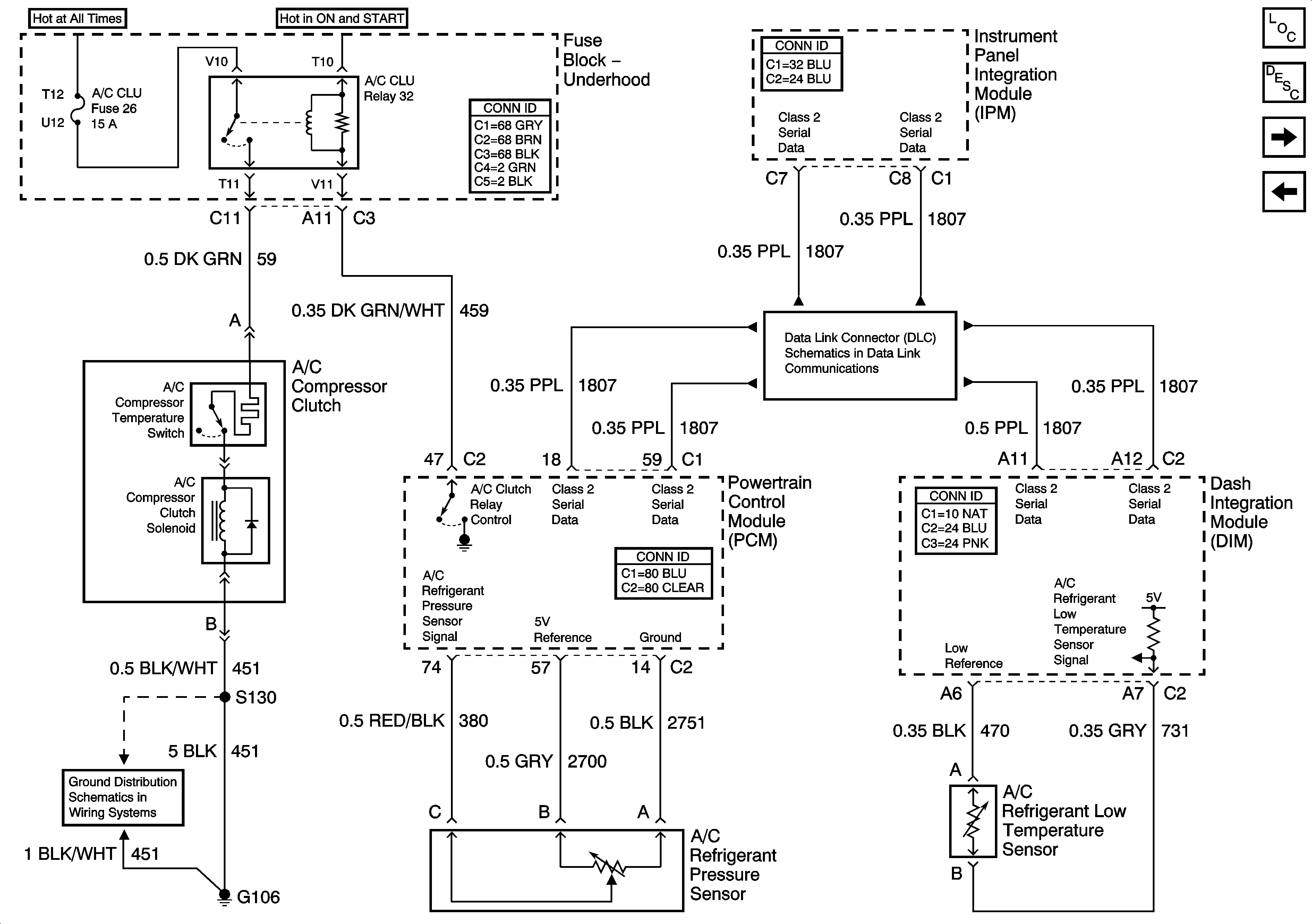
🢒 A/C Compressor Clutch
A/C Compressor Clutch
A/C Compressor Clutch
Master Electrical Component List
Air Temperature Description and Operation
Electric Actuators
Blower Motor - Auxiliary
G106
Serial Data Line (LH Drive) (1 of 2)