GM Service Manual Online
For 1990-2009 cars only
Makes
🢒
Cadillac
🢒
2004
🢒
Seville
🢒
Brakes
🢒
Hydraulic Brakes
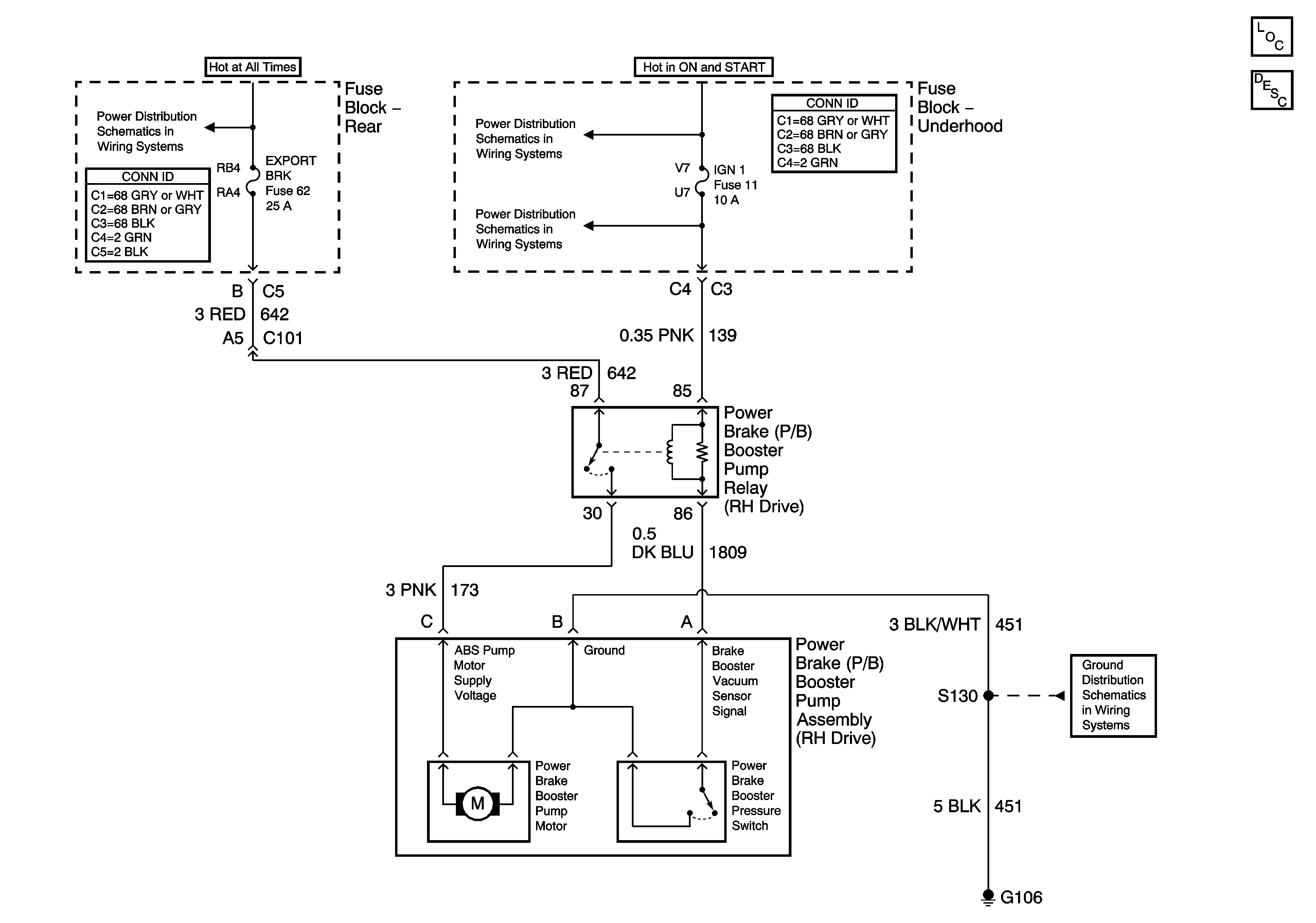
🢒 Power Brake Booster Pump Schematics
Master Electrical Component List
Brake Booster Pump Description and Operation Right Drive
Power Distribution Schematics-NAV, EXPORT BRK and SDAR Fuses
Power Distribution Schematics-Ignition 1 Fuse
Ground Distribution Schematics-G106