GM Service Manual Online
For 1990-2009 cars only
Makes
🢒
Cadillac
🢒
2004
🢒
Seville
🢒 Brake Warning System Schematics
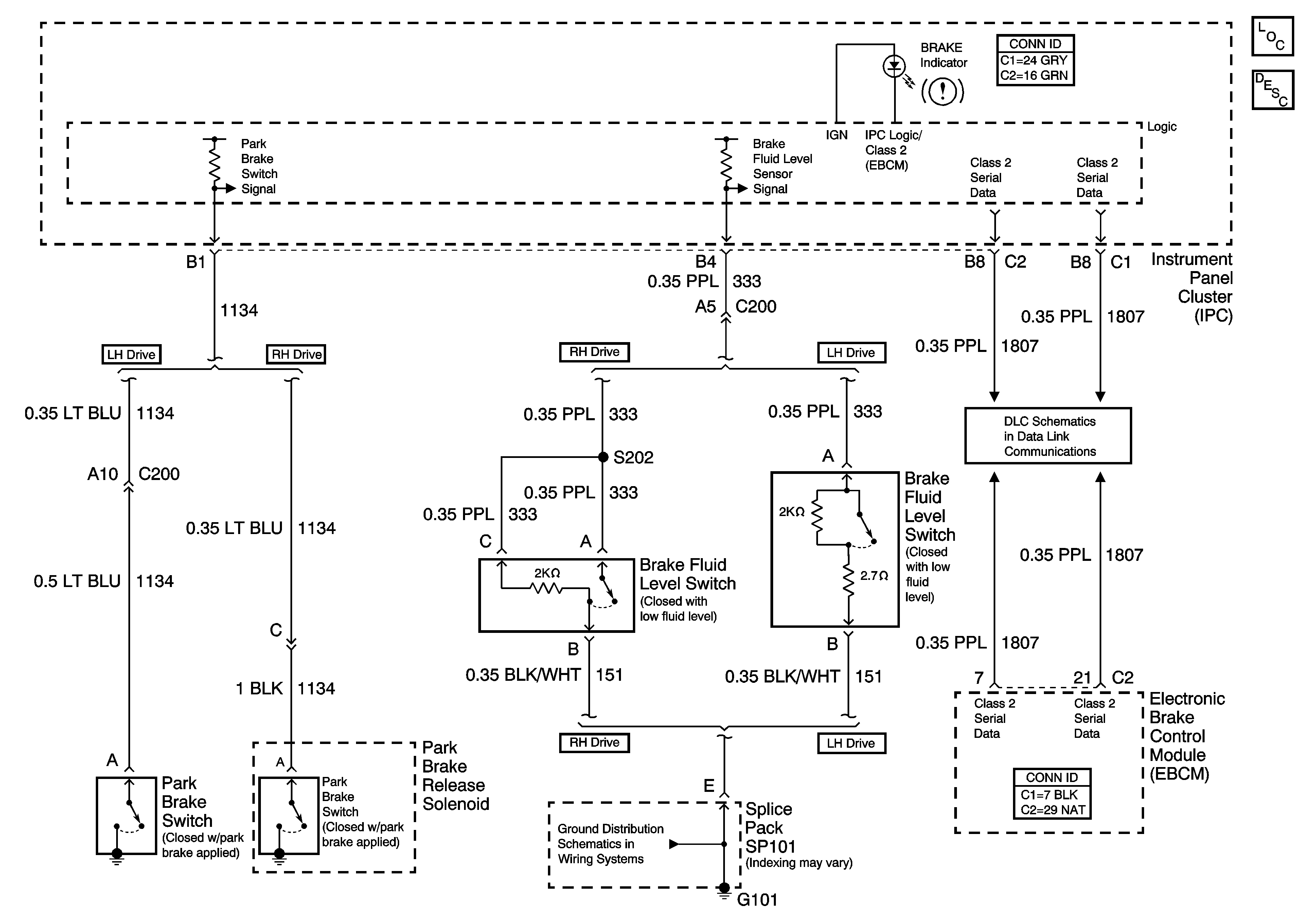
Brake Warning System Schematics
Master Electrical Component List
Brake Warning System Description and Operation
Data Link Connector (DLC) Schematics-Serial Data Line (LH Drive) (1 of 2)
Gound Distribution Schematics-G101 and G105