GM Service Manual Online
For 1990-2009 cars only
Makes
🢒
Cadillac
🢒
2004
🢒
Seville
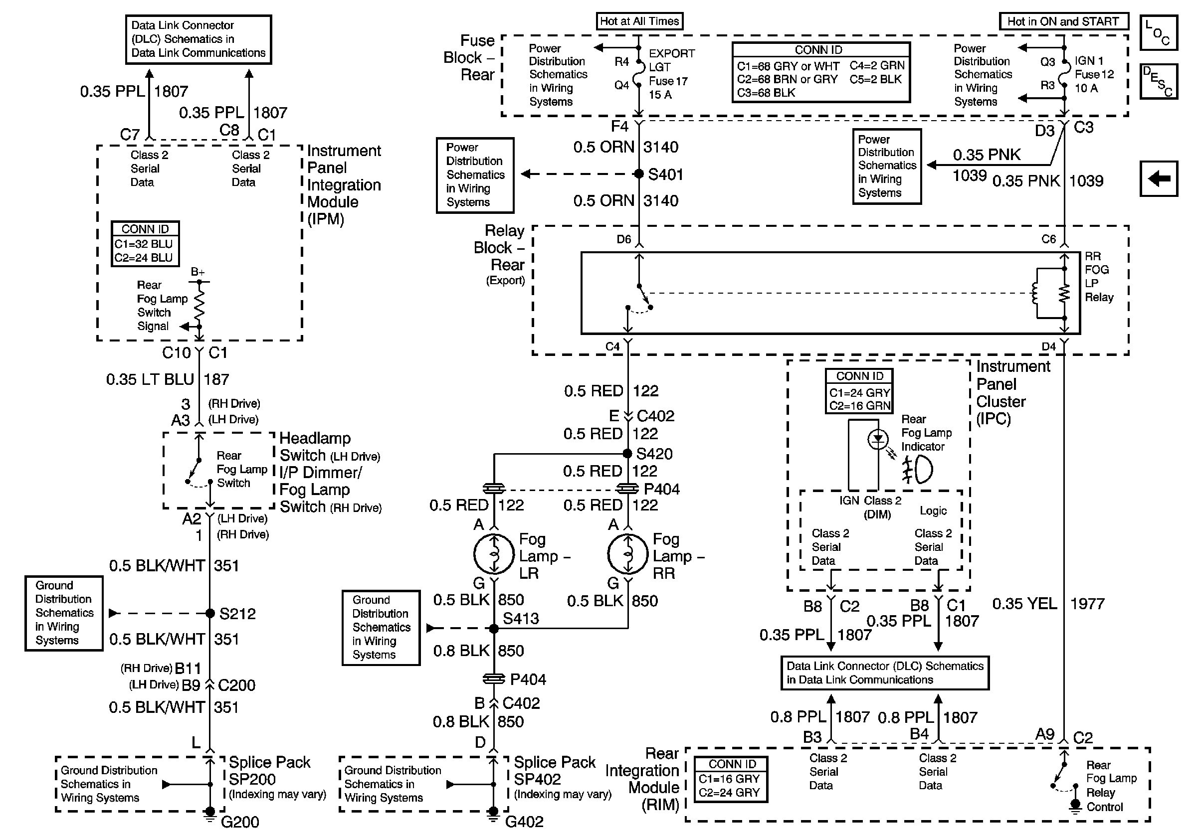
🢒 Fog Lights Schematics-Rear Fog Lamps
Fog Lights Schematics-Rear Fog Lamps
Rear Fog Lamps
Master Electrical Component List
Exterior Lighting Systems Description and Operation
Fog Lights Schematics-Front Fog Lamps
Data Link Connector (DLC) Schematics-Serial Data Line (LH Drive) (1 of 2)
Data Link Connector (DLC) Schematics-Serial Data Line (LH Drive) (1 of 2)
Ground Distribution Schematics-G200
Ground Distribution Schematics-G200
Ground Distribution Schematics-G402 (2 of 2)
Ground Distribution Schematics-G402 (2 of 2)
Power Distribution Schematics-Battery Feed to Fuse Block Rear
Power Distribution Schematics-EXPORT LGT Fuse
Power Distribution Schematics-Battery Feed to Fuse Block Rear
Power Distribution Schematics-IGN 1 Relay,SIR,Vent Sol and Ignition 1 Fuses