GM Service Manual Online
For 1990-2009 cars only
Makes
🢒
Cadillac
🢒
2004
🢒
Seville
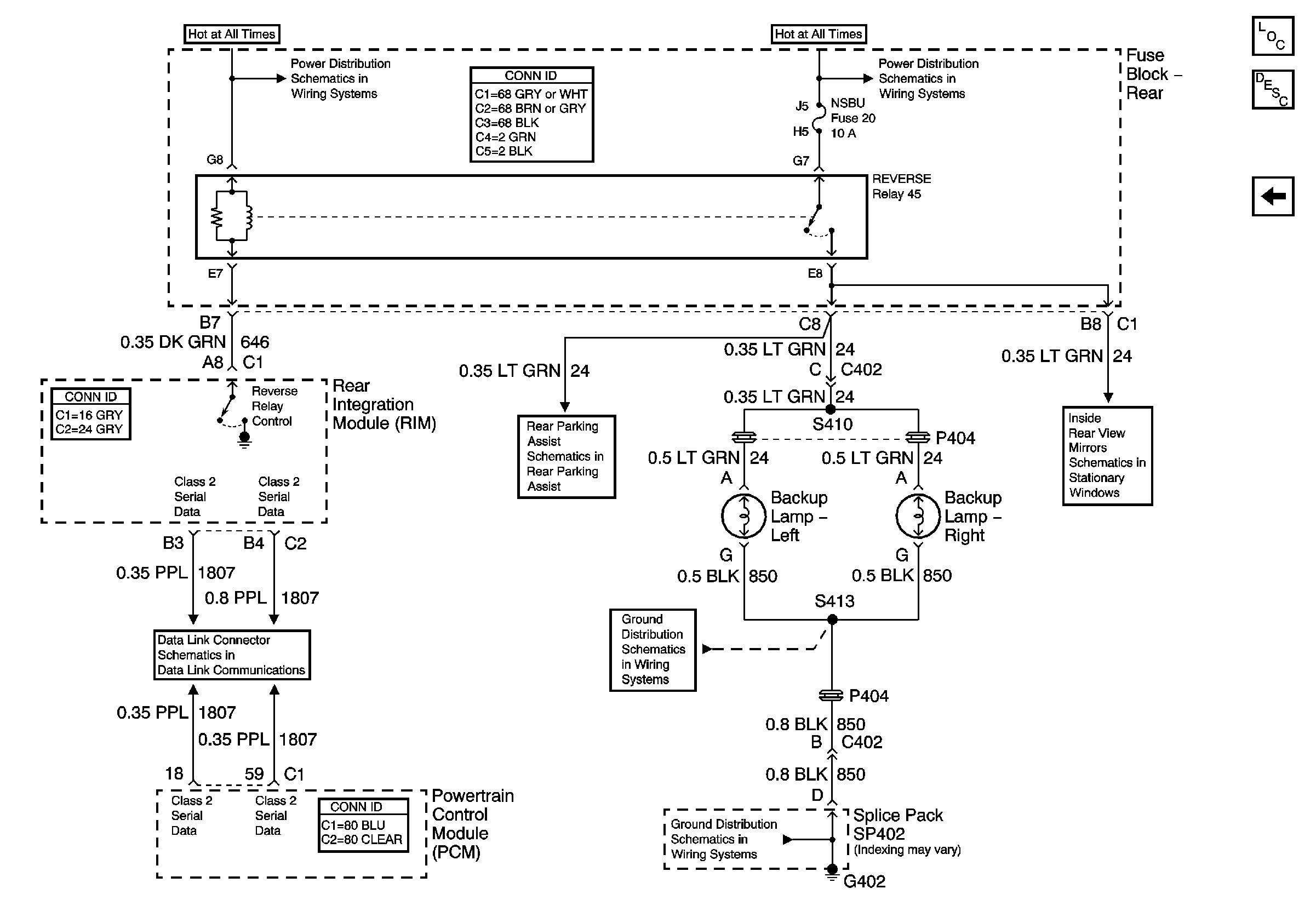
🢒 Exterior Lights Schematics-Backup Lights
Exterior Lights Schematics-Backup Lights
Backup Lights
Master Electrical Component List
Exterior Lighting Systems Description and Operation
Exterior Lights Schematics-License, Underhood, and Cornering Lamps
Power Distribution Schematics-Battery Feed to Fuse Block Rear
Power Distribution Schematics-Battery Feed to Fuse Block Rear
Audible Warnings Schematics-Power and Ground
Inside Rearview Mirror Schematics
Data Link Connector (DLC) Schematics-Serial Data Line (LH Drive) (2 of 2)
Ground Distribution Schematics-G402 (2 of 2)
Ground Distribution Schematics-G402 (2 of 2)