GM Service Manual Online
For 1990-2009 cars only
Makes
🢒
Cadillac
🢒
2004
🢒
Seville
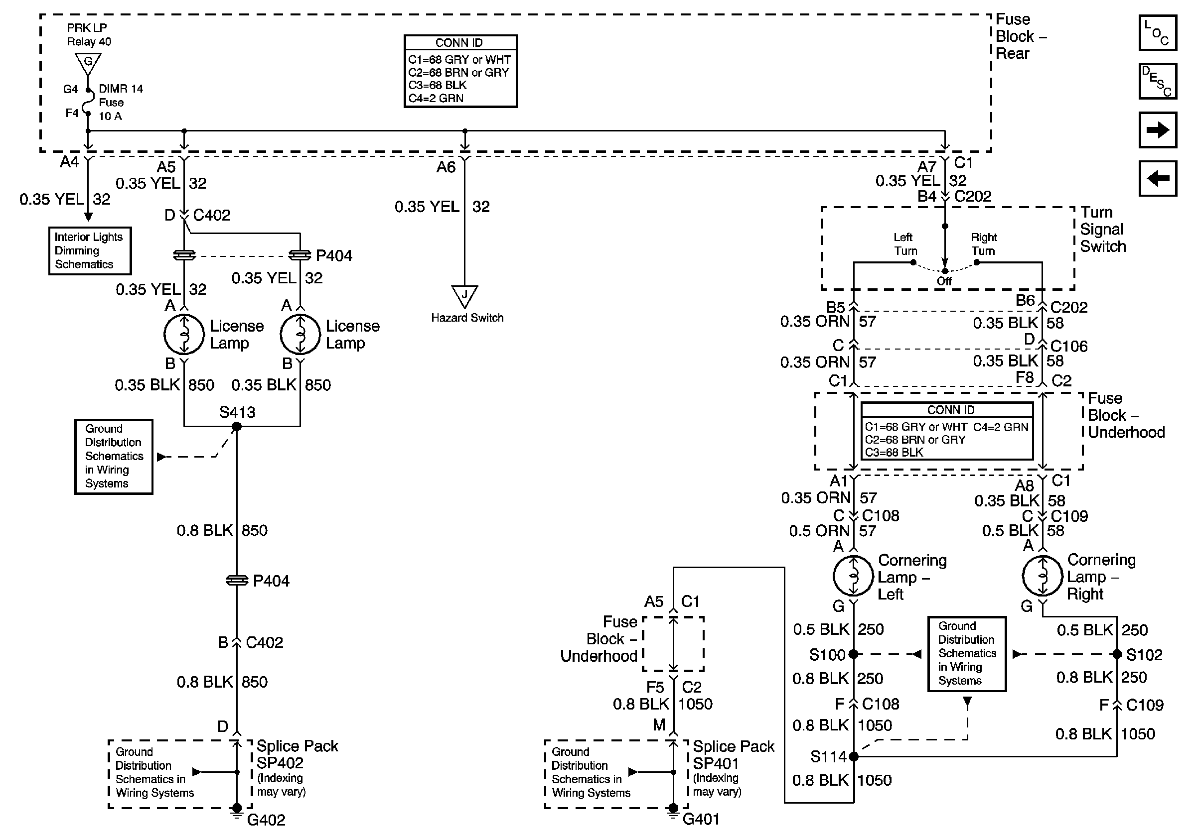
🢒 Exterior Lights Schematics-License, Underhood, and Cornering Lamps
Exterior Lights Schematics-License, Underhood, and Cornering Lamps
License, Underhood, and Cornering Lamps
Master Electrical Component List
Exterior Lighting Systems Description and Operation
Exterior Lights Schematics-Backup Lights
Exterior Lights Schematics-Left Exterior Lights
Ground Distribution Schematics-G401 (3 of 3)
Ground Distribution Schematics-G401 (3 of 3)
Ground Distribution Schematics-G402 (2 of 2)
Ground Distribution Schematics-G402 (2 of 2)
Interior Lights Dimming-Dimming Control
Exterior Lights Schematics-Park Lamp Relay and Class 2
Exterior Lights Schematics-Hazard Switch