GM Service Manual Online
For 1990-2009 cars only
Makes
🢒
Cadillac
🢒
2004
🢒
Seville
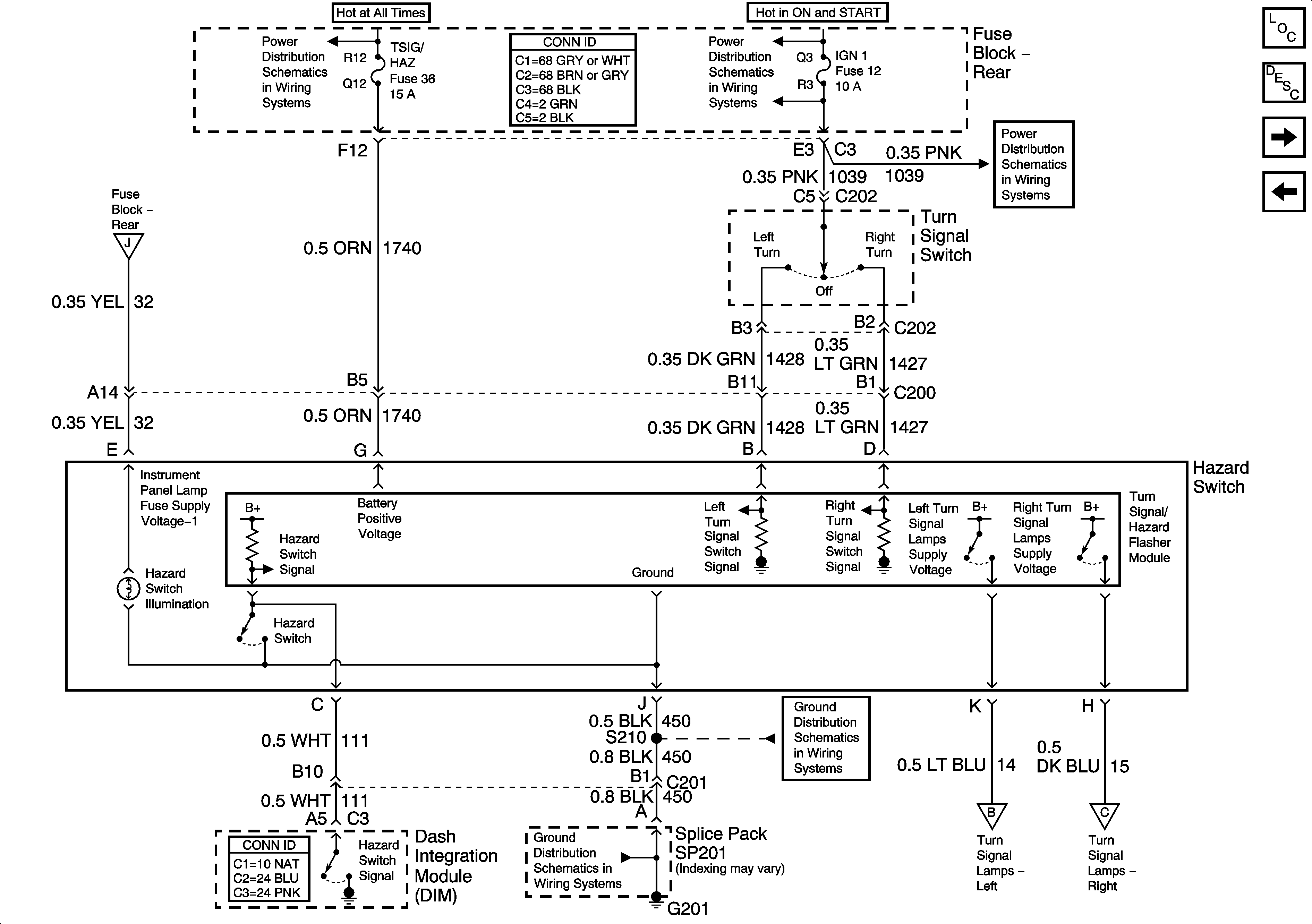
🢒 Exterior Lights Schematics-Hazard Switch
Exterior Lights Schematics-Hazard Switch
Hazard Switch
Master Electrical Component List
Exterior Lighting Systems Description and Operation
Exterior Lights Schematics-Stop Lamp Switch
Exterior Lights Schematics-Park Lamp Relay and Class 2 (RH Drive)
Exterior Lights Schematics-Right Exterior Lights
Exterior Lights Schematics-Left Exterior Lights
Exterior Lights Schematics-License, Underhood, and Cornering Lamps
Power Distribution Schematics-Battery Feed to Fuse Block Rear
Power Distribution Schematics-Battery Feed to Fuse Block Rear
Power Distribution Schematics-IGN 1 Relay,SIR,Vent Sol and Ignition 1 Fuses
Ground Distribution Schematics-G201 (2 of 5)
Ground Distribution Schematics-G201 (2 of 5)