GM Service Manual Online
For 1990-2009 cars only
Makes
🢒
Cadillac
🢒
2004
🢒
Seville
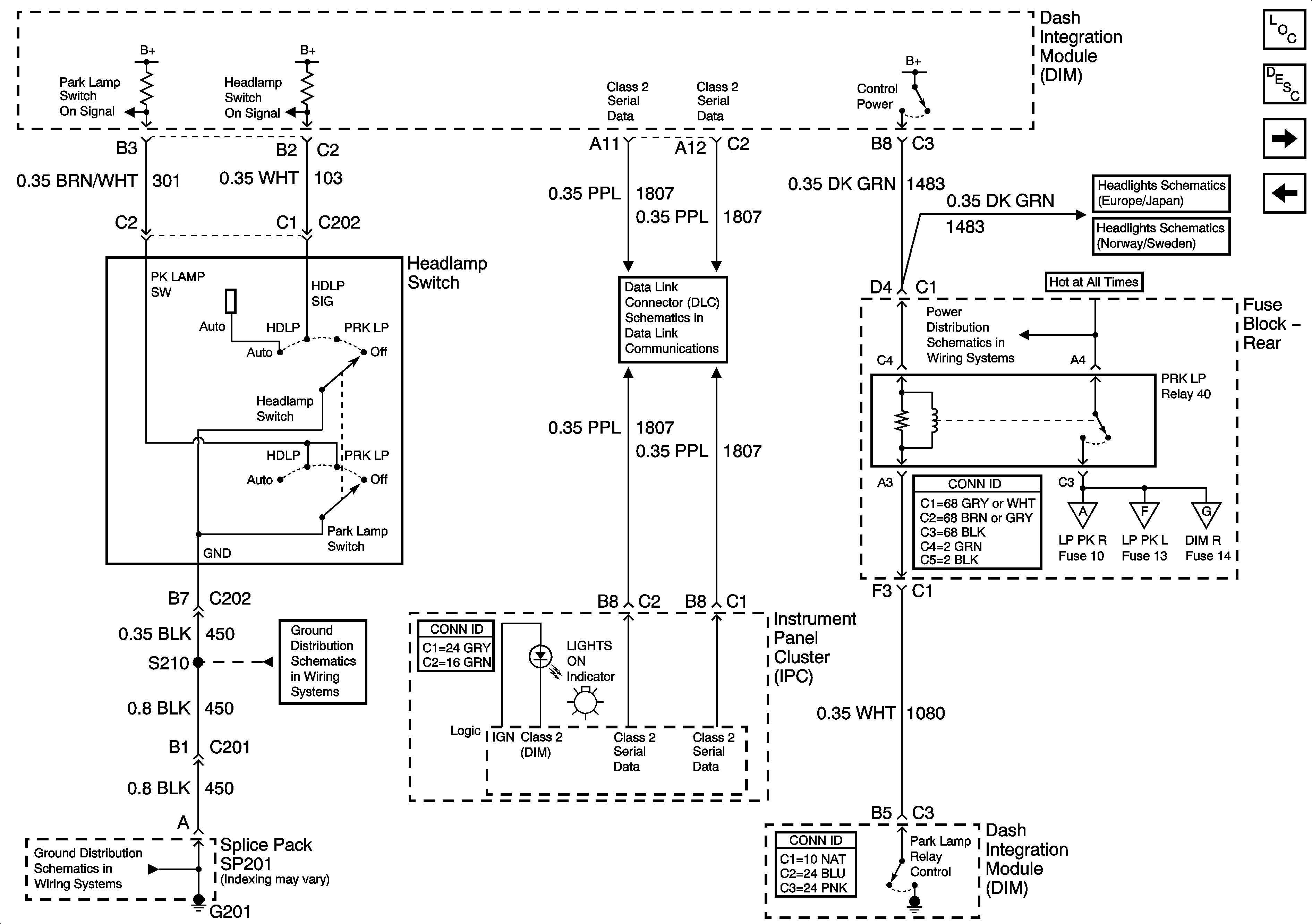
🢒 Exterior Lights Schematics-Park Lamp Relay and Class 2 (RH Drive)
Exterior Lights Schematics-Park Lamp Relay and Class 2 (RH Drive)
Park Lamp and Class 2 (RH Drive)
Master Electrical Component List
Exterior Lighting Systems Description and Operation
Exterior Lights Schematics-Hazard Switch
Exterior Lights Schematics-Park Lamp Relay and Class 2
Ground Distribution Schematics-G201 (2 of 5)
Ground Distribution Schematics-G201 (2 of 5)
Data Link Connector (DLC) Schematics-Serial Data Line (LH Drive) (1 of 2)
Power Distribution Schematics-Battery Feed to Fuse Block Rear
Exterior Lights Schematics-Right Exterior Lights
Exterior Lights Schematics-Left Exterior Lights
Exterior Lights Schematics-License, Underhood, and Cornering Lamps
Headlights/Daytime Running Lights (DRL) Schematics-Low Beam Headlamps
Headlights/Daytime Running Lights (DRL) Schematics-Low Beam Headlamps