GM Service Manual Online
For 1990-2009 cars only
Makes
🢒
Cadillac
🢒
2004
🢒
Seville
🢒 Headlights/Daytime Running Lights (DRL) Schematics-Low Beam Headlamps
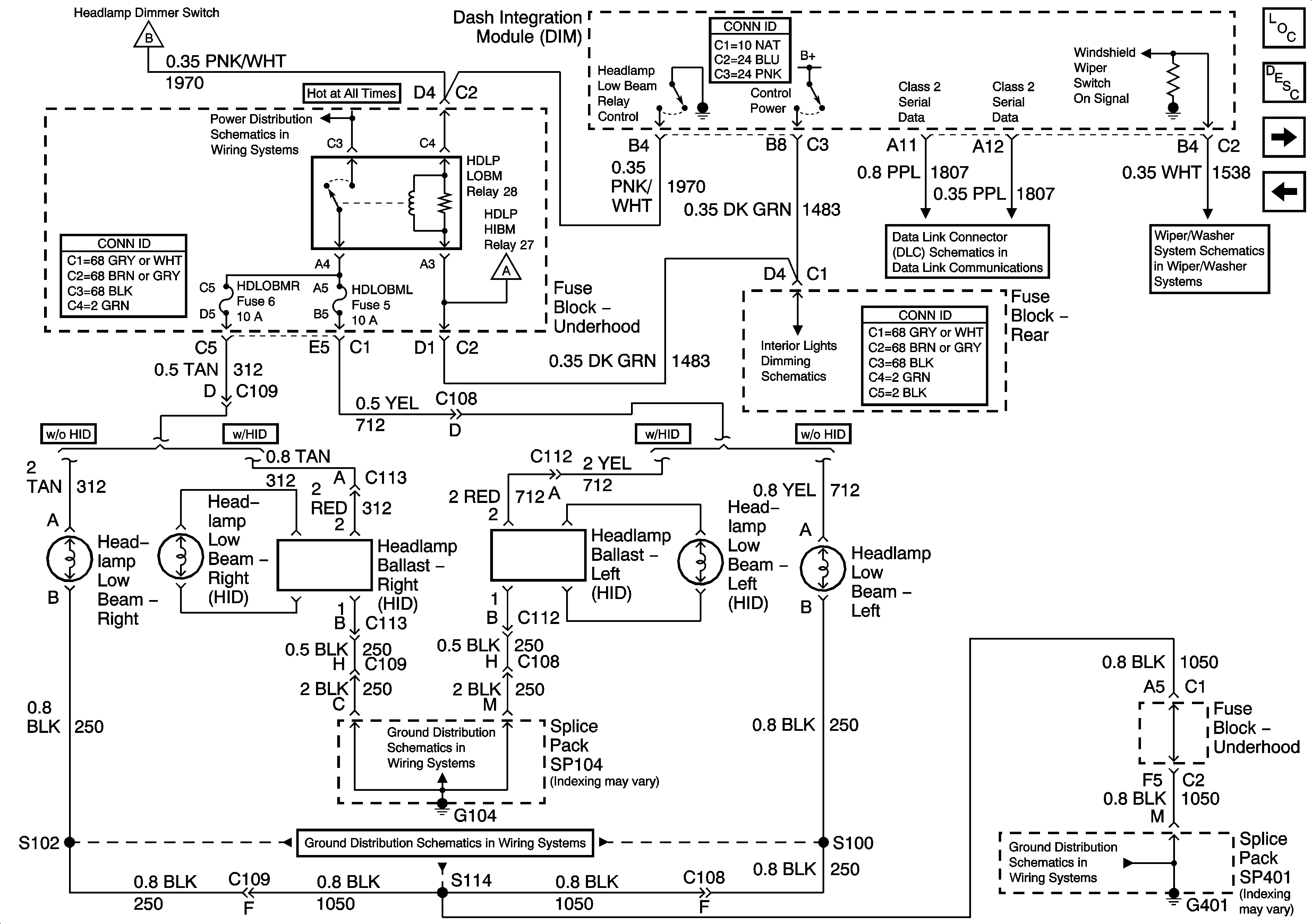
Headlights/Daytime Running Lights (DRL) Schematics-Low Beam Headlamps
Low Beam Headlamps
Master Electrical Component List
Exterior Lighting Systems Description and Operation
Headlights/Daytime Running Lights (DRL) Schematics-High Beam headlamps
Headlights/Daytime Running Lights (DRL) schematics-HDLP Switch Power,Ground
Wiper/Washer System Schematics-Power, Ground, and Components
Ground Distribution Schematics-G401 (3 of 3)
Ground Distribution Schematics-G401 (3 of 3)
Ground Distribution Schematics-G104
Headlights/Daytime Running Lights (DRL) Schematics-High Beam headlamps
Power Distribution Schematics-Battery Feed to Fuseblock Underhood
Headlights/Daytime Running Lights (DRL) Schematics-High Beam headlamps
Interior Lights Dimming-Dimming Control
Data Link Connector (DLC) Schematics-Serial Data Line (LH Drive) (1 of 2)