GM Service Manual Online
For 1990-2009 cars only
Makes
🢒
Cadillac
🢒
2004
🢒
Seville
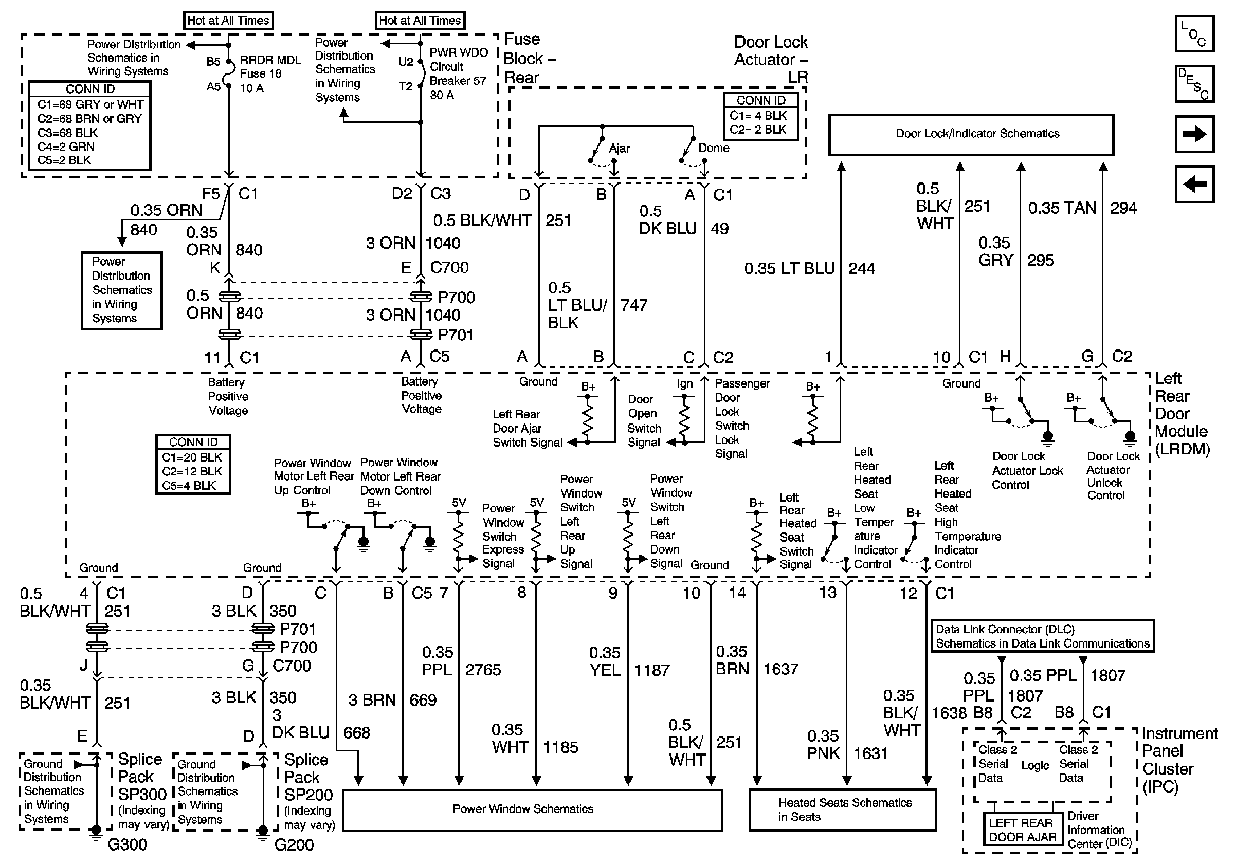
🢒 Door Control Module Schematics-LRDM Power, Ground, Inputs, Outputs, Class 2
Door Control Module Schematics-LRDM Power, Ground, Inputs, Outputs, Class 2
LRDM Power, Ground, Inputs, Outputs, and Class 2
Master Electrical Component List
Power Door Locks Description and Operation
Door Control Module Schematics-RRDM Power,Ground,Inputs,Outputs and Class 2
Door Control Module Schematics-FPDM Inputs, Outputs and Class 2
Power Distribution Schematics-Power Window Circuit Breaker
Power Distribution Schematics-ELC,DRVMDL,PASSMDL,RRDRMDL Fuses
Power Distribution Schematics-ELC,DRVMDL,PASSMDL,RRDRMDL Fuses
Door Lock/Indicator Schematics-Driver and Left Rear Door
Data Link Connector (DLC) Schematics-Serial Data Line (LH Drive) (1 of 2)
Heated Seats Schematics-Heated Seat Switch, Left Rear and Right Rear
Power Window Schematics-Rear Power Windows
Ground Distribution Schematics-G200
Ground Distribution Schematics-G300