GM Service Manual Online
For 1990-2009 cars only
Makes
🢒
Cadillac
🢒
2001
🢒
Seville - RHD
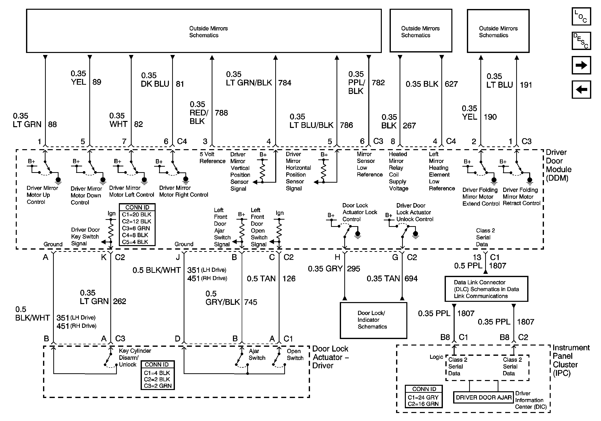
🢒 DDM Inputs, Outputs, and Class 2
DDM Inputs, Outputs, and Class 2
DDM Inputs, Outputs, and Class 2
Master Electrical Component List
Power Windows Description and Operation
FPDM Power, Grounds, Inputs, and Outputs
DDM Power, Grounds, Inputs and Outputs
Class 2 Serial Data Line (LH Drive) (2 of 2)
Driver and LR Doors
Driver Power Mirror (w/A45)
Heated Mirrors
Express Folding Mirrors