GM Service Manual Online
For 1990-2009 cars only
Makes
🢒
Cadillac
🢒
2001
🢒
Seville - RHD
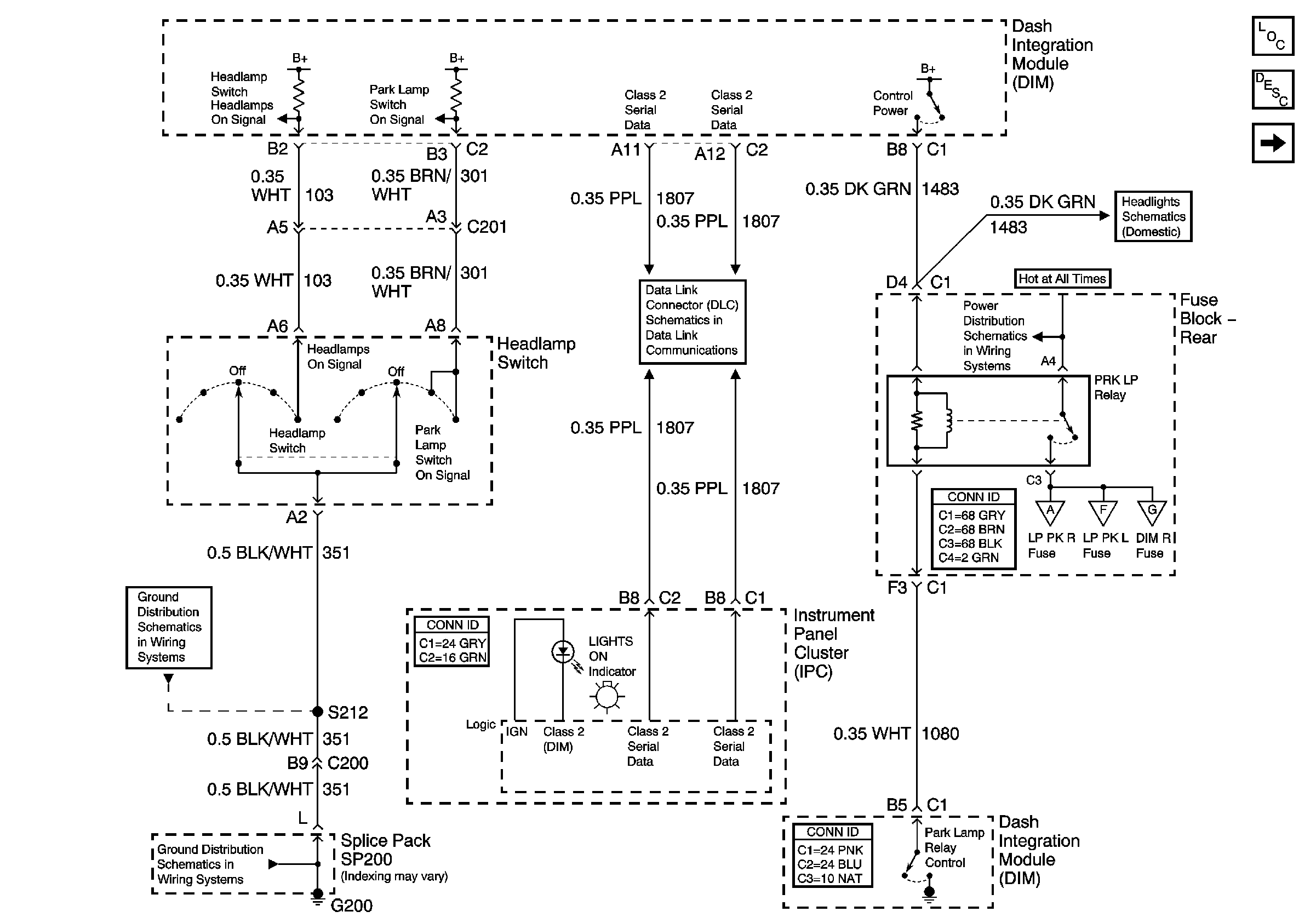
🢒 Park Lamp and Class 2
Park Lamp and Class 2
Park Lamp and Class 2
Master Electrical Component List
Exterior Lighting Systems Description and Operation
Hazard Switch
Low Beam Headlamps (Generation 2.5)
Battery Feed to Fuse Block - Rear
Right Exterior Lights
Left Exterior Lights
License, Underhood, and Cornering Lamps
G200
G200
Class 2 Serial Data Line (LH Drive) (1 of 2)