GM Service Manual Online
For 1990-2009 cars only
Makes
🢒
Cadillac
🢒
2001
🢒
Seville - RHD
🢒 Power, Ground, and Components
Power, Ground, and Components
Power, Ground, and Components
Master Electrical Component List
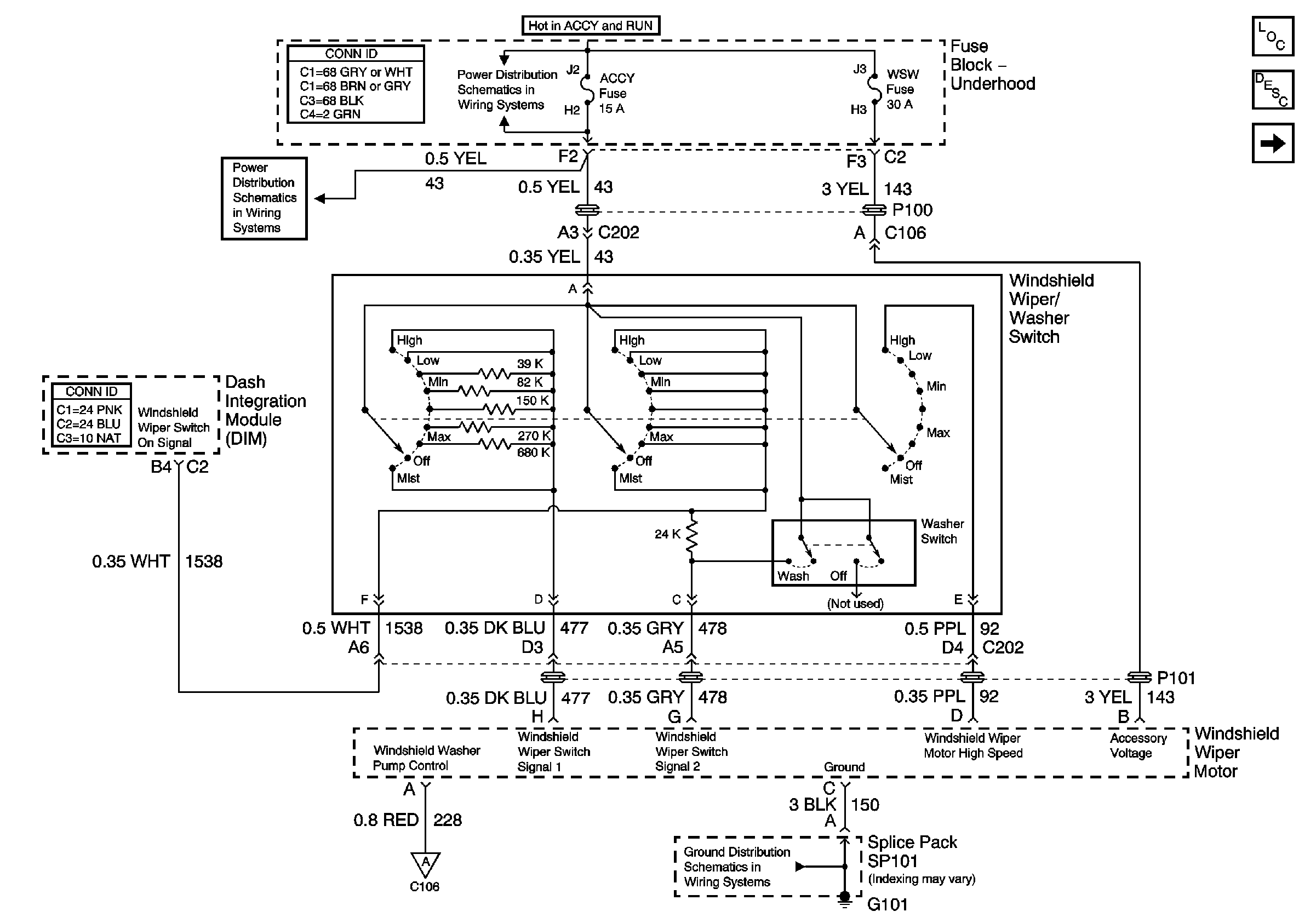
Wiper/Washer System Description and Operation
Headlamp Washer (Export)
G101 and G105
Headlamp Washer (Export)
Battery Feed to Fuse Block - Underhood