GM Service Manual Online
For 1990-2009 cars only
Makes
🢒
Cadillac
🢒
2001
🢒
Seville - RHD
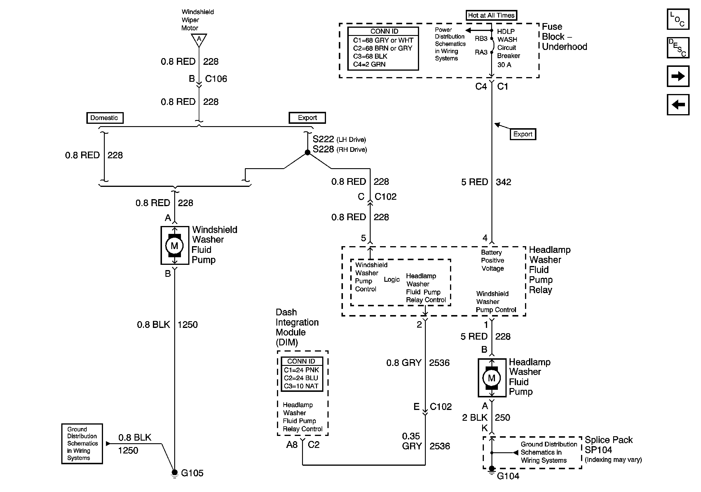
🢒 Headlamp Washer (Export)
Headlamp Washer (Export)
Headlamp Washer (Export)
Master Electrical Component List
Wiper/Washer System Description and Operation
Wiper System (w/CE1)
Power, Ground, and Components
G104
G101 and G105
Power, Ground, and Components
Battery Feed to Fuse Block - Rear