GM Service Manual Online
For 1990-2009 cars only
Makes
🢒
Cadillac
🢒
2001
🢒
Seville - RHD
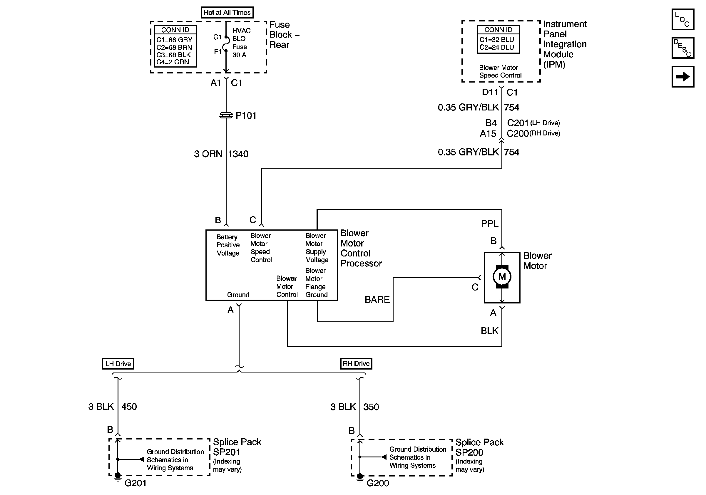
🢒 Blower Motor - Front
Blower Motor - Front
Blower Motor -- Front
Master Electrical Component List
Air Delivery Description and Operation
Blower Motor - Auxiliary
G200
G202 1 of 3