GM Service Manual Online
For 1990-2009 cars only
Makes
🢒
Cadillac
🢒
2001
🢒
Seville - RHD
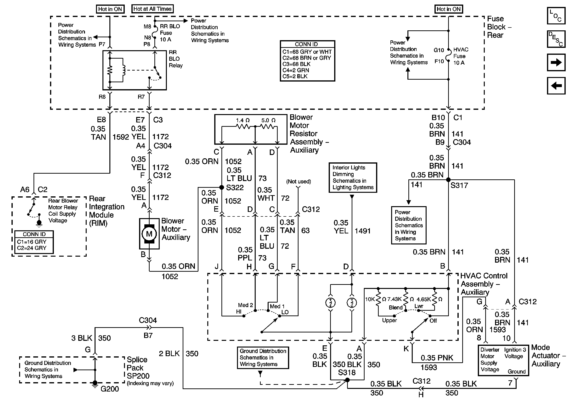
🢒 Blower Motor - Auxiliary
Blower Motor - Auxiliary
Blower Motor -- Auxillary
Master Electrical Component List
Air Delivery Description and Operation
Blower Motor - Front
G200 and G202
G200 and G202
Ashtray Lamp and Steering Wheel Controls
Battery Feed to Fuse Block - Rear
Battery Feed to Fuse Block - Rear
Battery Feed to Fuse Block - Rear