GM Service Manual Online
For 1990-2009 cars only
Figure 1:

G101


Object Number: 911771  Size: FS
Master Electrical Component List
G102
G102
Figure 2:

G102


Object Number: 911772  Size: FS
Master Electrical Component List
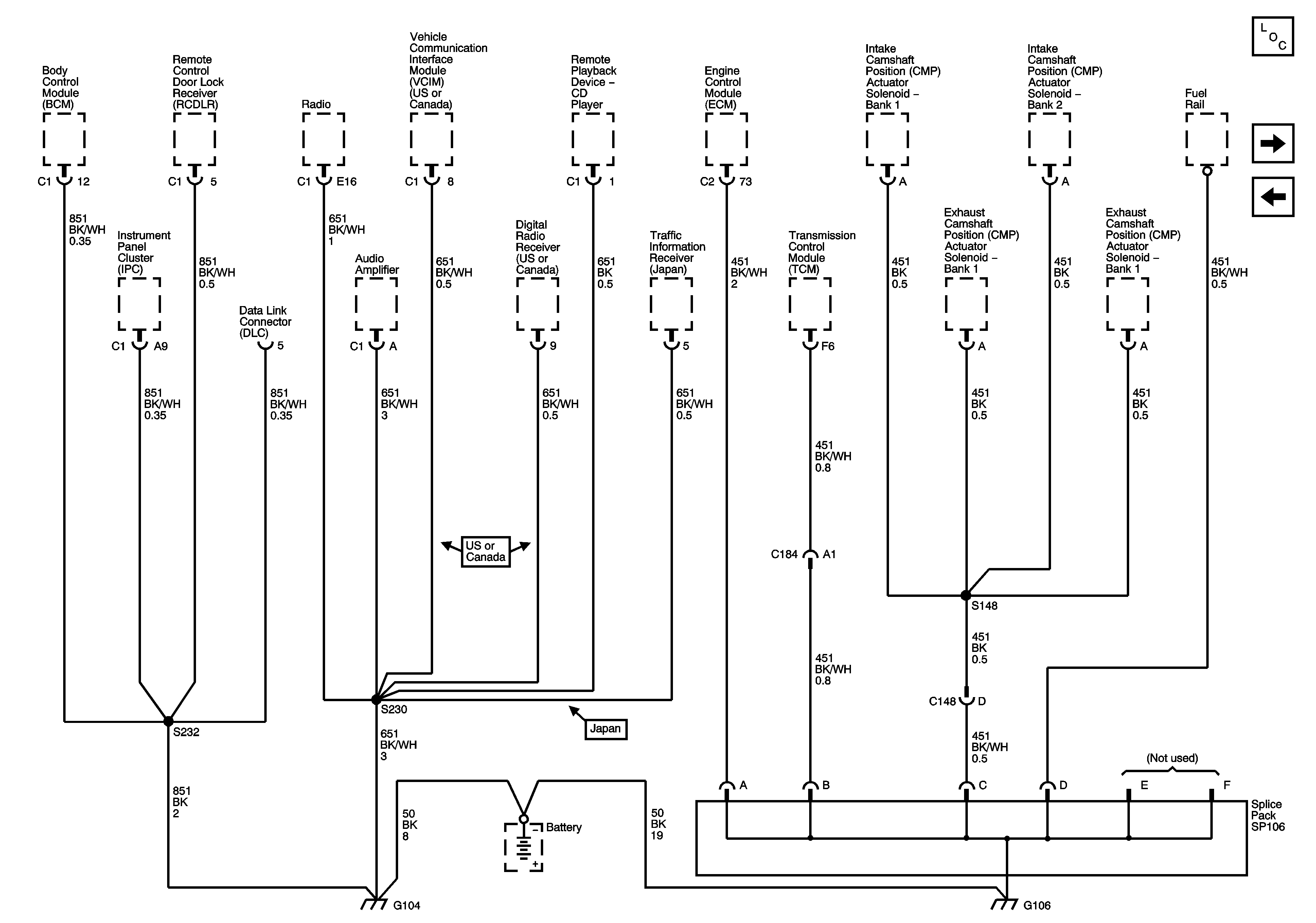
G104 and G106
G101
G101
Figure 3:

G104 and G106


Object Number: 911773  Size: FS
Master Electrical Component List
G105 and G107
G102
Figure 4:

G105 and G107


Object Number: 911774  Size: FS
Master Electrical Component List
G201
G104 and G106
Figure 5:

G201


Object Number: 911776  Size: FS
Master Electrical Component List
G202-1 of 2
G105 and G107
Figure 6:

G202-1 of 2


Object Number: 911777  Size: FS
Master Electrical Component List
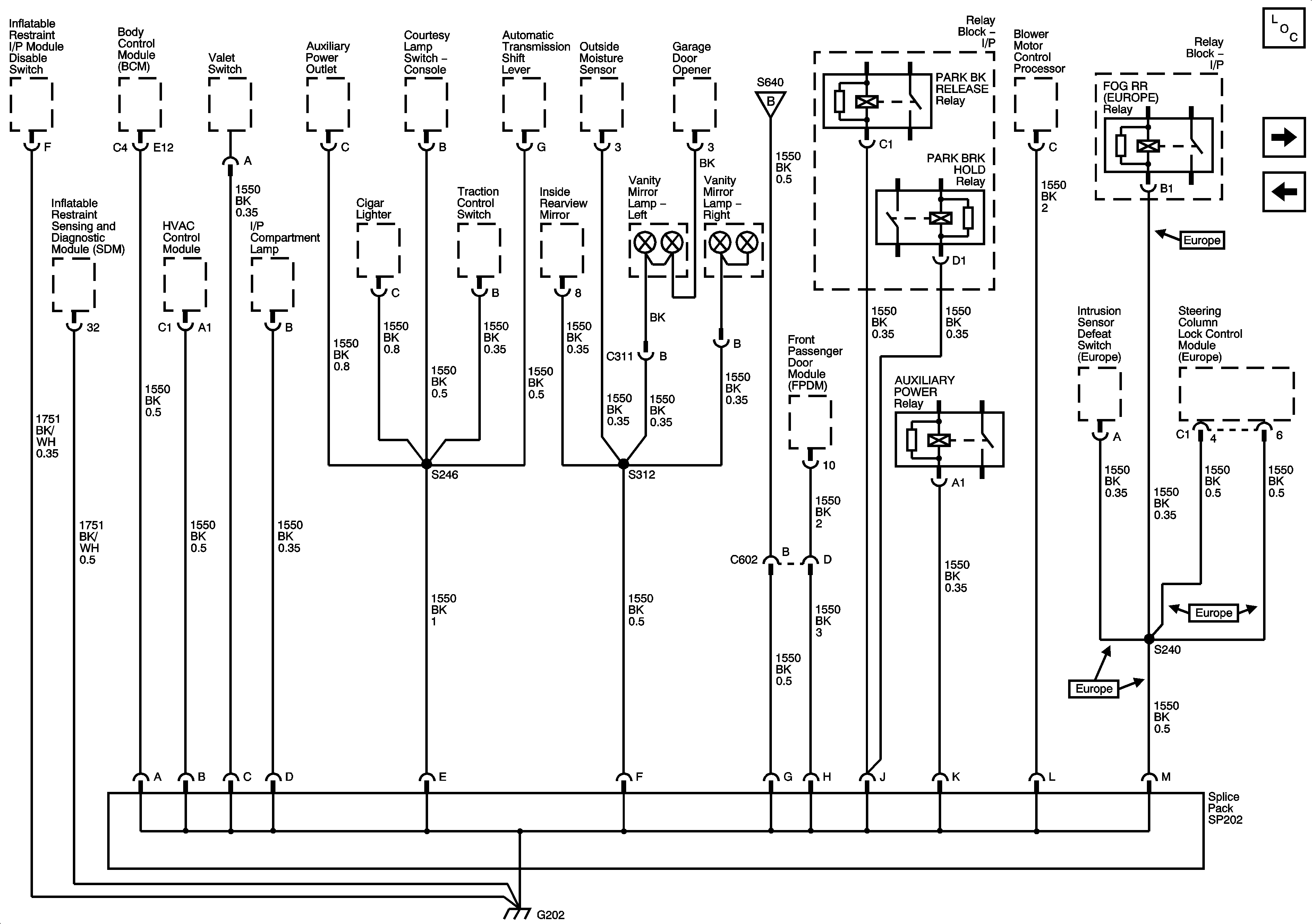
G202-2 of 2
G201
G202-2 of 2
Figure 7:

G202-2 of 2


Object Number: 911778  Size: FS
Master Electrical Component List
G301
G202-1 of 2
G202-1 of 2
Figure 8:

G301


Object Number: 911780  Size: FS
Master Electrical Component List
G302, G401, and G402
G202-2 of 2
Figure 9:

G302, G401, and G402


Object Number: 911782  Size: FS
Master Electrical Component List
G301