GM Service Manual Online
For 1990-2009 cars only
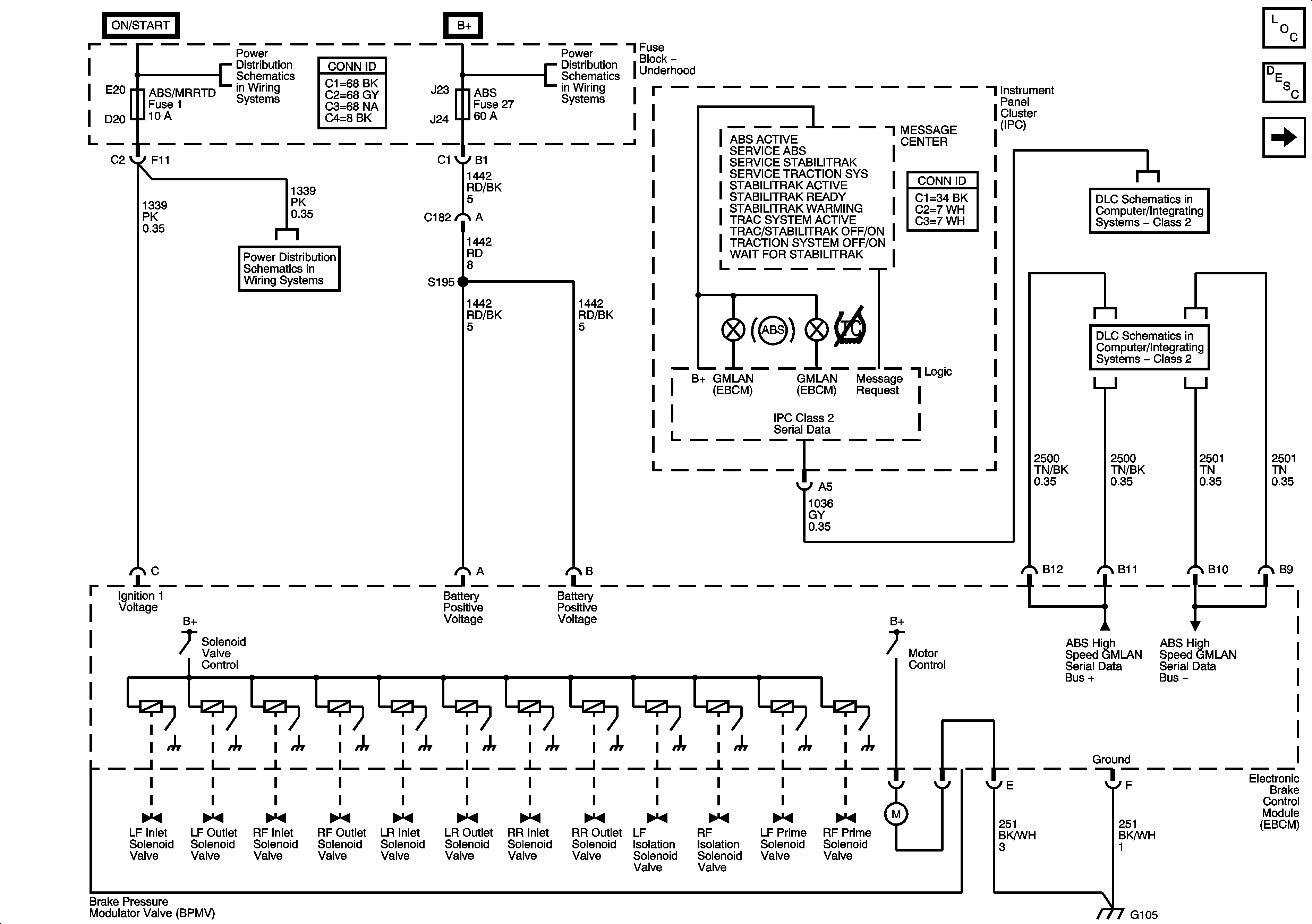
Figure 1:

Ground, Indicators, Messages, and Power


Object Number: 1170756  Size: FS
Master Electrical Component List
ABS Description and Operation
Wheel Speed Sensors
BCM Fuses; ECM, GMLAN DEVICES, RPA / H/C SEAT, and SDM/PSIR SW, Fuse Block-Underhood Fuses; ABS/MRRTD, and ACC/TCM
Fuse Block-Underhood Bussing
BCM Fuses; ECM, GMLAN DEVICES, RPA / H/C SEAT, and SDM/PSIR SW, Fuse Block-Underhood Fuses; ABS/MRRTD, and ACC/TCM
Class 2
GMLAN
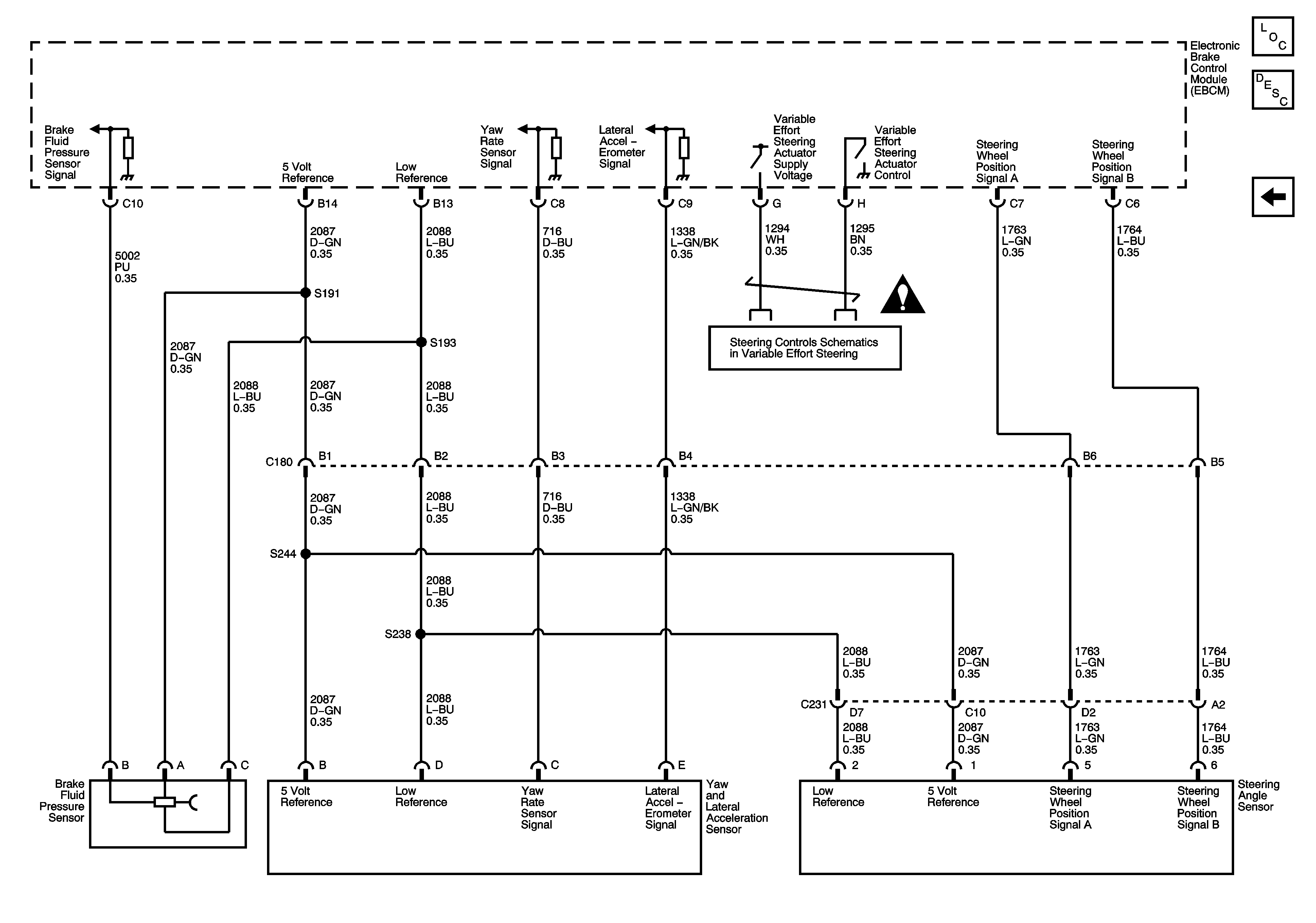
Figure 2:

Wheel Speed Sensors


Object Number: 1170767  Size: FS
Master Electrical Component List
ABS Description and Operation
Brake Pedal Signal, and Traction Control Switch
Ground, Indicators, Messages, and Power
Antilock Brake System Schematic Icons
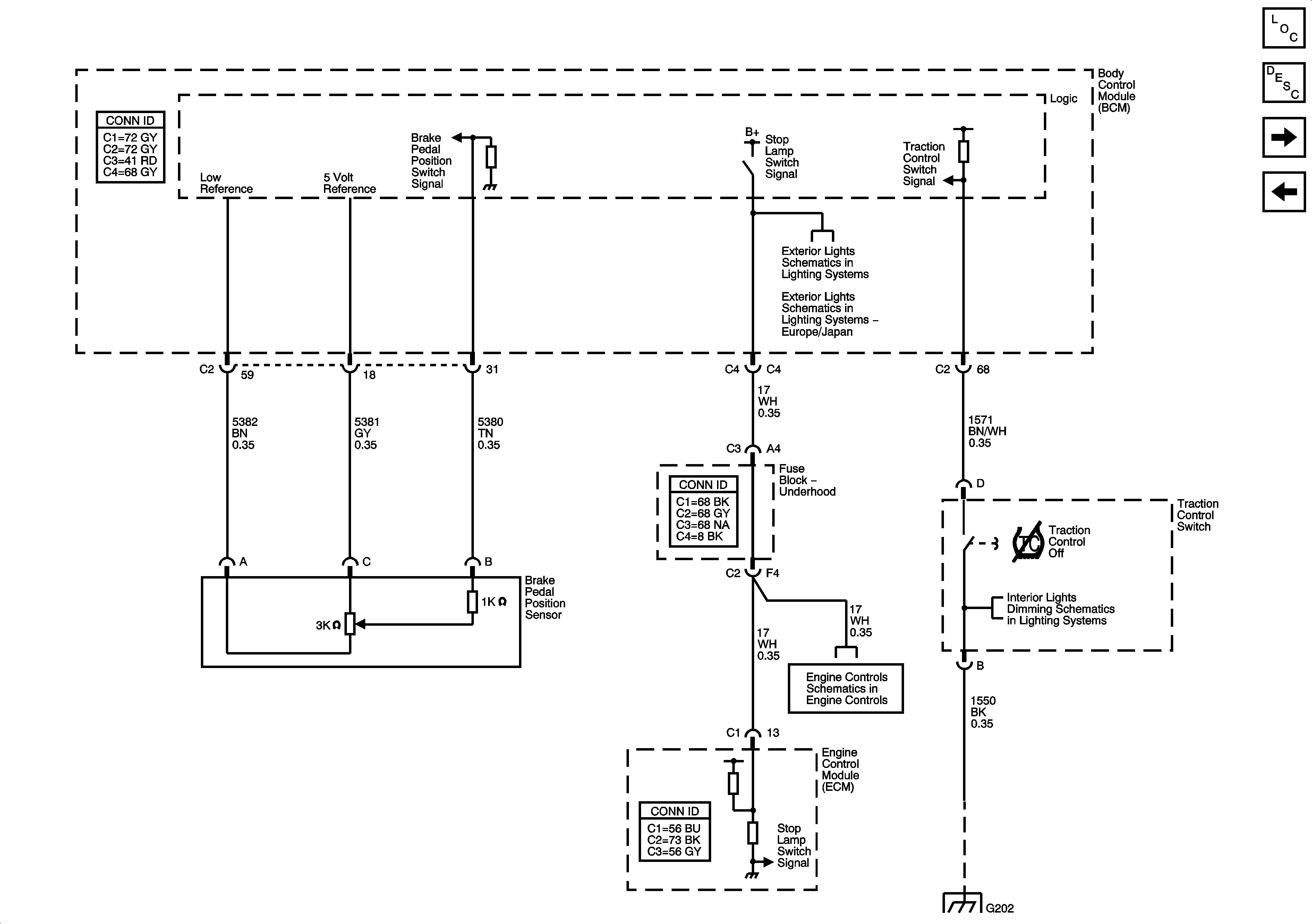
Figure 3:

Brake Pedal Signal, and Traction Control Switch


Object Number: 1170774  Size: FS
Master Electrical Component List
ABS Description and Operation
Stability Control Sensors
Wheel Speed Sensors
Stoplamps
Stoplamps
Engine Data Sensors-Pressure Temperature, MAF, VSS, and Brake Travel
DLC, HVAC Control Module, Radio and Switches
Figure 4:

Stability Control Sensors


Object Number: 1170783  Size: FS
Master Electrical Component List
ABS Description and Operation
Brake Pedal Signal, and Traction Control Switch
Steering Controls Schematics
Antilock Brake System Schematic Icons