GM Service Manual Online
For 1990-2009 cars only
Figure 1:

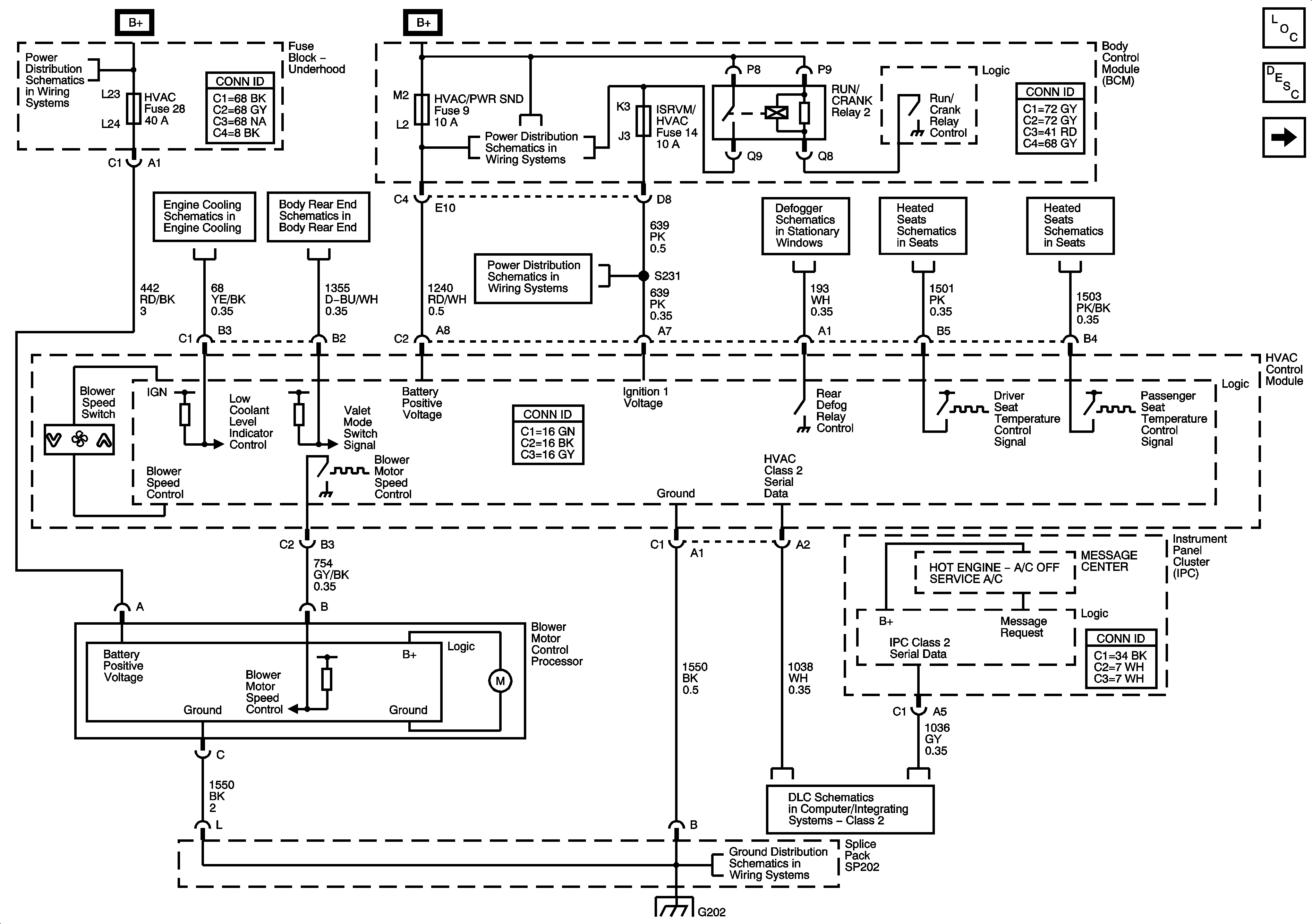
Blower Controls, DLC, Ground, MIL, Power, and Subsystem References


Object Number: 1114845  Size: FS
Master Electrical Component List
Air Delivery Description and Operation
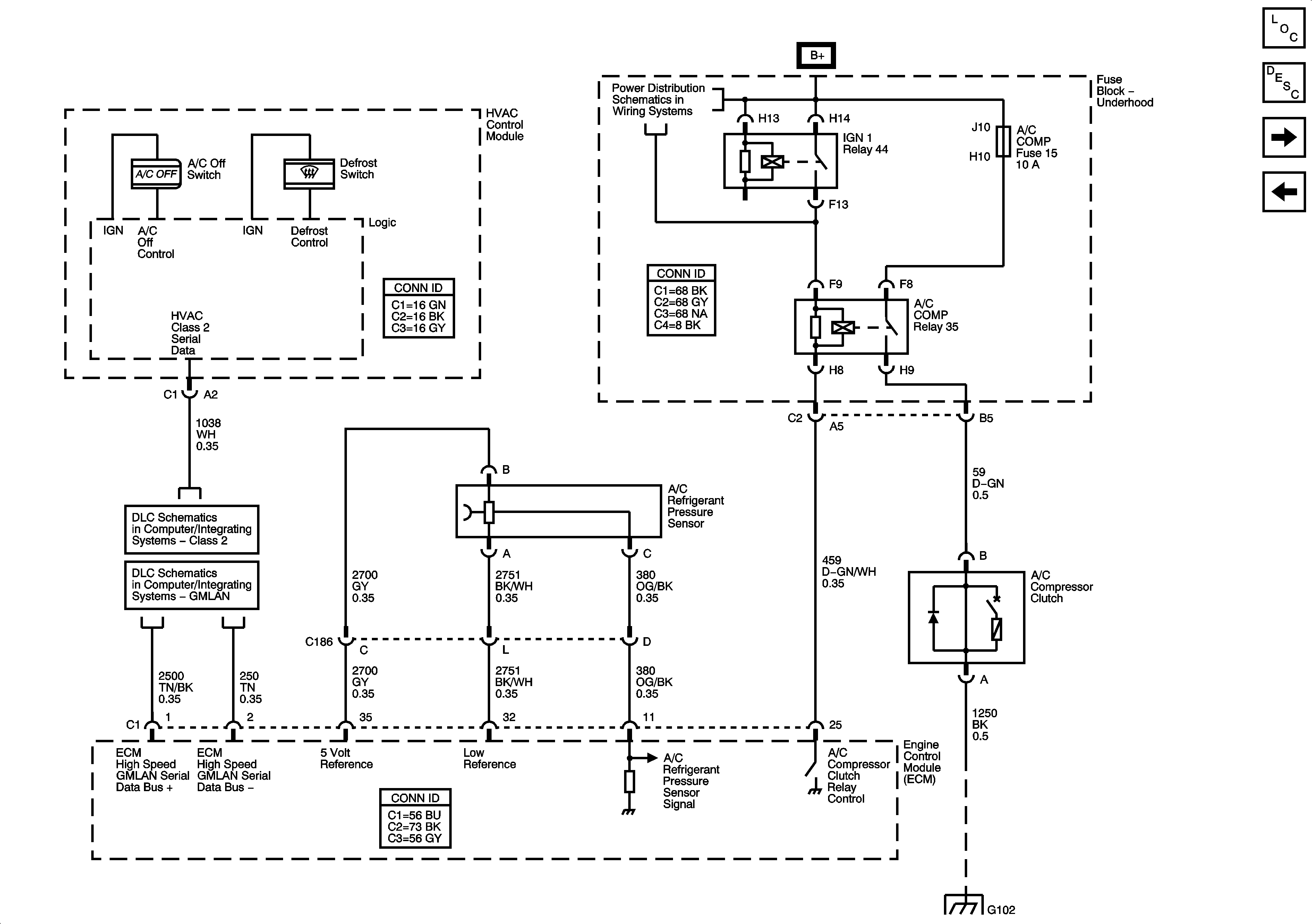
Compressor Controls
Fuse Block-Underhood Bussing
Engine Cooling Schematics
Power, Ground, DLC and Messages
BCM Fuses; A.C.LATCH/PK BRK B, CLUSTER, DOOR LOCKS, HVAC/PWR SND, INTERIOR LIGHTS, ISRVM/HVAC, and TUTD SW/STRG COL SW
BCM Fuses; A.C.LATCH/PK BRK B, CLUSTER, DOOR LOCKS, HVAC/PWR SND, INTERIOR LIGHTS, ISRVM/HVAC, and TUTD SW/STRG COL SW
Defogger
Driver
Passenger
Class 2
G202-1 of 2
Figure 2:

Compressor Controls


Object Number: 1114905  Size: FS
Master Electrical Component List
Air Delivery Description and Operation
Temperature Sensors
Blower Controls, DLC, Ground, MIL, Power, and Subsystem References
Fuse Block-Underhood Bussing
Class 2
GMLAN
Figure 3:

Temperature Sensors


Object Number: 1114938  Size: FS
Master Electrical Component List
Air Temperature Description and Operation
Actuators
Compressor Controls
BCM Fuses; A.C.LATCH/PK BRK B, CLUSTER, DOOR LOCKS, HVAC/PWR SND, INTERIOR LIGHTS, ISRVM/HVAC, and TUTD SW/STRG COL SW
BCM Fuses; A.C.LATCH/PK BRK B, CLUSTER, DOOR LOCKS, HVAC/PWR SND, INTERIOR LIGHTS, ISRVM/HVAC, and TUTD SW/STRG COL SW
Figure 4:

Actuators


Object Number: 1115010  Size: FS
Master Electrical Component List
Air Temperature Description and Operation
Temperature Sensors