GM Service Manual Online
For 1990-2009 cars only
Makes
🢒
Cadillac
🢒
2004
🢒
XLR
🢒 Driver
Driver
Driver
Master Electrical Component List
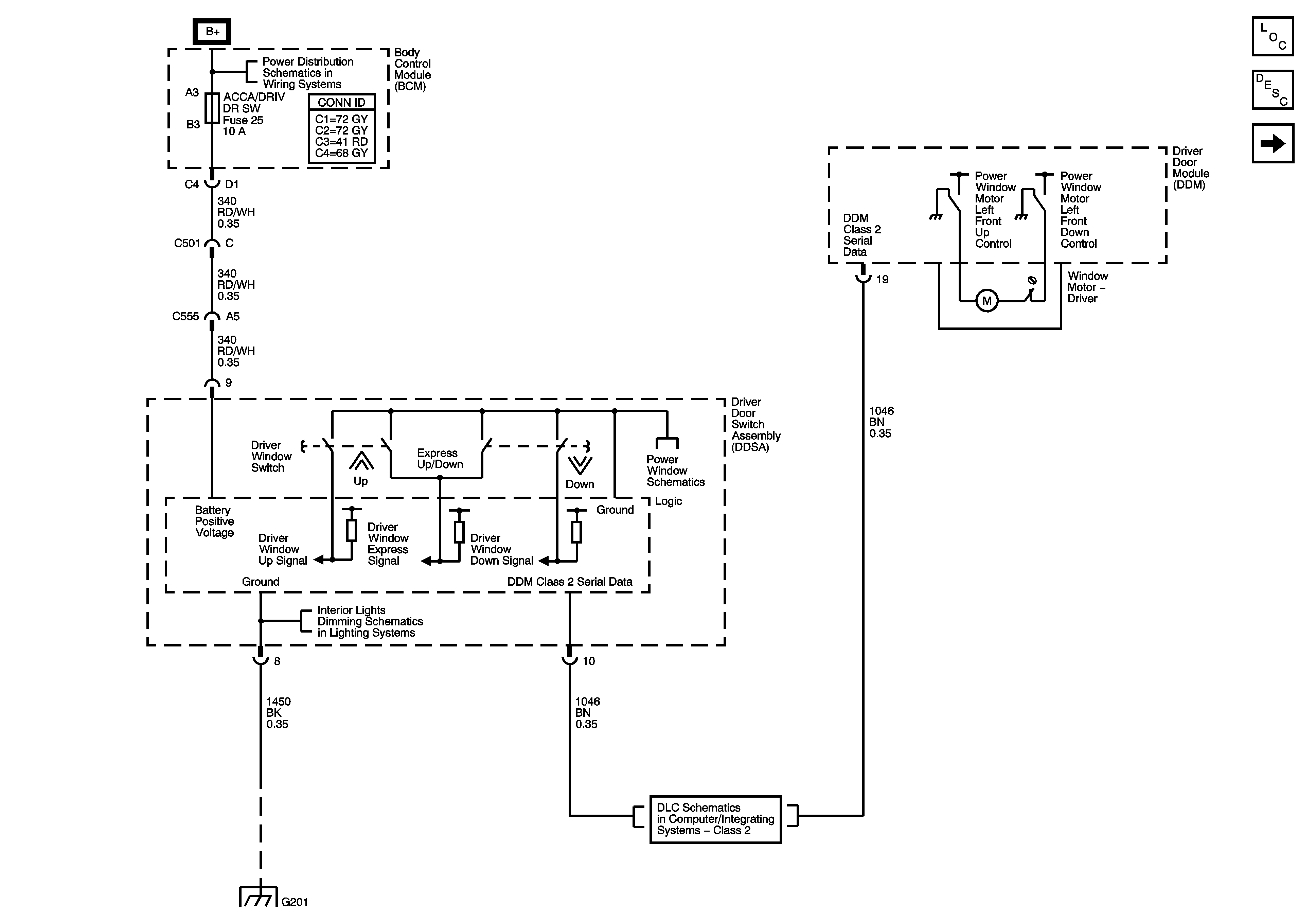
Power Windows Description and Operation
Passenger
Fuse Block-Underhood Fuse: BATT5, BCM Fuses; ACCA/DRIV DR SW, IGNITION SW/INTR SENS, ONSTAR, PARK BRAKE SOL A, and TILT/TELE SW/MEM SEAT MOD
DLC, HVAC Control Module, Radio and Switches
Passenger
Class 2