GM Service Manual Online
For 1990-2009 cars only
Makes
🢒
Cadillac
🢒
2004
🢒
XLR
🢒 Motors
Motors
Motors
Master Electrical Component List
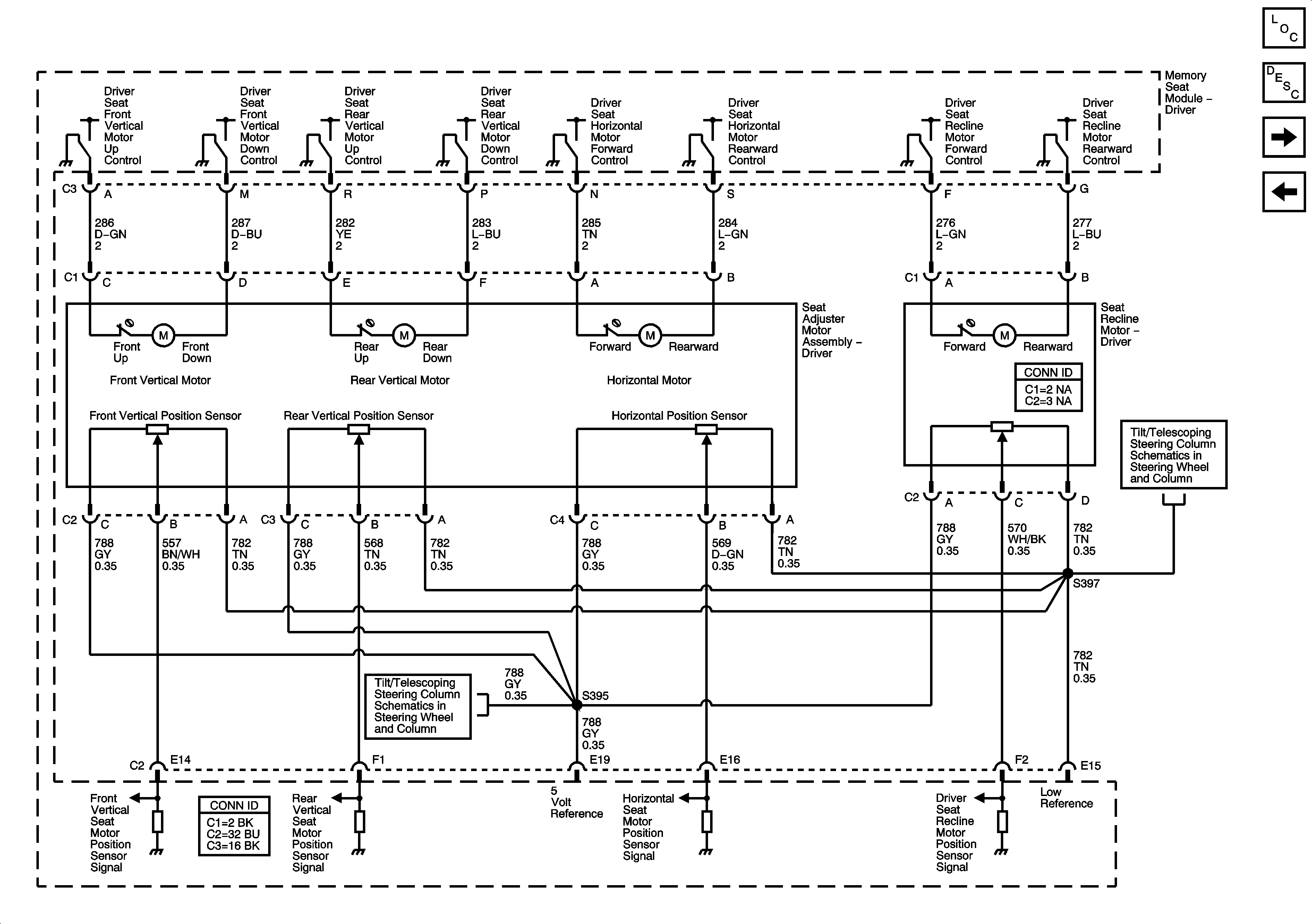
Memory Seats Description and Operation
Lumbar Support Schematics
DLC, Ground, Power, Switches, and References to Tilt/Telescope Steering
Tilt/Telescoping Steering Column Schematics
Tilt/Telescoping Steering Column Schematics