GM Service Manual Online
For 1990-2009 cars only
Makes
🢒
Cadillac
🢒
2004
🢒
XLR
🢒 Lumbar Support Schematics
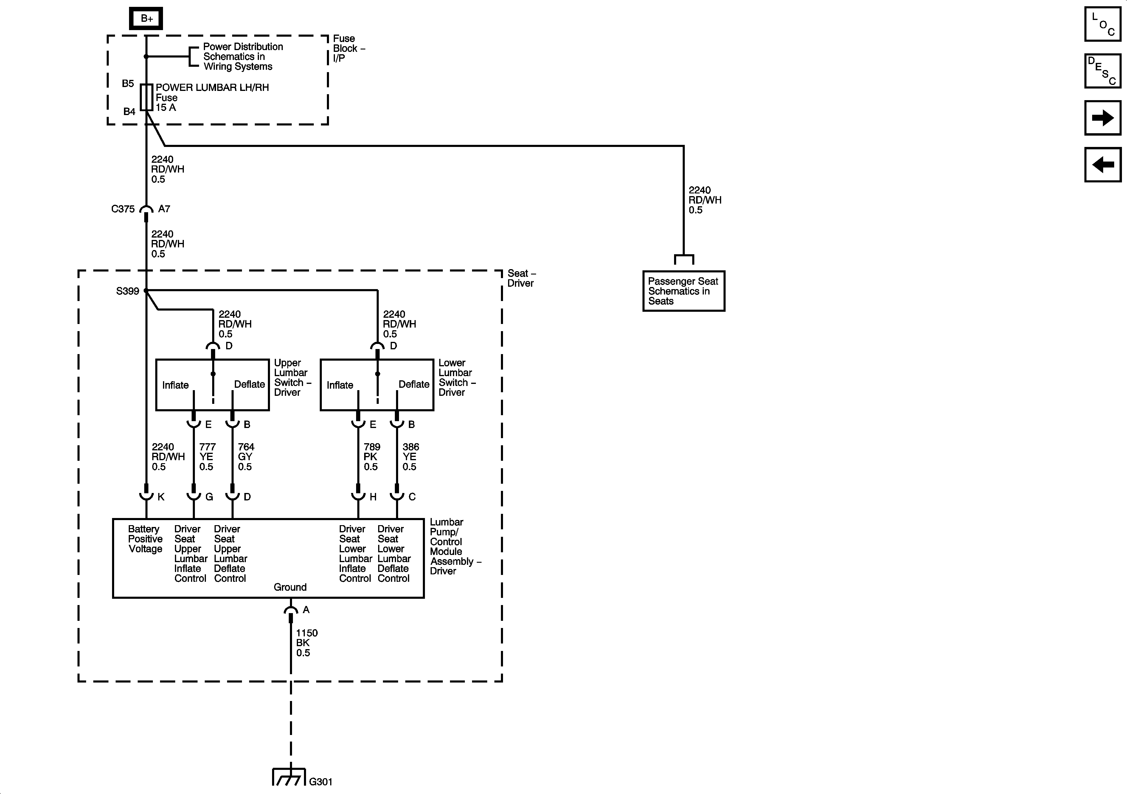
Lumbar Support Schematics
Lumbar Controls
Master Electrical Component List
Lumbar Support Description and Operation
Driver
Motors
Fuse Block-Underhood Fuse; BATT1, Fuse Block-I/P Fuses; HEATED SEAT LH, HEATED SEAT RH, POWER LUMBAR LH/RH, Fuse Block-I/P Circuit Breakers; DOOR CONTROLS, and POWER SEATS
Lumbar Support
G301