GM Service Manual Online
For 1990-2009 cars only
Figure 1:

G101


Object Number: 1480856  Size: FS
Master Electrical Component List
Control Module References
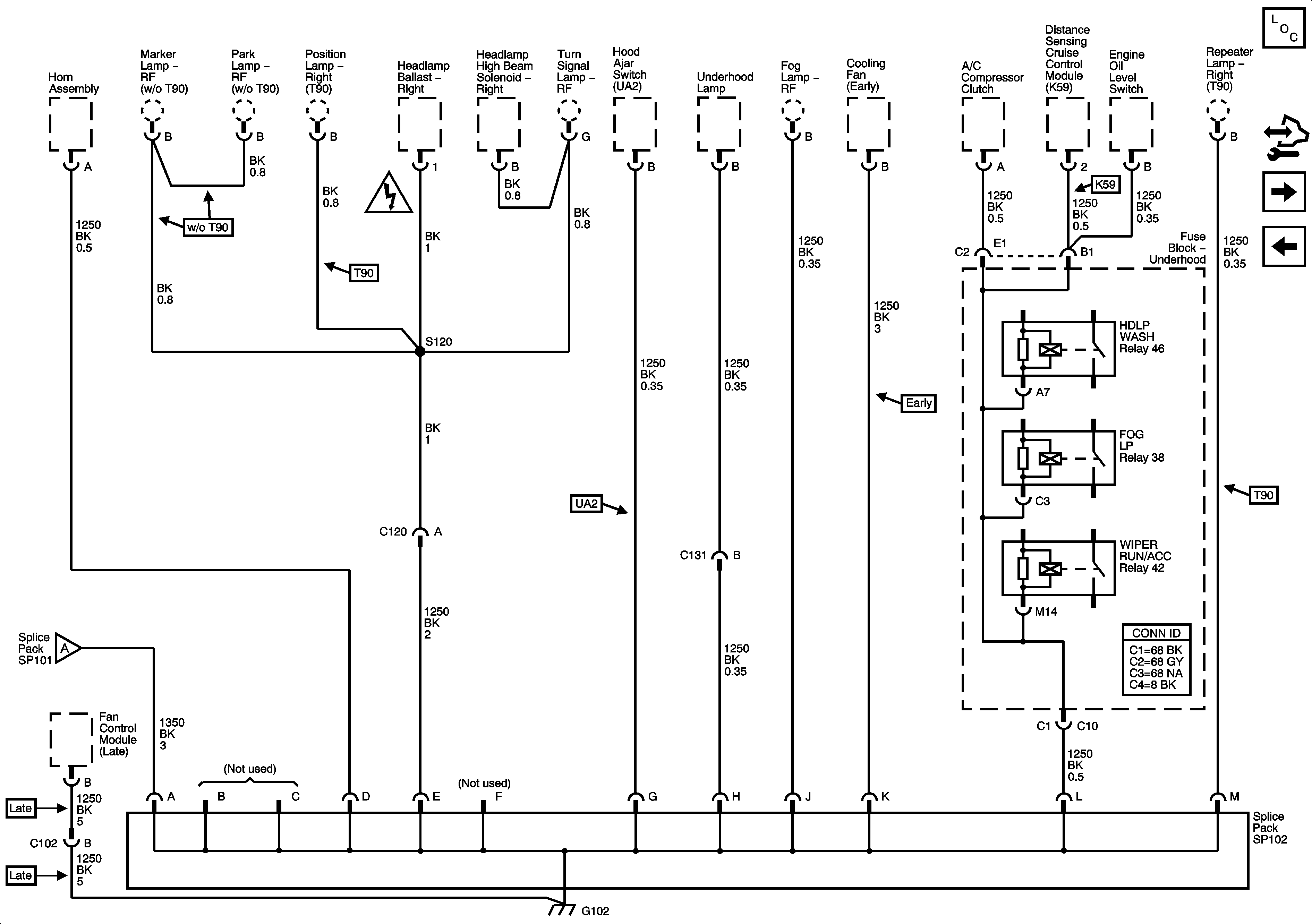
G102
Power and Grounding Schematic Icons
G102
Figure 2:

G102


Object Number: 1480857  Size: FS
Master Electrical Component List
Control Module References
G104 and G106
G101
Power and Grounding Schematic Icons
G101
Figure 3:

G104 and G106


Object Number: 1480858  Size: FS
Master Electrical Component List
Control Module References
G105 and G107
G102
Figure 4:

G105 and G107


Object Number: 1480860  Size: FS
Master Electrical Component List
Control Module References
G201
G104 and G106
Figure 5:

G201


Object Number: 1480863  Size: FS
Master Electrical Component List
Control Module References
G202 - 1 of 2
G105 and G107
SIR Caution for Zoning
Figure 6:

G202 - 1 of 2


Object Number: 1480864  Size: FS
Master Electrical Component List
Control Module References
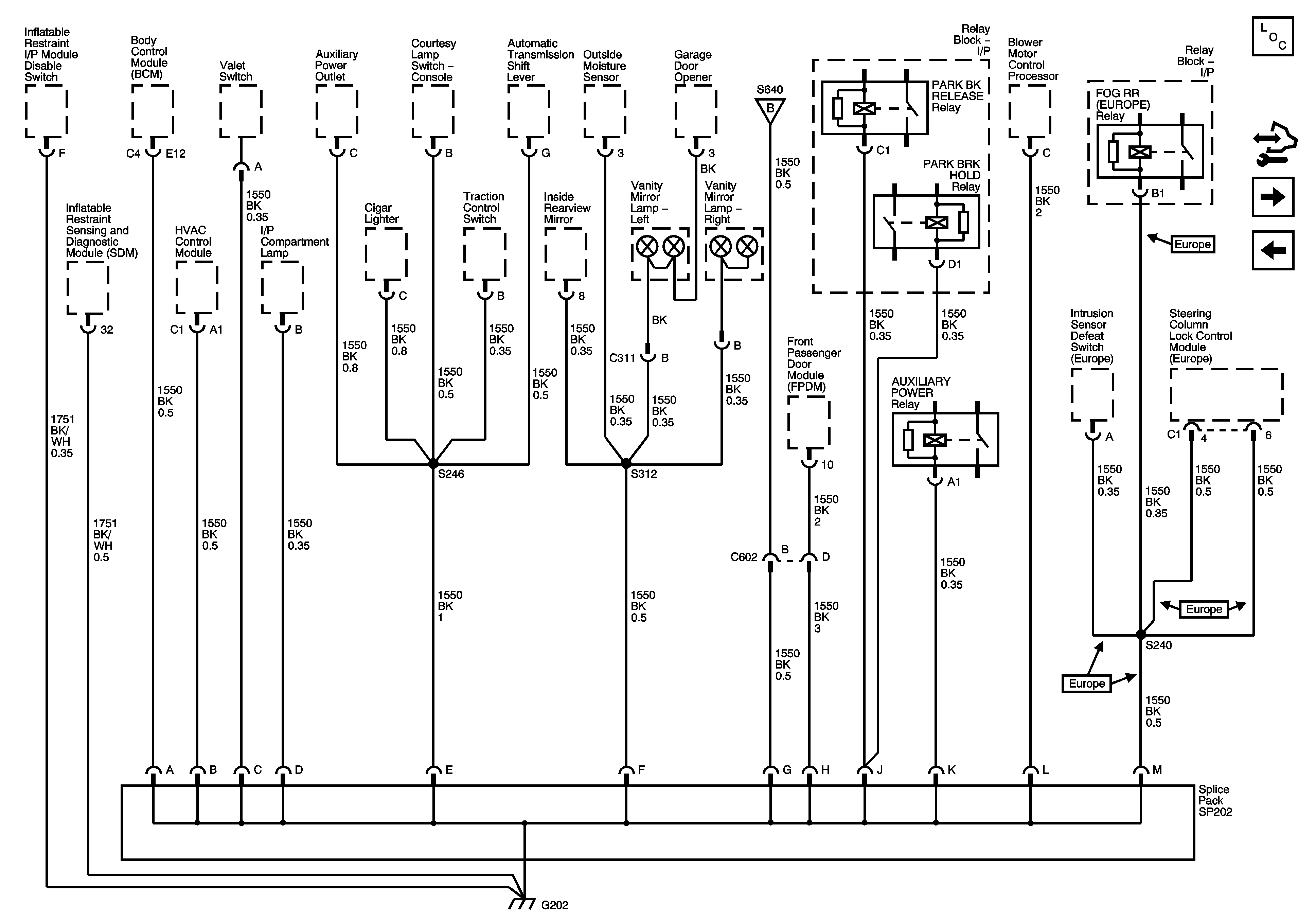
G202 - 2 of 2
G201
G202 - 2 of 2
Figure 7:

G202 - 2 of 2


Object Number: 1480867  Size: FS
Master Electrical Component List
Control Module References
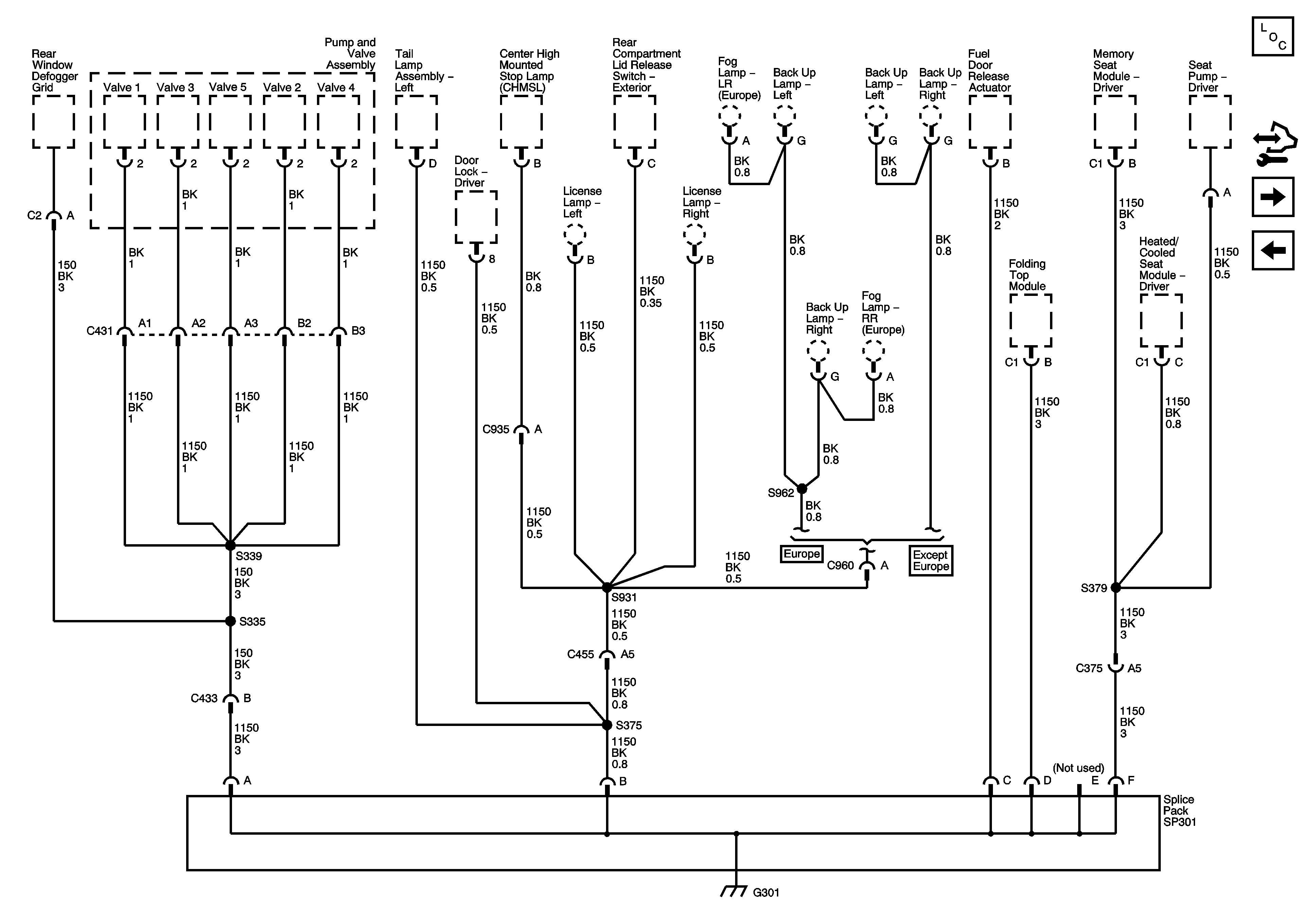
G301
G202 - 1 of 2
G202 - 1 of 2
Figure 8:

G301


Object Number: 1480868  Size: FS
Master Electrical Component List
Control Module References
G302, G401 and G402
G202 - 2 of 2
Figure 9:

G302, G401, and G402


Object Number: 1480869  Size: FS
Master Electrical Component List
Control Module References
G301