GM Service Manual Online
For 1990-2009 cars only
Figure 1:

CD Player and Radio Audio Signals, Ground, Messages, and Power


Object Number: 1480890  Size: FS
Master Electrical Component List
Radio/Audio System Description and Operation
Control Module References
Amplification
Fuse Block Underhood Fuses - BATT3, STOP/BULPS, BCM Fuses - BTSI SOL/COL LOCK, PWR FLDG MIR-EXT/RET, RADIO/ANT/VICS, REAR FOG/ALDL TOPSW, REVERSE LPS
Gages
DLC - Class 2
Entertainment Schematic Icons
G104 and G106
Figure 2:

Amplification


Object Number: 1480891  Size: FS
Master Electrical Component List
Radio/Audio System Description and Operation
Control Module References
Antenna except S Band, and References to Navigation and OnStar
CD Player and Radio Audio Signals, Ground, Messages and Power
Entertainment Schematic Icons
Fuse Block - Underhood Bussing
DLC - Class 2
G104 and G106
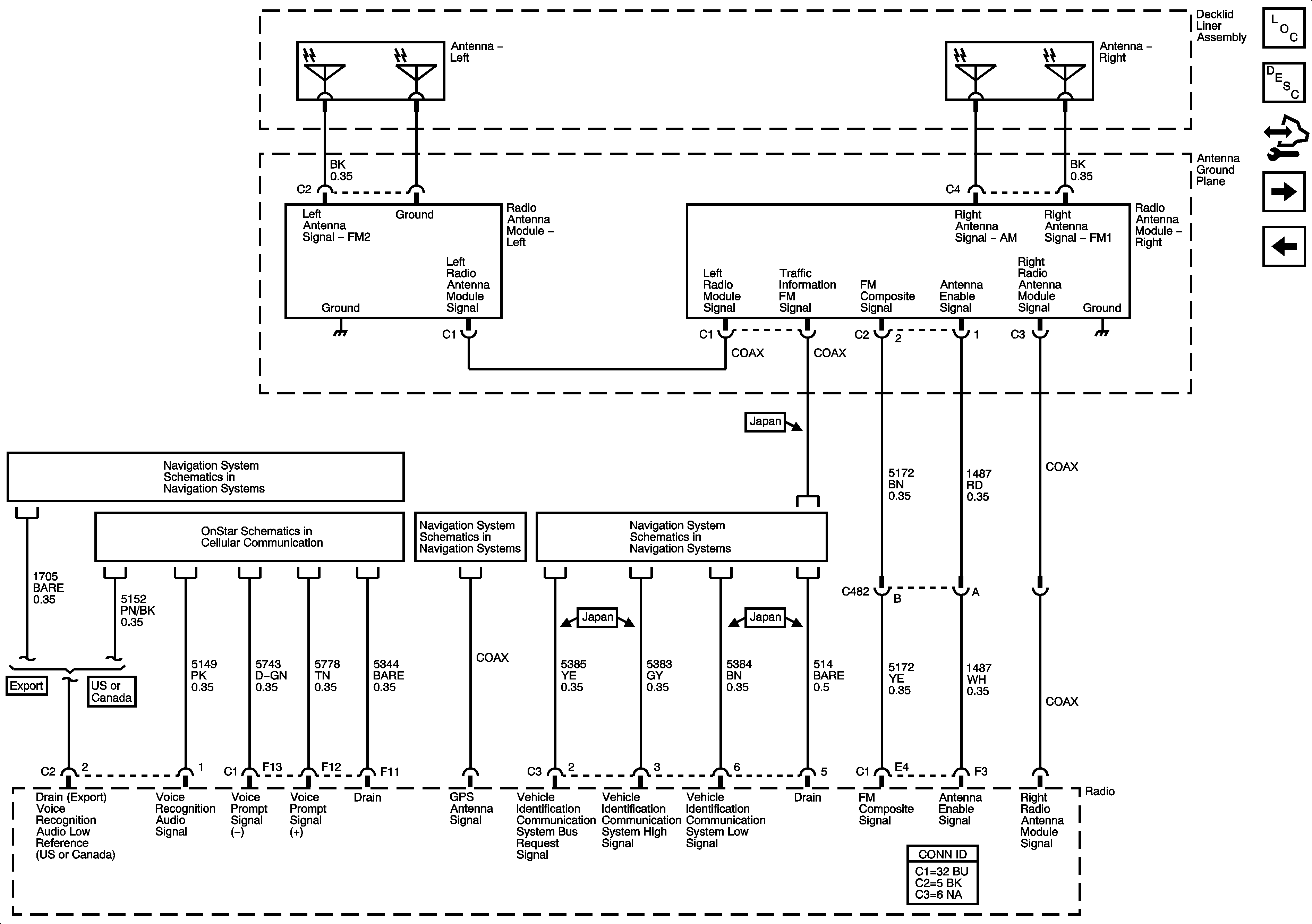
Figure 3:

Antennas Except S-Band, and References to Navigation and OnStar


Object Number: 1480893  Size: FS
Master Electrical Component List
Radio/Audio System Description and Operation
Control Module References
Digital Radio Receiver
Amplification
Navigation Systems - except Japan
Audio Output
Navigation Systems - except Japan
Navigation Systems - Japan
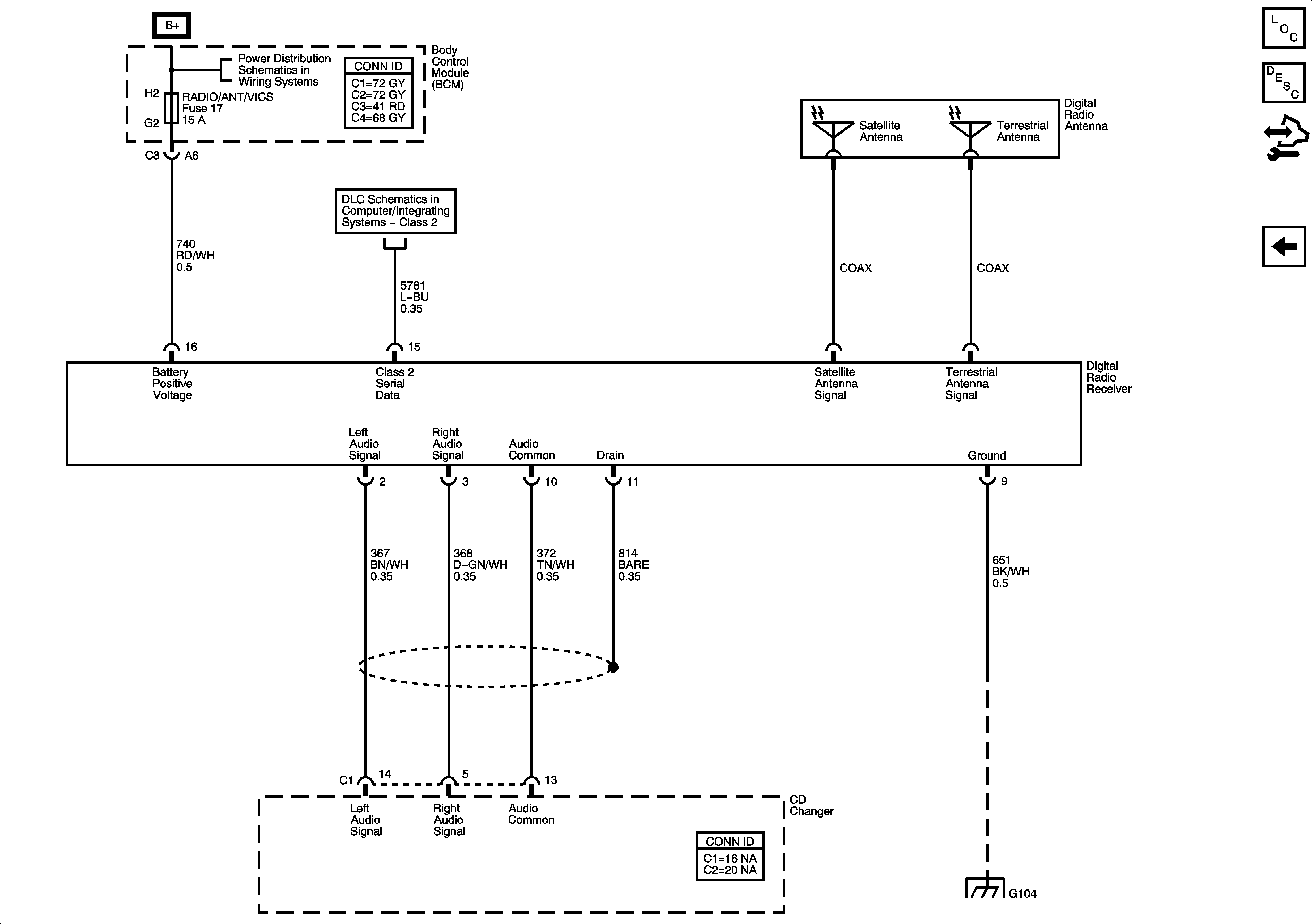
Figure 4:

Digital Radio Receiver


Object Number: 1480899  Size: FS
Master Electrical Component List
Radio/Audio System Description and Operation
Control Module References
Antenna except S Band, and References to Navigation and OnStar
Fuse Block Underhood Fuses - BATT3, STOP/BULPS, BCM Fuses - BTSI SOL/COL LOCK, PWR FLDG MIR-EXT/RET, RADIO/ANT/VICS, REAR FOG/ALDL TOPSW, REVERSE LPS
DLC - Class 2
G104 and G106