GM Service Manual Online
For 1990-2009 cars only
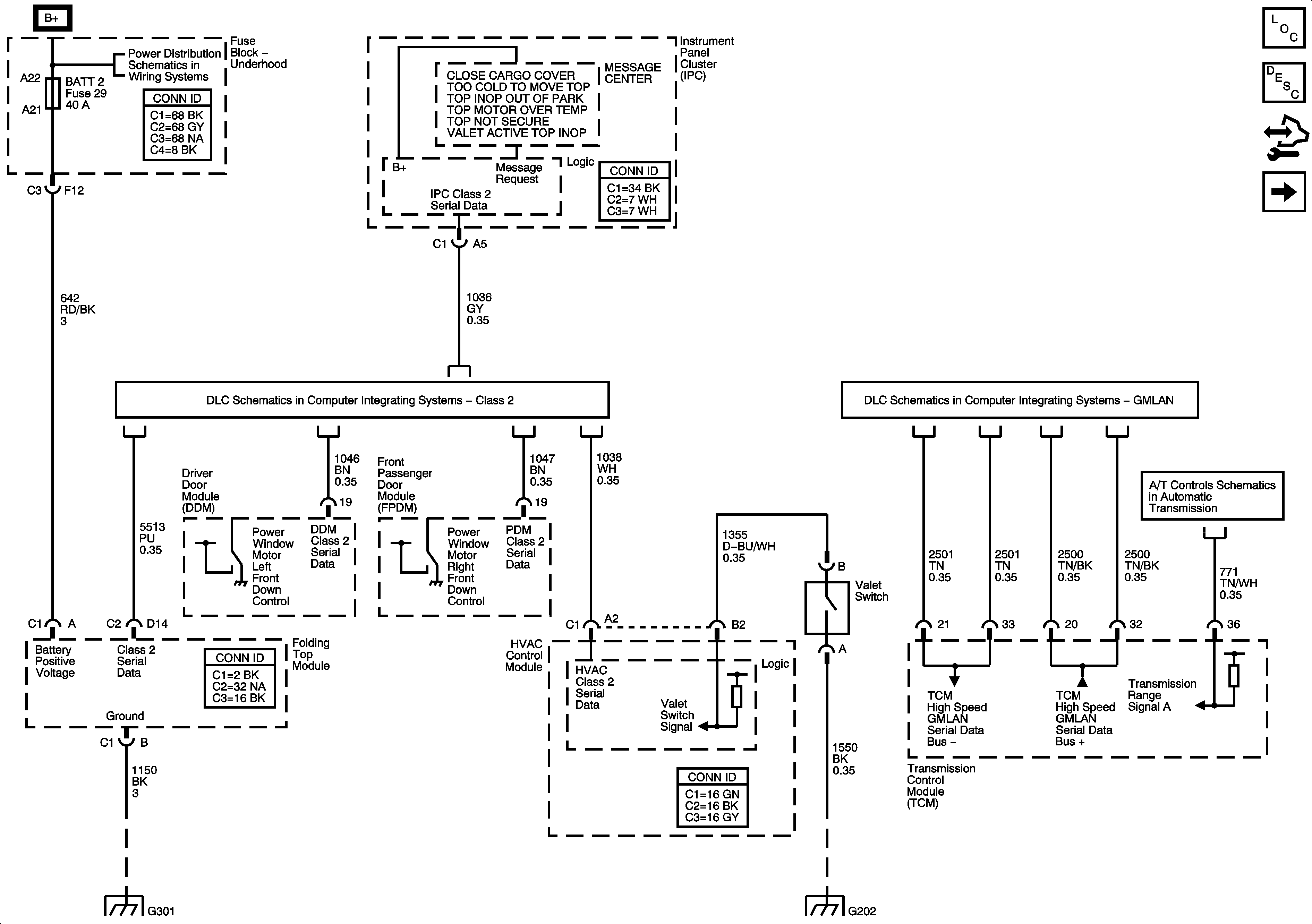
Figure 1:

Power, Ground, DLC and Messages


Object Number: 1480744  Size: FS
Master Electrical Component List
Power Folding Top Description and Operation
Control Module References
Switches
Fuse Block - Underhood Bussing
DLC - Class 2
GMLAN
IMS, ISS, Solenoids, TFT and VSS
G301
G202 - 1 of 2
Figure 2:

Switches


Object Number: 1480747  Size: FS
Master Electrical Component List
Power Folding Top Description and Operation
Control Module References
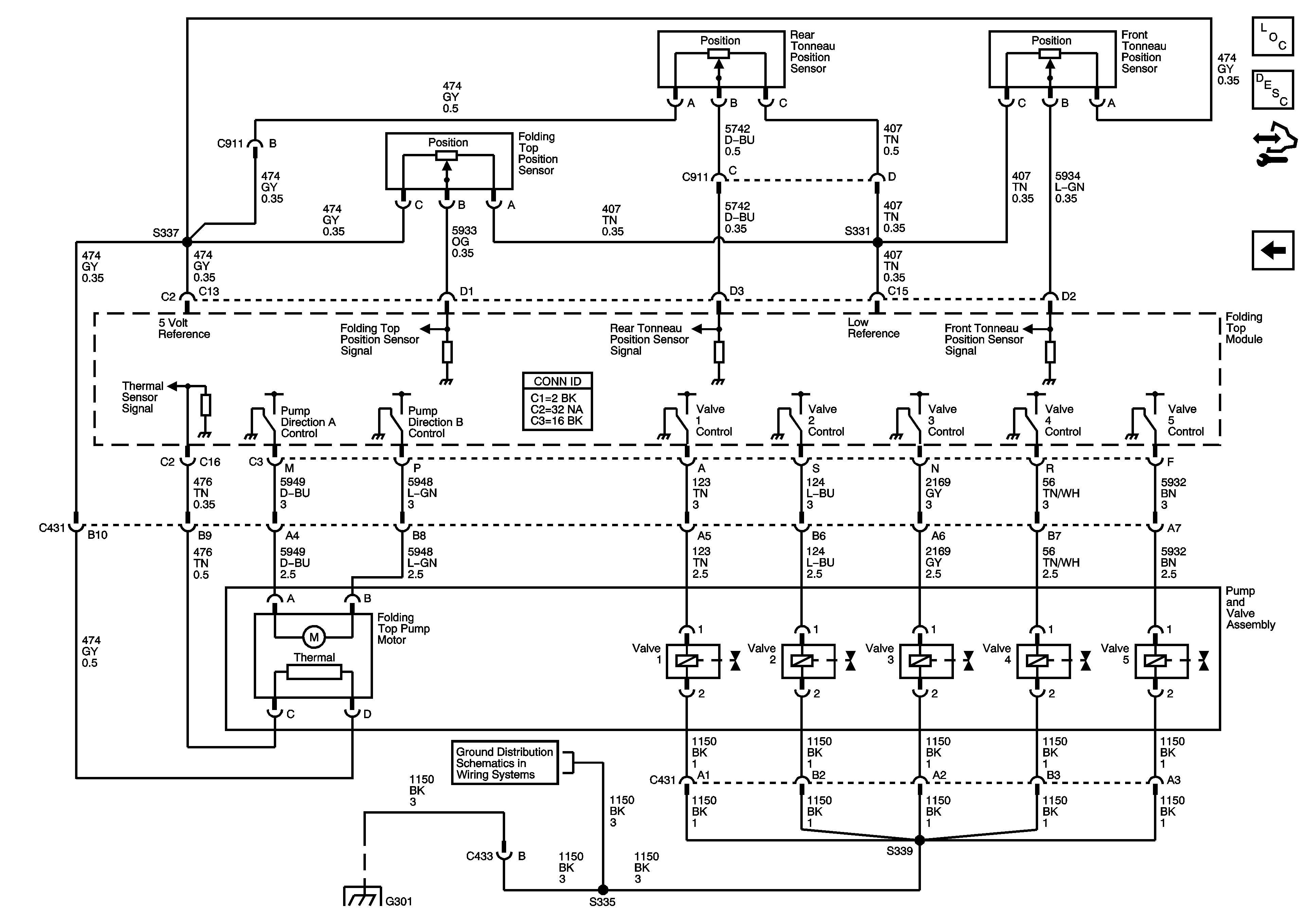
Sensors, Valves and Pump
Power, Ground, DLC and Messages
Fuse Block Underhood Fuses - BATT1, Fuse Block I/P Fuses - HEATED SEAT LH, HEATED SEAT RH, POWER LUMBAR LH/RH, Fuse Block I/P Circuit Breakers - Door Controls and Power Seats
Fuse Block Underhood Fuses - BATT3, STOP/BULPS, BCM Fuses - BTSI SOL/COL LOCK, PWR FLDG MIR-EXT/RET, RADIO/ANT/VICS, REAR FOG/ALDL TOPSW, REVERSE LPS
Fuse Block - Underhood Bussing
BCM Fuses - AC LATCH/PK BRK B, CLUSTER, DOOR LOCKS, HVAC/PWR SND, INTERIOR LIGHTS, ISRVM/HVAC, and TUTD SW/STRG COL SW
Fuse Block Underhood Fuses - BATT5, BCM Fuses - ACCA/DRIV DRSW, IGNITION SW/INTR SENS, ONSTAR, PARK BRAKE SOL A, TILT/TELE SW/MEM SEAT MOD
Fuse Block Underhood Fuse - BATT1, Fuse Block I/P Fuses - AUXILIARY POWER, CIGAR LIGHTER, COLUMN LOCK MODL, FLDG TOP/TRUNK LATCH
BCM Fuses - AC LATCH/PK BRK B, CLUSTER, DOOR LOCKS, HVAC/PWR SND, INTERIOR LIGHTS, ISRVM/HVAC, and TUTD SW/STRG COL SW
DLC, HVAC Control Module, Radio and Switches
G202 - 1 of 2
Figure 3:

Sensors, Valves and Pump


Object Number: 1480750  Size: FS
Master Electrical Component List
Power Folding Top Description and Operation
Control Module References
Switches
G301
G301