GM Service Manual Online
For 1990-2009 cars only
Figure 1:

Ground, Indicators, Messages, and Power


Object Number: 1480600  Size: FS
Master Electrical Component List
ABS Description and Operation
Control Module References
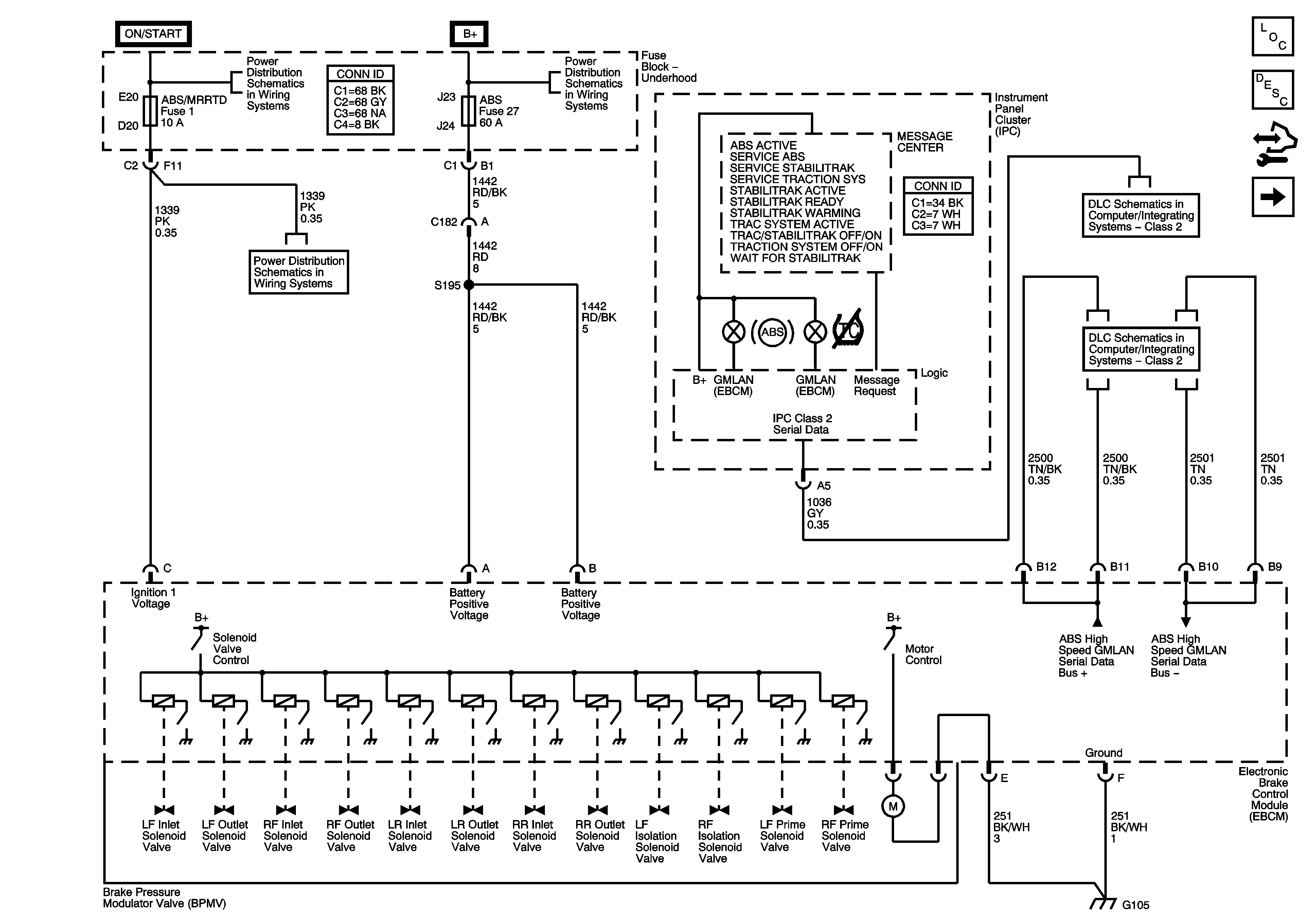
Wheel Speed Sensors
Fuse Block - Underhood Bussing
Fuse Block - Underhood Bussing
BCM Fuses - ECM. GMLAN Devices, RPA/H/C SEAT and SDM/PSIR SW, Fuse Block Underhood Fuses - ABS/MRRTD, and ACC/TCM
DLC - Class 2
GMLAN
Figure 2:

Wheel Speed Sensors


Object Number: 1480603  Size: FS
Master Electrical Component List
ABS Description and Operation
Control Module References
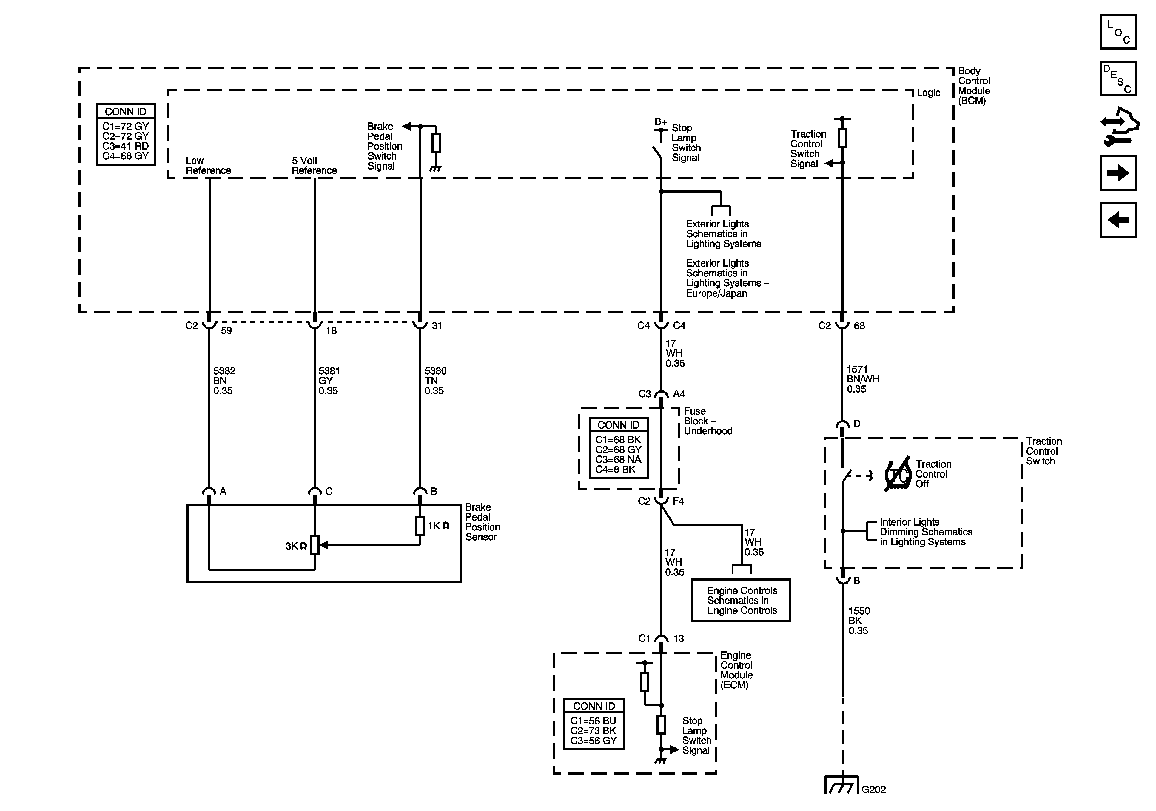
Brake Pedal Signal and Traction Control Switch
Ground, Indicators, Messages and Power
Antilock Brake System Schematic Icons
Figure 3:

Brake Pedal Signal and Traction Control Switch


Object Number: 1480604  Size: FS
Master Electrical Component List
ABS Description and Operation
Control Module References
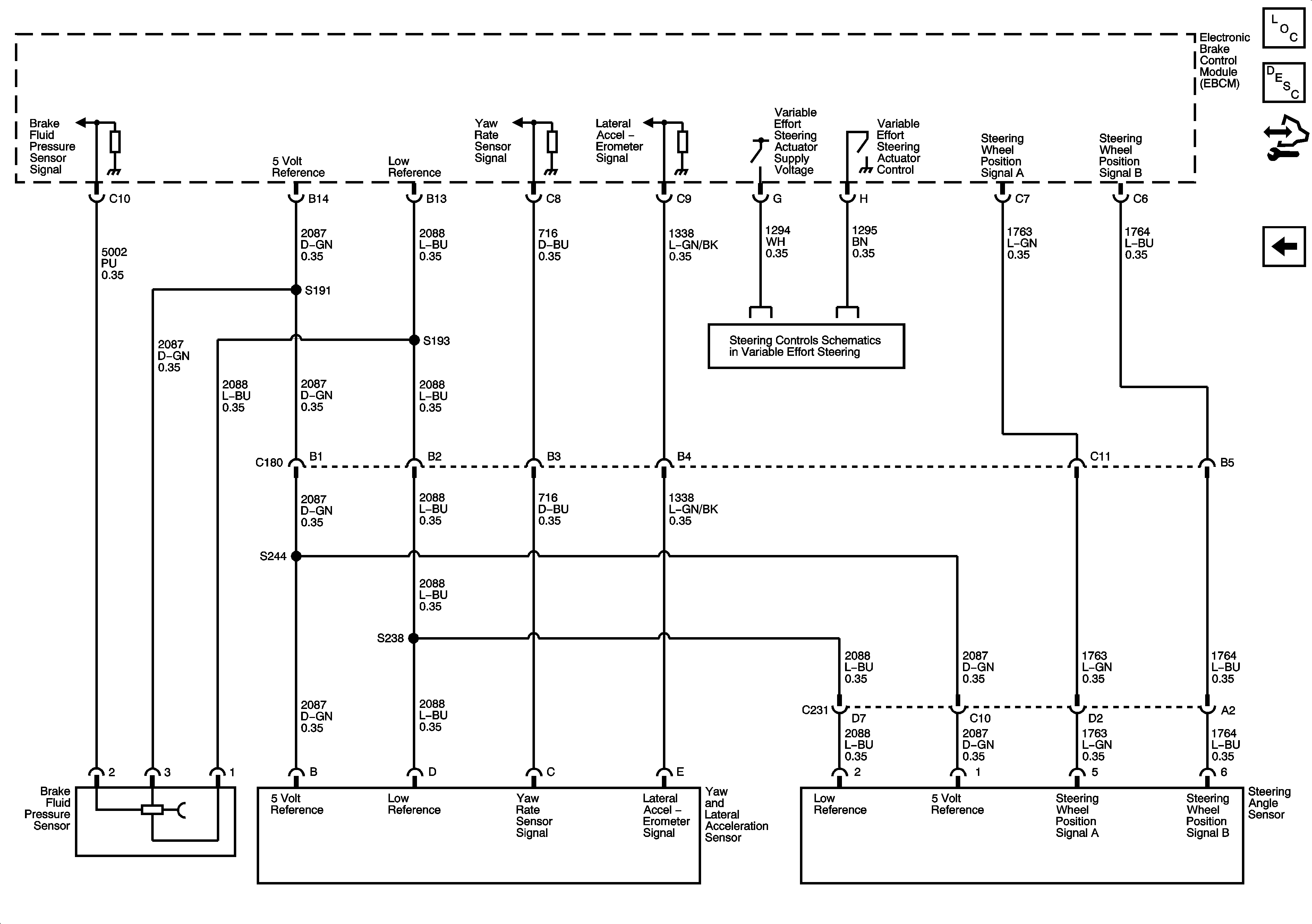
Stability Control Sensors
Wheel Speed Sensors
Stop Lamps - Europe and Japan
Stop Lamps - Europe and Japan
Engine Data Sensors - Pressure, Temperature, MAF, VSS and Brake Travel
DLC, HVAC Control Module, Radio and Switches
G202 - 1 of 2
Figure 4:

Stability Control Sensors


Object Number: 1480606  Size: FS
Master Electrical Component List
ABS Description and Operation
Control Module References
Brake Pedal Signal and Traction Control Switch
Steering Controls
Antilock Brake System Schematic Icons