GM Service Manual Online
For 1990-2009 cars only
Makes
🢒
Cadillac
🢒
2005
🢒
XLR
🢒
Accessories
🢒
Navigation Systems
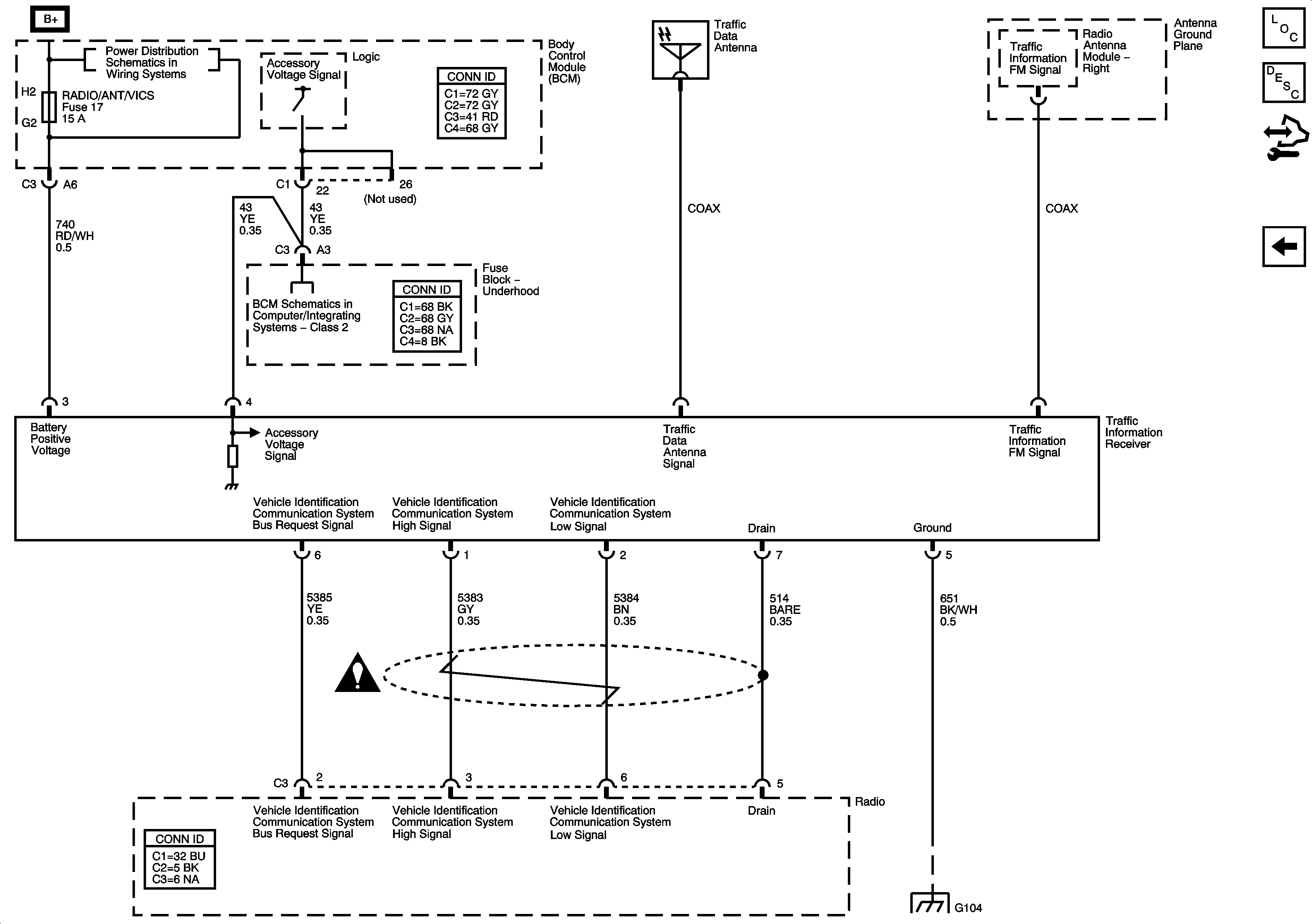
🢒 Navigation System Schematics
Figure
1:
Navigation Systems - Except Japan
Master Electrical Component List
Navigation System Description and Operation
Control Module References
Navigation Systems - Japan
Fuse Block Underhood Fuses - BATT5, BCM Fuses - ACCA/DRIV DRSW, IGNITION SW/INTR SENS, ONSTAR, PARK BRAKE SOL A, TILT/TELE SW/MEM SEAT MOD
Fuse Block Underhood Fuses - BATT5, BCM Fuses - ACCA/DRIV DRSW, IGNITION SW/INTR SENS, ONSTAR, PARK BRAKE SOL A, TILT/TELE SW/MEM SEAT MOD
Navigation System Schematic Icons
Navigation System Schematic Icons
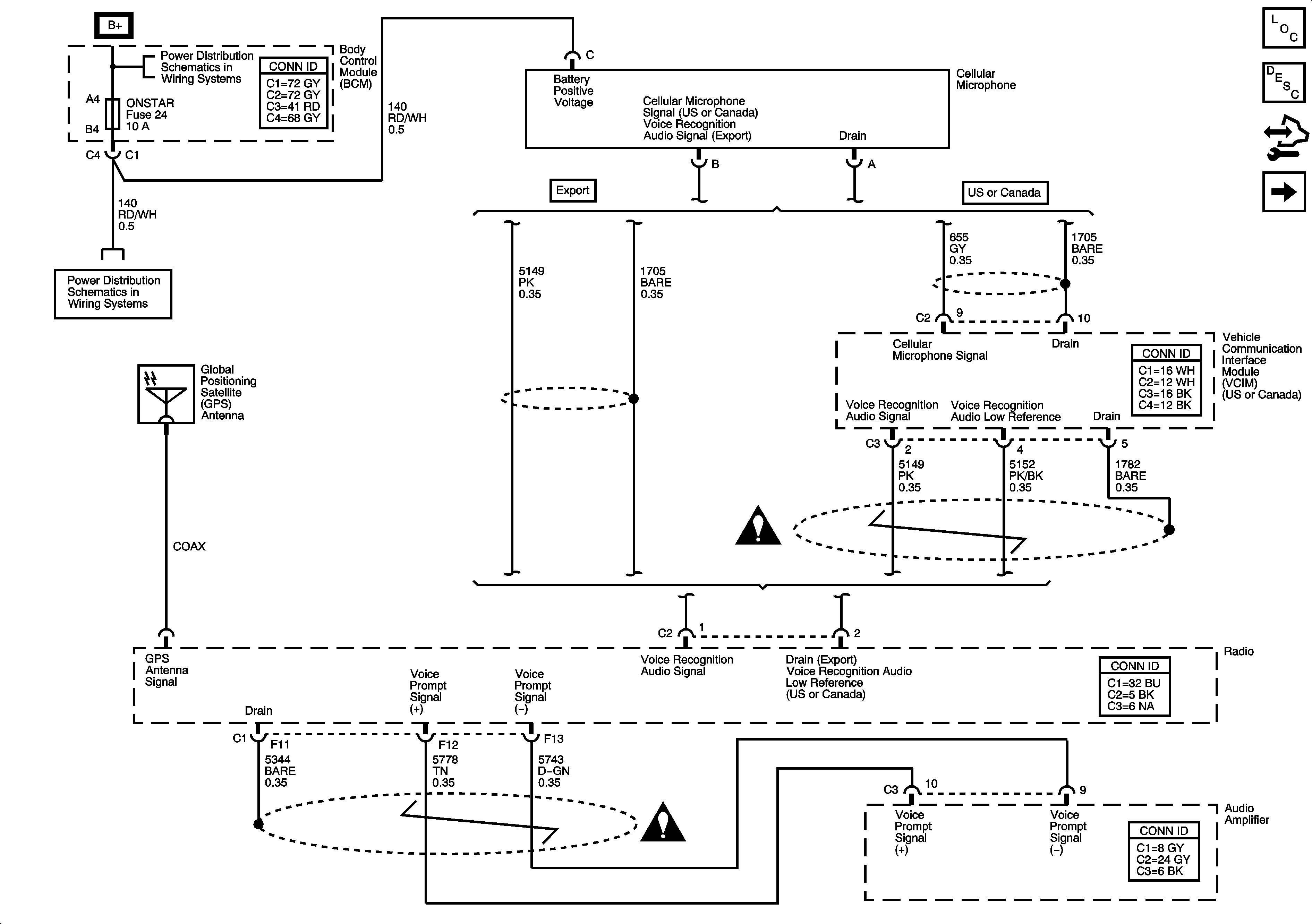
Figure
2:
Navigation Systems - Japan
Master Electrical Component List
Navigation System Description and Operation
Control Module References
Navigation Systems - except Japan
Fuse Block Underhood Fuses - BATT3, STOP/BULPS, BCM Fuses - BTSI SOL/COL LOCK, PWR FLDG MIR-EXT/RET, RADIO/ANT/VICS, REAR FOG/ALDL TOPSW, REVERSE LPS
DLC, Ground and Power
Navigation System Schematic Icons
G104 and G106