GM Service Manual Online
For 1990-2009 cars only
Makes
🢒
Cadillac
🢒
2005
🢒
XLR
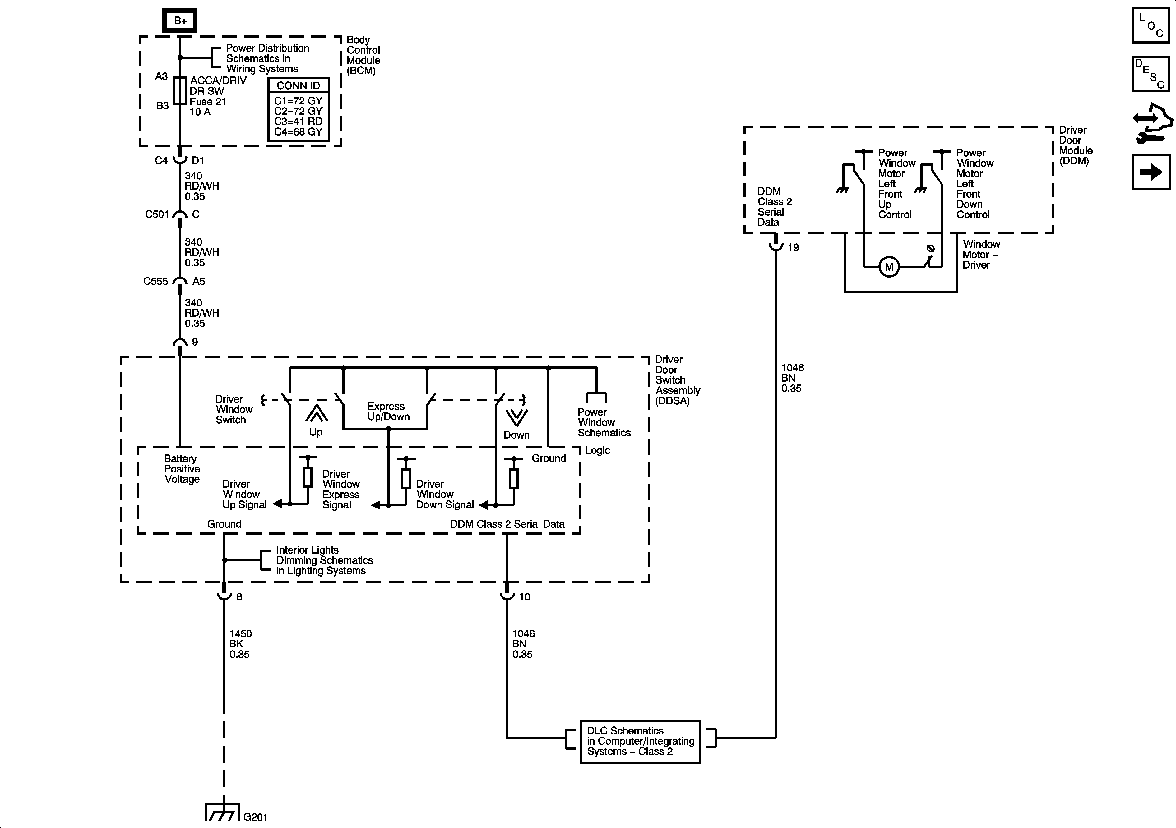
🢒 Power Windows - Driver
Power Windows - Driver
Driver
Master Electrical Component List
Power Windows Description and Operation
Control Module References
Power Windows - Passenger
Fuse Block Underhood Fuses - BATT5, BCM Fuses - ACCA/DRIV DRSW, IGNITION SW/INTR SENS, ONSTAR, PARK BRAKE SOL A, TILT/TELE SW/MEM SEAT MOD
DLC, HVAC Control Module, Radio and Switches
Power Windows - Passenger
DLC - Class 2
G201