GM Service Manual Online
For 1990-2009 cars only
Makes
🢒
Cadillac
🢒
2006
🢒
XLR
🢒
Engine
🢒
Engine Cooling
🢒 Engine Cooling Schematics
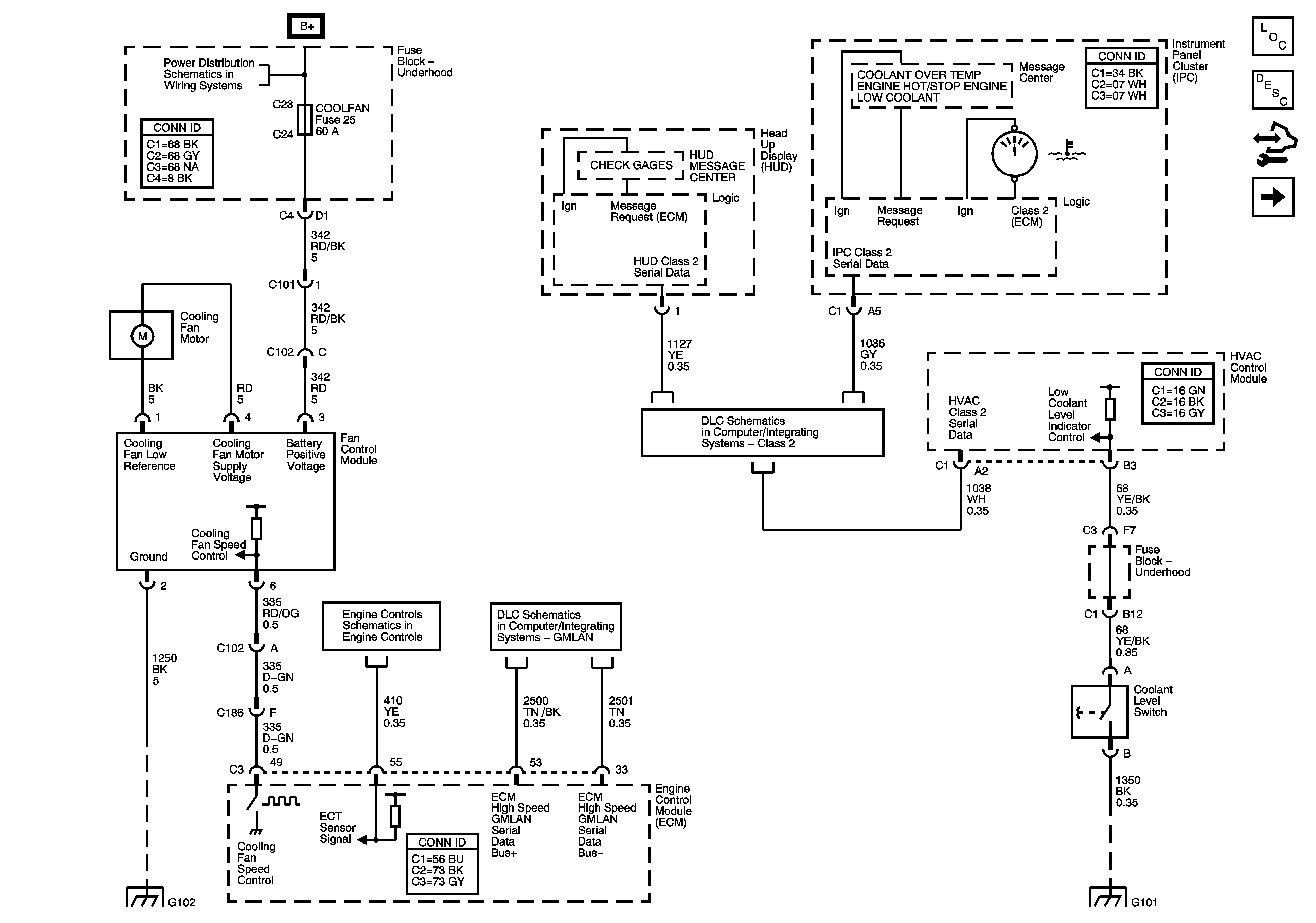
Figure
1:
LC3
Master Electrical Component List
Cooling System Description and Operation
Control Module References
LH2
Fuse Block Underhood Fuses: ABS, AMP, BATT2, COOLFAN, ECM/TCM, HORN, HVAC, MRRTD, W/S WASH
Fuse Block Underhood Fuses: LT HI BM, LT LO BM, RT HI BM, RT LO BM, Fuse Block I/P Fuses: RUN/ACCESSORY POWER, STEER WHEEL DIMMING and WIPER DWELL
Fuse Block Underhood Fuses: LT HI BM, LT LO BM, RT HI BM, RT LO BM, Fuse Block I/P Fuses: RUN/ACCESSORY POWER, STEER WHEEL DIMMING and WIPER DWELL
Engine Data Sensors - ECT, MAP, MAF/IAT
GM LAN
Class 2
G102
G102
G101
Figure
2:
LH2
Master Electrical Component List
Cooling System Description and Operation
Control Module References
LC3
Fuse Block Underhood Fuses: ABS, AMP, BATT2, COOLFAN, ECM/TCM, HORN, HVAC, MRRTD, W/S WASH
Class 2
GM LAN
Engine Data Sensors - Pressure Temperature, MAF, VSS and Brake Travel
G102
G101