GM Service Manual Online
For 1990-2009 cars only
Makes
🢒
Cadillac
🢒
2006
🢒
XLR
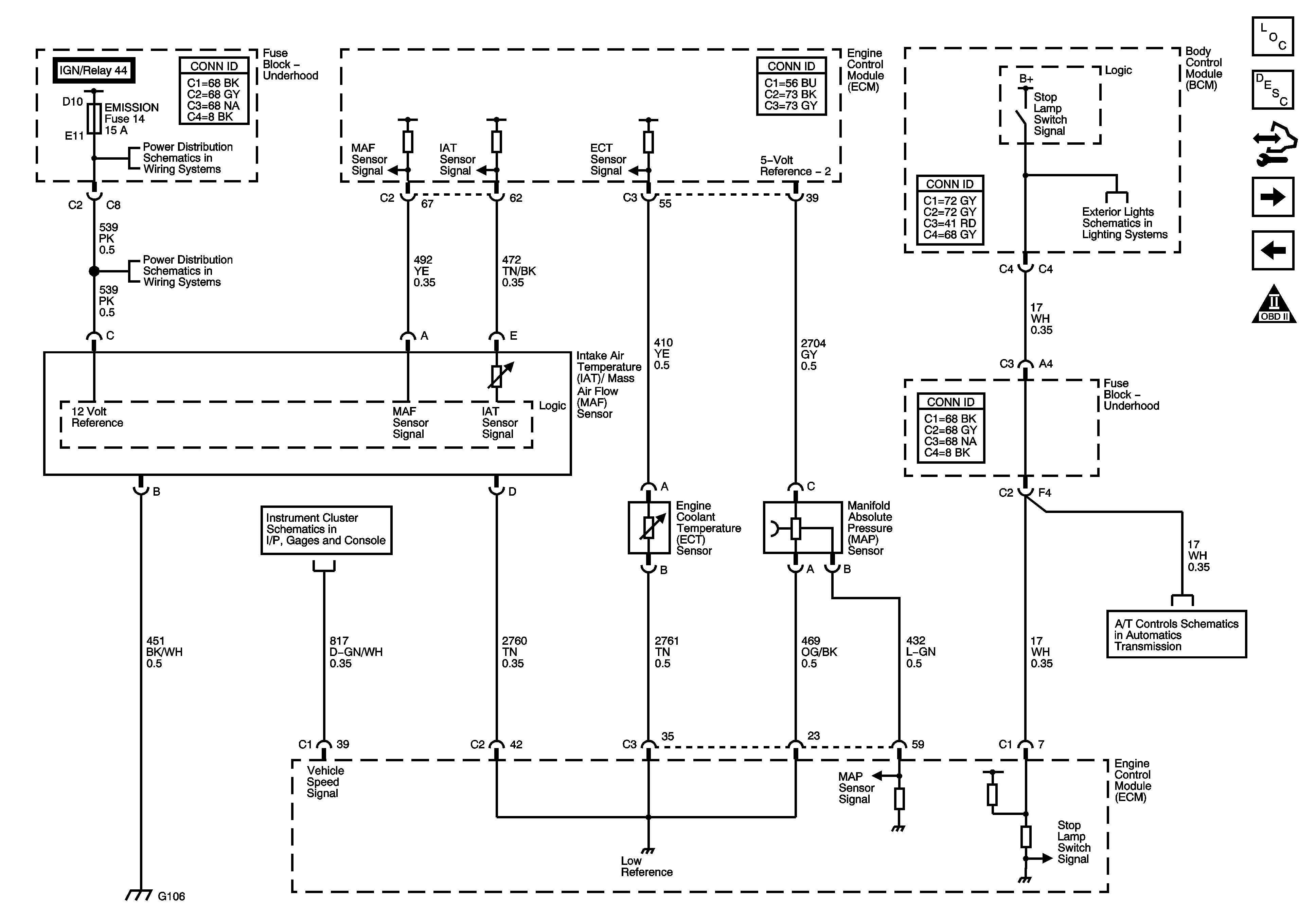
🢒 Engine Data Sensors - ECT, MAP, MAF/IAT
Engine Data Sensors - ECT, MAP, MAF/IAT
Engine Data Sensors - ECT, MAP,and MAF/IAT
Master Electrical Component List
Engine Control Module Description
Control Module References
Engine Data Sensors - Oxygen Sensors
Low Reference Bussing
Engine Controls Schematic Icons
Fuse Block Underhood Fuses: EMISSION, ETC, EVEN INJ, FUEL, O2SEN, and ODD INJ
Fuse Block Underhood Fuses: EMISSION, ETC, EVEN INJ, FUEL, O2SEN, and ODD INJ
Gages
Stop Lamps
Shift Lever
G104 and G106