GM Service Manual Online
For 1990-2009 cars only
Makes
🢒
Cadillac
🢒
2006
🢒
XLR
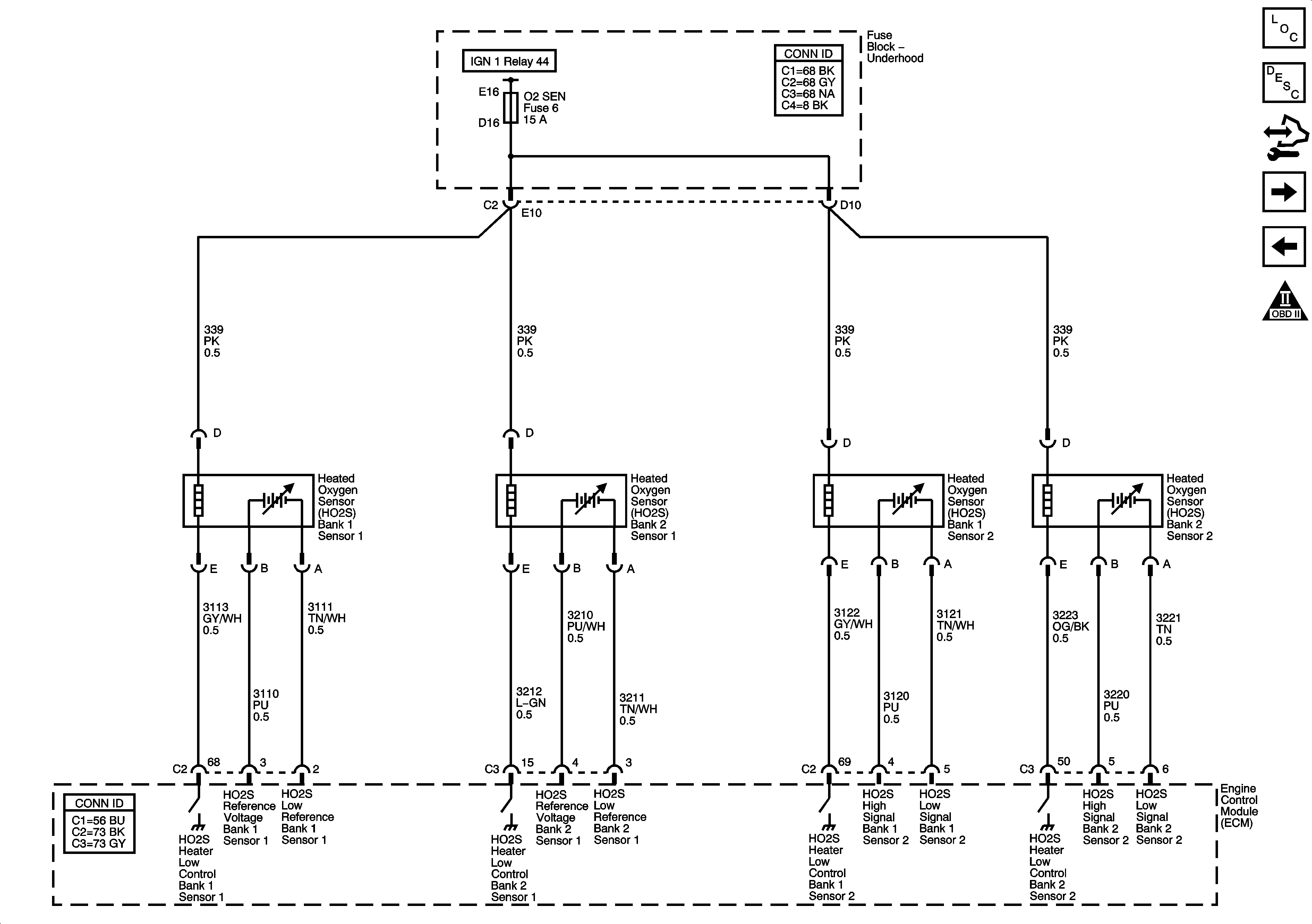
🢒 Engine Data Sensors - Oxygen Sensors
Engine Data Sensors - Oxygen Sensors
Engine Data Sensors - Oxygen Sensors
Master Electrical Component List
Engine Control Module Description
Control Module References
Engine Data Sensors - Electronic Throttle Controls
Engine Data Sensors - ECT, MAP, MAF/IAT
Engine Controls Schematic Icons